注文する: 86 0132 0002 00005
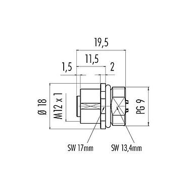
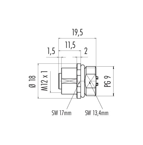
M12 メスパネルマウントコネクタ, 極数: 5, 非シールド, はんだ, IP68, UL 2238, PG 9, フロントマウント
M12-A, シリーズ 763, オートメーションテクノロジー - センサ&アクチュエータ
一般的な機能
開く閉じる| 注文番号 | 86 0132 0002 00005 |
| コネクタ設計 | メスパネルマウントコネクタ |
| 設計基準 | DIN EN 61076-2-101 |
| コーディング | Aコード |
| コネクタ形状 | コネクタメスストレート |
| コネクタロックシステム | ネジ |
| 終端処理 | はんだ |
| IP保護等級 | IP68 |
| 接続断面 | 0.34mm² / AWG 22 |
| 温度範囲 | -40 °C / 85 °C |
| 機械的な操作 | > 嵌合回数100 |
| 重量(g) | 9.27 |
| 関税番号 | 85369010 |
| 原産国 | DE |
電気的パラメータ
開く閉じる| 定格電圧 | 60V |
| 定格インパルス電圧 | 1500V |
| 定格電流(40℃) | 4A (3A UL) |
| 絶縁抵抗 | > 108 Ω |
| 汚染度 | 3 |
| 材料群 | III |
| EMC対応 | 非シールド |
材料
開く閉じる| ハウジング部材質 | ニッケルメッキ亜鉛ダイカスト |
| 接触体の材質 | PA 黒 |
| 接触材料 | CuSn (ブロンズ) |
| 接点めっき | Au (ゴールド) |
| REACH SVHC |
CAS 7439-92-1 (Lead) |
| PFASの存在 | 693372b4-4266-436f-beb7-43a77e6b45fb |
認可・承認
開く閉じる| 入試のご案内 | UL 2238 |
分類
開く閉じる| ETIM 9.0 | EC003569 |
セキュリティに関するお知らせ
- 負荷のかかった状態でコネクタプラグの抜き差しをしないで下さい。不遵守や不適切な使用は、事故の原因となり得ます
- プラントエンジニアリング、制御、電気設備工事などの用途に向けて開発されたコネクタです。コネクタが他の用途にも使用できるかどうかは、ユーザーが責任を持って確認してください。
- コネクタの不用意な開封を防ぐため、触ると危険な電圧の回路で使用する場合は、ハウジングとコネクタヘッド間のネジ部をシアノアクリレート系の接着剤で固定してください。これは、IEC 61140(EN 61140、VDE 0140-1)に準拠したSELVおよびPELV回路で使用されるコネクタには適用されません。
- 触ると危険な電圧の回路で使用されるコネクタは、適用される法規制や基準を考慮して、電気工学の訓練を受けた者のみが取り付け、またはその監督下で使用することができます。
- 誤ってコネクターを外すことがないように、ユーザーは適切な安全対策を講じる必要があります。
- エンクロージャ保護IP67およびIP68のプラグコネクタは、水中での使用には適していません。屋外で使用する場合は、プラグコネクタを腐食から別途保護する必要があります。IP保護等級の詳細については、「技術情報」ダウンロードセンターを参照してください。
- ケーブルコネクタをデバイスコネクタで固定するには、ネジリングを「手で締め付ける」(約60cNm)。
- 誤ってコネクターを外すことがないように、ユーザーは適切な安全対策を講じる必要があります。また、ユーザーはケーブルが適切に固定されていることを確認する必要があります。
ダウンロード
データシート
データシート 86 0132 0002 00005
ダウンロード
証明書
UL証明書
ダウンロード
REACH
86 0132 0002 00005
ダウンロード
RoHS
86 0132 0002 00005
ダウンロード
China RoHS
86 0132 0002 00005
ダウンロード
EPLANデータ
86 0132 0002 00005
ダウンロード
ダウンロードの確認
CADダウンロードを続行するには、確認を完了してください。
CADデータ
タ-希望する形式を選択


