零件編號: 86 6618 1121 00005
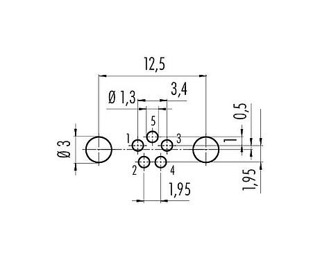
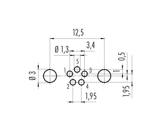
M8 孔頭法蘭座, : 5, 可接遮罩, THT, IP67, UL 2238, M10x0.75, 後壁安裝
M8, 系列 718, 自動化技術.感測器和執行器
全身特徵
更多更少| 零件編號 |
86 6618 1121 00005
備選部件號: 09 3424 82 05
|
| 通知 |
請注意:在產品的老型號與新型號轉換過程中, 技術規格上可能有微小的變化,詳細情況請聯繫我們的客戶,聯繫方式見網站右上方“聯繫我們”.
更多 |
| 連接器設計 | 孔頭法蘭座 |
| Type standard | DIN EN 61076-2-104 |
| 編碼 | B扣連接器 |
| 版本 | 彎角孔頭電纜連接器 |
| 連接器鎖定系統 | 螺釘 |
| 服務終止 | THT |
| 防護等級 | IP67 |
| 溫度範圍:/至 | -40 °C / 85 °C |
| 機械使用壽命 | > 100 插拔次數 |
| 重量 (g) | 5.68 |
| 海關稅號 | 85369010 |
| 原產國 | DE |
電氣參數
更多更少| 額定電壓 | 60V |
| 額定衝擊電壓 | 1500V |
| 額定電流 | 3.0A |
| 污染程度 | 3 |
| 過電壓類別 | II |
| 絕緣材料組 | II |
| EMC 合規性 | 可接遮罩 |
| 遮罩連接 | 遮罩片 |
材料
更多更少| 外殼材料 | 壓鑄鋅, 鎳 |
| 接觸體材料 | PA 黑色 |
| 觸點材料 | 銅錫(銅牌) |
| 觸點電鍍 | Au (金) |
| REACH SVHC |
CAS 7439-92-1 (Lead) |
| 存在 PFAS | 6eb0124d-ae73-4880-ae56-bb7533e37e65 |
授權/批准
更多更少| 審批 | UL 2238 |
分類
更多更少| eCl@ss 11.1 | 27-44-01-09 |
| ETIM 9.0 | EC003569 |
安全須知
- 连接器在负载下不得插拔。不遵守和使用不当会造成人身伤害。
- 连接器的开发是为了应用于工厂工程、控制和电气设备建设。用户有责任检查连接器是否也能用于其他领域的应用。
- 用于有触电危险电压的电路中的连接器,只能由受过电气工程培训的人员安装和使用,或在其监督下安装和使用,同时考虑到适用的规定和标准。
- 用户必须采取适当的安全防范措施,以确保连接器不能意外断开
- 外壳防护等级为IP67和IP68的插头连接器不适合在水中使用。在室外使用时,插头连接器必须单独进行防腐蚀保护。有关IP保护等级的进一步信息,请参见 "技术信息 "下载中心。
- 请观察污染程度和过电压类别。更多信息请参考下载中心 "技术资料"。
- 为了将电缆接头与设备接头锁紧,螺纹环要用 "手拧紧"(约50 cNm)。
下載




