Artikelnr.: 09 2450 180 05
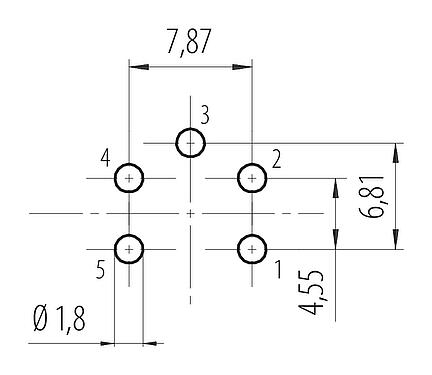
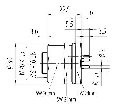
7/8" Female panel mount connector, aantal polen: 4+PE, onafgeschermd, THT, IP68, UL 2238, VDE, Achterwandmontage, gegoten
7/8", Serie 820, Automatiseringstechniek - Spanning- en Stroomvoorziening
Algemene kenmerken
meerminder| Artikelnummer | 09 2450 180 05 |
| Connectorconstructie | Female panel mount connector |
| Versie | Connector femal recht |
| Connectorvergrendeling | schroeven |
| Aansluiting | THT |
| Beschermingsgraad | IP68 |
| Doorsnede aansluiting | 0,75 mm² / AWG 18 |
| Grenstemperatuur van/tot | -25 °C / 85 °C |
| Mechanische levensduur | > 100 insteekcycli |
| Weight (g) | 66.00 |
| Customs tariff number | 85369010 |
| Land van herkomst | DE |
Elektrische kenmerken
meerminder| Nominale spanning | 300 V (600 V UL) |
| Nominale stootspanning | 4000 V |
| Nominale stroom | 8,0 A |
| Vervuilingsgraad | 3 |
| Overspanningscategorie | III |
| Materiaalgroep | I |
| EMC-naleving | onafgeschermd |
Materialen
meerminder| Materiaal van de behuizing | gespuitgiet zink vernikkeld |
| Materiaal van de contactbasis | PUR |
| Materiaal van het contact | CuZn (messing) |
| Contactbedekking | Au (goud) |
| REACH SVHC |
CAS 7439-92-1 (Lead) |
| SCIP-nummer | 7afb880b-06a0-49af-bdfc-508c6641f94b |
Autorisatie / goedkeuringen
meerminder| Toelatingen | UL 2238, VDE |
Classificaties
meerminder| eCl@ss 11.1 | 27-44-01-09 |
| ETIM 9.0 | EC003569 |
Veiligheidsinstructies
- De stekker mag onder belasting niet worden aangesloten of losgekoppeld. Niet-naleving en oneigenlijk gebruik kunnen leiden tot persoonlijk letsel.
- De connectoren zijn ontwikkeld voor toepassingen in de installatietechniek, de besturing en de bouw van elektrische apparatuur. De gebruiker is verantwoordelijk voor de controle of de connectoren ook in andere toepassingsgebieden kunnen worden gebruikt.
- Aansluitingen die worden gebruikt in circuits met aanraakgevoelige spanningen mogen alleen worden geïnstalleerd en gebruikt door of onder toezicht van personen met een elektrotechnische opleiding, met inachtneming van de geldende voorschriften en normen.
- De gebruiker moet passende veiligheidsmaatregelen treffen om te voorkomen dat de connector per ongeluk wordt losgekoppeld.
- Steekverbindingen met beschermingsgraad IP67 en IP68 zijn niet geschikt voor gebruik onder water. Bij gebruik buitenshuis moeten de stekerverbindingen afzonderlijk tegen corrosie worden beschermd. Meer informatie over de IP-beschermingsgraden vindt u in het downloadcentrum "Technische informatie".
- Let op de vervuilingsgraad en de overspanningscategorie. Voor meer informatie verwijzen wij u naar het downloadcentrum "Technische informatie".
- Om de kabelconnector met de apparaatconnector te vergrendelen raden we aan om de draadring vast te draaien met 1,5 Nm. Een geschikte momentsleutel is verkrijgbaar als accessoire (bestelnr. 07 0082 000).
Downloads
Informatieblad
Informatieblad 09 2450 180 05
downloaden
Certificaten
UL-certificaat
downloaden
Certificaten
VDE-certificaat
downloaden
REACH
09 2450 180 05
downloaden
RoHS
09 2450 180 05
downloaden
China RoHS
09 2450 180 05
downloaden
EPLAN-gegevens
09 2450 180 05
downloaden
Verificatie om te downloaden
Voltooi de verificatie om door te gaan met de CAD-download.
CAD-gegevens
Selecteer het gewenste formaat



