Artikelnr.: 76 0244 0015 00044-0500
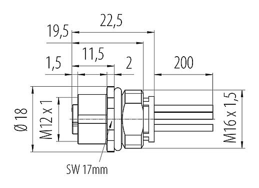
M12 Female panel mount connector, aantal polen: 4, onafgeschermd, draden, IP68, UL 2238, M16x1,5, Frontaansluiting
M12-L, Serie 823, Automatiseringstechniek - Spanning- en Stroomvoorziening
Algemene kenmerken
meerminder| Artikelnummer | 76 0244 0015 00044-0500 |
| Connectorconstructie | Female panel mount connector |
| Codering | L-gecodeerd |
| Draadlengte | 0,5 m (Andere lengtes zijn verkrijgbaar op aanvraag). |
| Versie | Connector femal recht |
| Connectorvergrendeling | schroeven |
| Aansluiting | draden |
| Beschermingsgraad | IP68 |
| Doorsnede aansluiting | 1,50 mm² / AWG 16 |
| Grenstemperatuur van/tot | -40 °C / 105 °C |
| Mechanische levensduur | > 100 insteekcycli |
| Weight (g) | 52.54 |
| Customs tariff number | 85369010 |
| Land van herkomst | DE |
Elektrische kenmerken
meerminder| Nominale spanning | 63 V |
| Nominale stootspanning | 1500 V |
| Nominale stroom | 12,0 A |
| Insulation resistance | > 1010 Ω |
| Vervuilingsgraad | 3 |
| Overspanningscategorie | III |
| EMC-naleving | onafgeschermd |
Materialen
meerminder| Materiaal van de contactbasis | PA |
| Materiaal van het contact | CuSn (brons) |
| Contactbedekking | Au (goud) |
| REACH SVHC |
CAS 7439-92-1 (Lead) |
| SCIP-nummer | f9f08eb0-15cf-46b3-8593-b94200df222b |
Gegevens over litzedraden
meerminder| Structuur van de draad | |
| Doorsnede (mm²) | 4 x 1,50 mm² |
| Doorsnede (AWG) | 4 x AWG 16 |
| Draaddiameter | 2,5 mm |
| Draadkleuren |
zwart blauw bruin wit |
| Mantelmateriaal | PVC |
| Draadmateriaal | Koper (vertind) |
| Draadstructuur | 41 x 0,203 mm |
| Elektrische eigenschappen | |
| Nominale spanning | 300 V |
| Nominale impulsspanning | 2500 V |
| Draadweerstand | 13,3 Ω/Km (20°C) |
| Isolatieweerstand | 100,0 Ω/Km (20 °C) |
| Thermische eigenschappen | |
| Temperatuurbereik draad in beweging van / naar (°C) | -10 °C / 105 °C |
| Temperatuurbereik draad vast van / tot (°C) | -40 °C / 105 °C |
Autorisatie / goedkeuringen
meerminder| Toelatingen | UL 2238 |
Conformiteitsverklaringen
meerminder| Laagspanningsrichtlijn | EN 60529:1991 |
| Ecodesign-richtlijn | 2009/125/EG |
Veiligheidsinstructies
- De stekker mag onder belasting niet worden aangesloten of losgekoppeld. Niet-naleving en oneigenlijk gebruik kunnen leiden tot persoonlijk letsel.
- De connectoren zijn ontwikkeld voor toepassingen in de installatietechniek, de besturing en de bouw van elektrische apparatuur. De gebruiker is verantwoordelijk voor de controle of de connectoren ook in andere toepassingsgebieden kunnen worden gebruikt.
- Aansluitingen die worden gebruikt in circuits met aanraakgevoelige spanningen mogen alleen worden geïnstalleerd en gebruikt door of onder toezicht van personen met een elektrotechnische opleiding, met inachtneming van de geldende voorschriften en normen.
- De gebruiker moet passende veiligheidsmaatregelen treffen om te voorkomen dat de connector per ongeluk wordt losgekoppeld.
- Steekverbindingen met beschermingsgraad IP67 en IP68 zijn niet geschikt voor gebruik onder water. Bij gebruik buitenshuis moeten de stekerverbindingen afzonderlijk tegen corrosie worden beschermd. Meer informatie over de IP-beschermingsgraden vindt u in het downloadcentrum "Technische informatie".
- Let op de vervuilingsgraad en de overspanningscategorie. Voor meer informatie verwijzen wij u naar het downloadcentrum "Technische informatie".
- Om de kabelconnector met de apparaatconnector te vergrendelen, wordt de moer "handvast" aangedraaid (ca. 60 cNm).
Downloads
Informatieblad
Informatieblad 76 0244 0015 00044-0500
downloaden
Certificaten
UL-certificaat
downloaden
REACH
76 0244 0015 00044-0500
downloaden
RoHS
76 0244 0015 00044-0500
downloaden
China RoHS
76 0244 0015 00044-0500
downloaden
CE-conformiteitsverklaring
Laagspanningsrichtlijn
downloaden
UKCA-conformiteitsverklaring
Elektrische apparatuur
downloaden
CE-conformiteitsverklaring
Ecodesign-richtlijn
downloaden
CAD-gegevens
STP-Gegevens 76 0244 0015 00044-0500
downloaden
CAD-gegevens
Andere formaten
TraceParts




