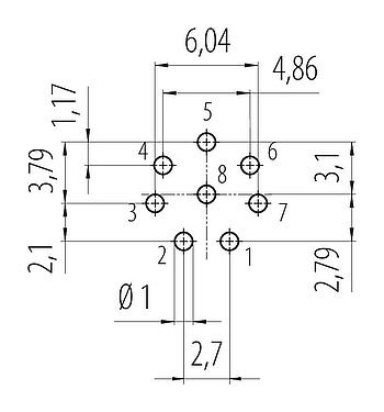
Artikelnr.: 99 9128 090 08
Snap-In Female panel mount connector, aantal polen: 8, onafgeschermd, THT, IP67, VDE, M12x1,0, Frontaansluiting
Snap-in IP67, Serie 720, Miniatuur connectoren
Algemene kenmerken
meerminder| Artikelnummer | 99 9128 090 08 |
| Connectorconstructie | Female panel mount connector |
| Versie | Connector femal recht |
| Connectorvergrendeling | snap-in |
| Aansluiting | THT |
| Beschermingsgraad | IP67 |
| Doorsnede aansluiting | max. 0,25 mm² / AWG 24 |
| Grenstemperatuur van/tot | -25 °C / 85 °C |
| Mechanische levensduur | > 500 insteekcycli |
| Weight (g) | 5.66 |
| Customs tariff number | 85369010 |
| Land van herkomst | DE |
Elektrische kenmerken
meerminder| Nominale spanning | 125 V |
| Nominale stootspanning | 1500 V |
| Nominale stroom | 2,0 A |
| Insulation resistance | ≥ 1010 Ω |
| Vervuilingsgraad | 2 |
| Overspanningscategorie | II |
| Materiaalgroep | II |
| EMC-naleving | onafgeschermd |
Materialen
meerminder| Materiaal van de behuizing | PA |
| Materiaal van de contactbasis | PA (UL94 V-0) zwart |
| Materiaal van het contact | CuSn (brons) |
| Contactbedekking | Au (goud) |
| REACH SVHC |
CAS 7439-92-1 (Lead) |
| PFAS aanwezig | a35539e0-fbe7-4e2a-9e55-a3656d38d073 |
Autorisatie / goedkeuringen
meerminder| Toelatingen | VDE |
Classificaties
meerminder| eCl@ss 11.1 | 27-44-01-02 |
| ETIM 9.0 | EC002635 |
Veiligheidsinstructies
- De stekker mag onder belasting niet worden aangesloten of losgekoppeld. Niet-naleving en oneigenlijk gebruik kunnen leiden tot persoonlijk letsel.
- De connectoren zijn ontwikkeld voor toepassingen in de installatietechniek, de besturing en de bouw van elektrische apparatuur. De gebruiker is verantwoordelijk voor de controle of de connectoren ook in andere toepassingsgebieden kunnen worden gebruikt.
- Aansluitingen die worden gebruikt in circuits met aanraakgevoelige spanningen mogen alleen worden geïnstalleerd en gebruikt door of onder toezicht van personen met een elektrotechnische opleiding, met inachtneming van de geldende voorschriften en normen.
- De gebruiker moet passende veiligheidsmaatregelen treffen om te voorkomen dat de connector per ongeluk wordt losgekoppeld.
- Steekverbindingen met beschermingsgraad IP67 en IP68 zijn niet geschikt voor gebruik onder water. Bij gebruik buitenshuis moeten de stekerverbindingen afzonderlijk tegen corrosie worden beschermd. Meer informatie over de IP-beschermingsgraden vindt u in het downloadcentrum "Technische informatie".
- Let op de vervuilingsgraad en de overspanningscategorie. Voor meer informatie verwijzen wij u naar het downloadcentrum "Technische informatie".
Downloads





