Artikelnr.: 09 0477 65 07
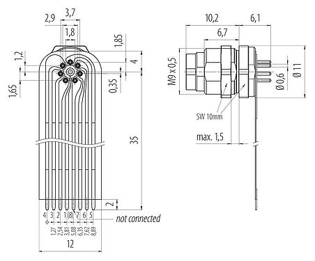
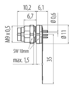
M9 Male panel mount connector, aantal polen: 7, onafgeschermd, THT, IP40, M9x0,5, Achterwandmontage
M9 IP40, Serie 711, Subminiatuur connectoren
Algemene kenmerken
meerminder| Artikelnummer | 09 0477 65 07 |
| Connectorconstructie | Male panel mount connector |
| Versie | Connector mal recht |
| Connectorvergrendeling | schroeven |
| Aansluiting | THT |
| Beschermingsgraad | IP40 |
| Grenstemperatuur van/tot | -40 °C / 85 °C |
| Mechanische levensduur | > 500 insteekcycli |
| Weight (g) | 3.47 |
| Customs tariff number | 85369010 |
| Land van herkomst | DE |
Elektrische kenmerken
meerminder| Nominale spanning | 125 V |
| Nominale stootspanning | 1500 V |
| Nominale stroom | 1,0 A |
| Insulation resistance | ≥ 108 Ω |
| Vervuilingsgraad | 1 |
| Overspanningscategorie | II |
| Materiaalgroep | III |
| EMC-naleving | onafgeschermd |
Materialen
meerminder| Materiaal van de contactbasis | PA (UL94 V-0) |
| Materiaal van het contact | CuZn (messing) |
| Contactbedekking | Au (goud) |
| REACH SVHC |
CAS 7439-92-1 (Lead) |
| SCIP-nummer | 11bb4fdf-6662-468d-a8d0-f59f70d9d37d |
Classificaties
meerminder| eCl@ss 11.1 | 27-44-01-09 |
| ETIM 9.0 | EC003569 |
Veiligheidsinstructies
- De stekker mag onder belasting niet worden aangesloten of losgekoppeld. Niet-naleving en oneigenlijk gebruik kunnen leiden tot persoonlijk letsel.
- De connectoren zijn ontwikkeld voor toepassingen in de installatietechniek, de besturing en de bouw van elektrische apparatuur. De gebruiker is verantwoordelijk voor de controle of de connectoren ook in andere toepassingsgebieden kunnen worden gebruikt.
- Aansluitingen die worden gebruikt in circuits met aanraakgevoelige spanningen mogen alleen worden geïnstalleerd en gebruikt door of onder toezicht van personen met een elektrotechnische opleiding, met inachtneming van de geldende voorschriften en normen.
- De gebruiker moet passende veiligheidsmaatregelen treffen om te voorkomen dat de connector per ongeluk wordt losgekoppeld.
- Let op de vervuilingsgraad en de overspanningscategorie. Voor meer informatie verwijzen wij u naar het downloadcentrum "Technische informatie".
Downloads
Informatieblad
Informatieblad 09 0477 65 07
downloaden
REACH
09 0477 65 07
downloaden
RoHS
09 0477 65 07
downloaden
China RoHS
09 0477 65 07
downloaden
EPLAN-gegevens
09 0477 65 07
downloaden
Verificatie om te downloaden
Voltooi de verificatie om door te gaan met de CAD-download.
CAD-gegevens
Selecteer het gewenste formaat



