Menu
Tillbaka
  1. Produkter
  2. Automationsteknik - Anslutningskablar
  3. M12-A
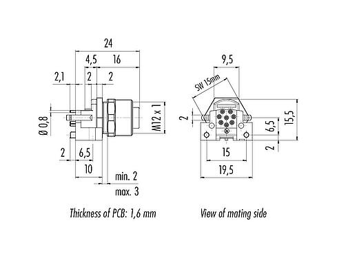
  4. M12 Flänsuttag, antal poler: 8, kan skärmas, THR, IP68, UL 2238, M12x1,0, Frammontering, för PCB-montering
Beställning nr: 99 3482 458 08

M12 Flänsuttag, antal poler: 8, kan skärmas, THR, IP68, UL 2238, M12x1,0, Frammontering, för PCB-montering

M12-A, Serie 763, Automatiseringsteknik – sensorer och ställdon
Tillgängligt antal kontakter
Produktjämförelse
Nedladdningar
Allmänna värden
Merless
Artikelnummer 99 3482 458 08
Kontakttyp Flänsuttag
Typ standard DIN EN 61076-2-101
Kodning A-kodad
Version Anslutningsdon bussning rakt
Kopplingsmetod skruvning
Kontakttermineringstyp THR
Skyddsklass IP68
Temperaturområde från / till -40 °C / 85 °C
Mekanisk livslängd > 100 anslutningscykler
Vikt (gr) 11.63
Tullvarukod 85369010
Ursprungsland HU
Märkspänning 30 V
Märkt impulsspänning 800 V
Märkström 2 A (UL 1,5 A)
Isoleringsmotstånd > 108 Ω
Nedsmutsningsgrad 3
Isolationsgrupp III
EMC godkänd kan skärmas
Sköldanslutning Skyddsplatta
Material kontakthus CuZn (mässing, förnicklad)
Material kontaktinsats PA
Material kontaktelement CuSn (brons)
Plätering kontaktelement Au (guld)
REACH SVHC CAS 7439-92-1 (Lead)
SCIP nummer e2ada086-37ee-4167-a55f-259c40539a65
Säkerhetsmeddelanden
  1. Anslutningen får inte sättas in eller kopplas bort under belastning. Bristande efterlevnad och felaktig användning kan leda till personskada.
  2. Anslutningarna har utvecklats för tillämpningsområden inom anläggning, styrning och konstruktion av elektriska enheter. Det är användarens ansvar att kontrollera om anslutningarna också kan användas inom andra användningsområden.
  3. För att skydda mot oavsiktlig öppning av kontakten måste tråden mellan huset och kopplingshuvudet säkras med ett lämpligt cyanoakrylatlim vid användning i kretsar med spänningar som är farliga att röra vid. Detta gäller inte anslutningar som används i SELV- och PELV-kretsar enligt IEC 61140 (EN 61140, VDE 0140-1).
  4. Kontaktdon som används i kretsar med farliga kontaktspänningar får endast installeras och användas av eller under övervakning av personer som har utbildats i elektroteknik, med hänsyn till tillämpliga bestämmelser och standarder.
  5. Användaren måste vidta lämpliga säkerhetsåtgärder så att kontakten inte kan kopplas bort av misstag.
  6. Kontaktdon med skyddsklass IP67 och IP68 är inte lämpliga för användning under vatten. Vid användning utomhus måste kontakterna skyddas separat mot korrosion. Mer information om klasserna för IP-skydd finns i nedladdningscentret "Teknisk information".
  7. För att låsa kabelkontakten med enhetskontakten dras den gängade ringen "handtätt" (ca 60 cNm).
  8. Användaren måste vidta lämpliga säkerhetsåtgärder för att se till att kontakten inte kan kopplas ur av misstag. Dessutom måste användaren se till att kabeln är ordentligt säkrad.
Nedladdningar
Datablad
Datablad 99 3482 458 08
PDF
Datablad, Datablad 99 3482 458 08
Certifikat
UL-certifikat
PDF, 955.31 KB
REACH
99 3482 458 08
PDF
RoHS
99 3482 458 08
PDF
China RoHS
99 3482 458 08
PDF
EPLAN-data
99 3482 458 08

Verifiera för nedladdning

Slutför verifieringen för att fortsätta med CAD-nedladdningen.

CAD-data
Välj önskat format
M12-A
99 3482 458 08