Menu
Tillbaka
  1. Produkter
  2. Subminiature stickkontakt
  3. Insnäppning IP67
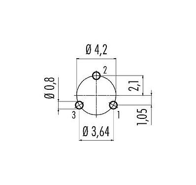
  4. Snap-In Flänsplugg, antal poler: 3, oskärmad, THT, IP67, UL 2238, M8x0,75, Frammontering
Beställning nr: 99 9207 090 03

Snap-In Flänsplugg, antal poler: 3, oskärmad, THT, IP67, UL 2238, M8x0,75, Frammontering

Snap-In IP67, Serie 620, Subminiatyrkontakter
Tillgängligt antal kontakter
Produktjämförelse
Nedladdningar
Allmänna värden
Merless
Artikelnummer 99 9207 090 03
Kontakttyp Flänsplugg
Version Anslutningsdon pin rakt
Kopplingsmetod snap-in
Kontakttermineringstyp THT
Skyddsklass IP67
Temperaturområde från / till -25 °C / 85 °C
Mekanisk livslängd > 500 anslutningscykler
Vikt (gr) 1.87
Tullvarukod 85369010
Ursprungsland DE
Märkspänning 125 V
Märkt impulsspänning 1500 V
Märkström 3,0 A
Isoleringsmotstånd ≥ 1010 Ω
Nedsmutsningsgrad 2
Överspänningskategori II
Isolationsgrupp II
EMC godkänd oskärmad
Material kontakthus PA
Material kontaktinsats PA (UL94 HB) svart
Material kontaktelement CuZn (mässing)
Plätering kontaktelement Au (guld)
REACH SVHC CAS 7439-92-1 (Lead)
SCIP nummer 4e008f49-dae8-426c-8f2b-dc39e46db802
eCl@ss 11.1 27-44-01-02
ETIM 9.0 EC002635
Säkerhetsmeddelanden
  1. Anslutningen får inte sättas in eller kopplas bort under belastning. Bristande efterlevnad och felaktig användning kan leda till personskada.
  2. Anslutningarna har utvecklats för tillämpningsområden inom anläggning, styrning och konstruktion av elektriska enheter. Det är användarens ansvar att kontrollera om anslutningarna också kan användas inom andra användningsområden.
  3. Kontaktdon som används i kretsar med farliga kontaktspänningar får endast installeras och användas av eller under övervakning av personer som har utbildats i elektroteknik, med hänsyn till tillämpliga bestämmelser och standarder.
  4. Användaren måste vidta lämpliga säkerhetsåtgärder så att kontakten inte kan kopplas bort av misstag.
  5. Kontaktdon med skyddsklass IP67 och IP68 är inte lämpliga för användning under vatten. Vid användning utomhus måste kontakterna skyddas separat mot korrosion. Mer information om klasserna för IP-skydd finns i nedladdningscentret "Teknisk information".
  6. Observera graden av föroreningar och överspänningskategorin. Mer information finns i nedladdningscentret "Teknisk information".
Nedladdningar
Datablad
Datablad 99 9207 090 03
PDF
Datablad, Datablad 99 9207 090 03
Certifikat
UL-certifikat
PDF, 119.50 KB
REACH
99 9207 090 03
PDF
RoHS
99 9207 090 03
PDF
China RoHS
99 9207 090 03
PDF
EPLAN-data
99 9207 090 03

Verifiera för nedladdning

Slutför verifieringen för att fortsätta med CAD-nedladdningen.

CAD-data
Välj önskat format
Insnäppning IP67
99 9207 090 03