注文する: 86 6618 1120 00008
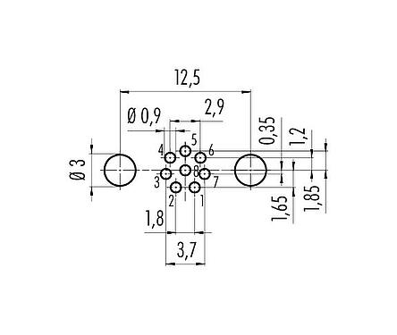
M8 メスパネルマウントコネクタ, 極数: 8, シールド可能, THT, IP67, UL 2238, M10x0.75, 背面パネルマウント
M8, シリーズ 718, オートメーションテクノロジー - センサ&アクチュエータ
一般的な機能
開く閉じる| 注文番号 |
86 6618 1120 00008
旧製品番号: 09 3426 81 08
|
| お知らせ |
旧オーダー番号から新オーダー番号への変更に伴い、技術仕様に差異が生じる場合がありますのでご了承ください。製品に関する詳細なご質問は、このウェブページの右側にある「カスタマーサービスへのお問い合わせ」をご利用ください。
開く |
| コネクタ設計 | メスパネルマウントコネクタ |
| 設計基準 | DIN EN 61076-2-104 |
| コーディング | Aコード |
| コネクタ形状 | コネクタメスストレート |
| コネクタロックシステム | ネジ |
| 終端処理 | THT |
| IP保護等級 | IP67 |
| 温度範囲 | -40 °C / 85 °C |
| 機械的な操作 | > 嵌合回数100 |
| 重量(g) | 5.14 |
| 関税番号 | 85369010 |
| 原産国 | DE |
電気的パラメータ
開く閉じる| 定格電圧 | 30V |
| 定格インパルス電圧 | 800V |
| 定格電流(40℃) | 1.5A |
| 汚染度 | 3 |
| 過電圧カテゴリ | II |
| 材料群 | II |
| EMC対応 | シールド可能 |
| シールド接続 | シールドプレート |
材料
開く閉じる| ハウジング部材質 | ニッケルメッキ亜鉛ダイカスト |
| 接触体の材質 | PA 黒 |
| 接触材料 | CuSn (ブロンズ) |
| 接点めっき | Au (ゴールド) |
| REACH SVHC |
CAS 7439-92-1 (Lead) |
| PFASの存在 | 27f5f238-c8af-4756-b408-202af5f4b60e |
認可・承認
開く閉じる| 入試のご案内 | UL 2238 |
分類
開く閉じる| eCl@ss 11.1 | 27-44-01-09 |
| ETIM 9.0 | EC003569 |
セキュリティに関するお知らせ
- 負荷のかかった状態でコネクタプラグの抜き差しをしないで下さい。不遵守や不適切な使用は、事故の原因となり得ます
- プラントエンジニアリング、制御、電気設備工事などの用途に向けて開発されたコネクタです。コネクタが他の用途にも使用できるかどうかは、ユーザーが責任を持って確認してください。
- 触ると危険な電圧の回路で使用されるコネクタは、適用される法規制や基準を考慮して、電気工学の訓練を受けた者のみが取り付け、またはその監督下で使用することができます。
- 誤ってコネクターを外すことがないように、ユーザーは適切な安全対策を講じる必要があります。
- エンクロージャ保護IP67およびIP68のプラグコネクタは、水中での使用には適していません。屋外で使用する場合は、プラグコネクタを腐食から別途保護する必要があります。IP保護等級の詳細については、「技術情報」ダウンロードセンターを参照してください。
- 汚染度と過電圧カテゴリを参照してください。詳しくは、ダウンロードセンター「技術情報」をご覧ください。
- ケーブルコネクタをデバイスコネクタで固定するには、ネジリングを「手で締め付ける」(約50cNm).
ダウンロード
データシート
データシート 86 6618 1120 00008
ダウンロード
証明書
UL証明書
ダウンロード
REACH
86 6618 1120 00008
ダウンロード
RoHS
86 6618 1120 00008
ダウンロード
China RoHS
86 6618 1120 00008
ダウンロード
EPLANデータ
86 6618 1120 00008
ダウンロード
ダウンロードの確認
CADダウンロードを続行するには、確認を完了してください。
CADデータ
タ-希望する形式を選択



