注文する: 09 0762 190 05
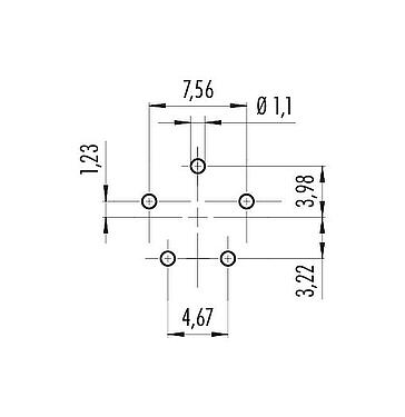
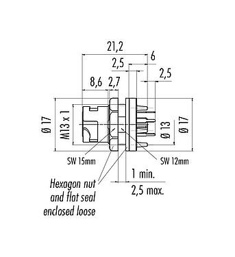
バヨネット メスパネルマウントコネクタ, 極数: 5, 非シールド, THT, 非嵌合時IP54, M13x1,0, 背面パネルマウント
バヨネットNCC, シリーズ 670, サブミニチュアコネクタ
一般的な機能
開く閉じる| 注文番号 | 09 0762 190 05 |
| コネクタ設計 | メスパネルマウントコネクタ |
| コネクタ形状 | コネクター ピンストレート |
| コネクタロックシステム | バヨネット |
| 終端処理 | THT |
| IP保護等級 |
非嵌合時IP54 IP67 |
| 接続断面 | 0.25mm² / AWG 24 |
| 温度範囲 | -25 °C / 85 °C |
| 機械的な操作 | > 嵌合回数1000 |
| 重量(g) | 4.00 |
| 関税番号 | 85369010 |
| 原産国 | DE |
電気的パラメータ
開く閉じる| 定格電圧 | 50V |
| 定格インパルス電圧 | 500V |
| 定格電流(40℃) | 2.0A |
| 汚染度 | 2 |
| 過電圧カテゴリ | II |
| 材料群 | II |
| EMC対応 | 非シールド |
材料
開く閉じる| ハウジング部材質 | PA |
| 接触体の材質 | PA |
| 接触材料 | CuSn (ブロンズ) |
| 接点めっき | Au (ゴールド) |
| REACH SVHC |
CAS 7439-92-1 (Lead) |
| PFASの存在 | e737ad6e-616d-4d0d-8c19-2f6581f7c961 |
分類
開く閉じる| eCl@ss 11.1 | 27-44-01-09 |
| ETIM 9.0 | EC003569 |
セキュリティに関するお知らせ
- 負荷のかかった状態でコネクタプラグの抜き差しをしないで下さい。不遵守や不適切な使用は、事故の原因となり得ます
- プラントエンジニアリング、制御、電気設備工事などの用途に向けて開発されたコネクタです。コネクタが他の用途にも使用できるかどうかは、ユーザーが責任を持って確認してください。
- 触ると危険な電圧の回路で使用されるコネクタは、適用される法規制や基準を考慮して、電気工学の訓練を受けた者のみが取り付け、またはその監督下で使用することができます。
- 誤ってコネクターを外すことがないように、ユーザーは適切な安全対策を講じる必要があります。
- エンクロージャ保護IP67およびIP68のプラグコネクタは、水中での使用には適していません。屋外で使用する場合は、プラグコネクタを腐食から別途保護する必要があります。IP保護等級の詳細については、「技術情報」ダウンロードセンターを参照してください。
- 汚染度と過電圧カテゴリを参照してください。詳しくは、ダウンロードセンター「技術情報」をご覧ください。
ダウンロード
データシート
データシート 09 0762 190 05
ダウンロード
REACH
09 0762 190 05
ダウンロード
RoHS
09 0762 190 05
ダウンロード
China RoHS
09 0762 190 05
ダウンロード
EPLANデータ
09 0762 190 05
ダウンロード
ダウンロードの確認
CADダウンロードを続行するには、確認を完了してください。
CADデータ
タ-希望する形式を選択



