選單
返回
  1. 賓德連接器產品
  2. 自動化科技-感測器和執行器
  3. M5
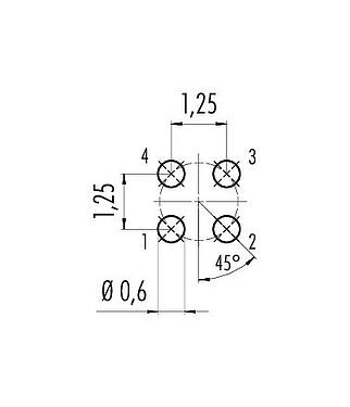
  4. M5 針頭法蘭座, : 4, 非遮罩, THT, IP67, M5x0.5, 後壁安裝, 模压
零件編號: 09 3111 81 04

M5 針頭法蘭座, : 4, 非遮罩, THT, IP67, M5x0.5, 後壁安裝, 模压

M5, 系列 707, 自動化技術.感測器和執行器
本文有更新版本
直接比較新舊版本
可用聯繫人數
產品對比
全身特徵
更多更少
零件編號 09 3111 81 04
連接器設計 針頭法蘭座
Type standard DIN EN 61076-2-105
編碼 A扣連接器
版本 直頭針頭電纜連接器
連接器鎖定系統 螺釘
服務終止 THT
防護等級 IP67
溫度範圍:/至 -25 °C / 80°C
機械使用壽命 > 100 插拔次數
重量 (g) 1.18
海關稅號 85369010
原產國 DE
額定電壓 60V
額定衝擊電壓 800V
額定電流 1.0A
絕緣電阻 > 108 Ω
污染程度 3
過電壓類別 II
絕緣材料組 I
EMC 合規性 非遮罩
接觸體材料 PA
觸點材料 銅鋅(黃銅)
觸點電鍍 Au (金)
REACH SVHC CAS 7439-92-1 (Lead)
存在 PFAS 831b6081-a573-43b4-986c-92440386a8f1
eCl@ss 11.1 27-44-01-09
ETIM 9.0 EC003569
安全須知
  1. 连接器在负载下不得插拔。不遵守和使用不当会造成人身伤害。
  2. 连接器的开发是为了应用于工厂工程、控制和电气设备建设。用户有责任检查连接器是否也能用于其他领域的应用。
  3. 用于有触电危险电压的电路中的连接器,只能由受过电气工程培训的人员安装和使用,或在其监督下安装和使用,同时考虑到适用的规定和标准。
  4. 用户必须采取适当的安全防范措施,以确保连接器不能意外断开
  5. 外壳防护等级为IP67和IP68的插头连接器不适合在水中使用。在室外使用时,插头连接器必须单独进行防腐蚀保护。有关IP保护等级的进一步信息,请参见 "技术信息 "下载中心。
  6. 请观察污染程度和过电压类别。更多信息请参考下载中心 "技术资料"。
  7. 为了将电缆接头与设备接头锁紧,螺纹环要用 "手拧紧"(约50 cNm)。
產品參數
產品參數 09 3111 81 04
PDF
REACH
09 3111 81 04
PDF
RoHS
09 3111 81 04
PDF
China RoHS
09 3111 81 04
PDF
EPLAN 數據
09 3111 81 04

驗證後下載

請完成驗證以繼續CAD下載。

CAD檔
選擇所需的格式
M5
09 3111 81 04