Référencee: 09 0082 20 04
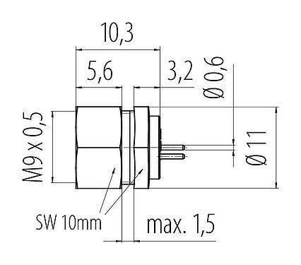
M9 Embase femelle, Contacts: 4, non blindé, THT, IP40, M9x0,5, Montage frontal
M9 IP40, série 711, Connecteurs subminiatures
Caractéristiques générales
Plusless| Référence | 09 0082 20 04 |
| Design du connecteur | Embase femelle |
| Version | Connecteur femelle droite |
| Verrouillage du connecteur | visser |
| Connexion | THT |
| Indice de protection | IP40 |
| Plage de températures de/à | -40 °C / 85 °C |
| Durée de vie mécanique | > 500 Cycles d'accouplement |
| Poids (g) | 2.93 |
| Numéro de tarif douanier | 85369010 |
| Pays d'origine | DE |
Caractéristiques électriques
Plusless| Tension nominale | 125 V |
| Tension de choc nominale | 1500 V |
| Courant nominal (40 °C) | 3,0 A |
| Résistance d'isolation | ≥ 108 Ω |
| Degré d’encrassement | 1 |
| Catégorie de surtension | II |
| Groupe de matériau isolant | III |
| Conformité CEM | non blindé |
Matériaux
Plusless| Matériau du corps de contact | PA (UL94 V-0) |
| Matériau du contact | CuSn (bronze) |
| Revêtement du contact | Au (or) |
| REACH SVHC |
CAS 7439-92-1 (Lead) |
| Numéro SCIP | 6c9046d6-a8ba-4100-b7fc-debd60a8e35f |
Classifications
Plusless| eCl@ss 11.1 | 27-44-01-09 |
| ETIM 9.0 | EC003569 |
Security notices
- Le connecteur ne doit pas être branché ou débranché sous charge. Le non-respect et l'utilisation inappropriée peuvent entraîner des dommages corporels.
- Les connecteurs ont été développés pour des applications dans l'ingénierie des usines, le contrôle et la construction d'équipements électriques. Il incombe à l'utilisateur de vérifier si les connecteurs peuvent également être utilisés dans d'autres domaines d'application.
- Les connecteurs utilisés dans des circuits dont la tension est dangereuse pour le toucher ne peuvent être installés et utilisés que par des personnes ayant une formation en électrotechnique ou sous leur supervision, en tenant compte des réglementations et normes applicables.
- Des précautions de sécurité appropriées doivent être prises par l'utilisateur pour s'assurer que le connecteur ne peut pas être débranché accidentellement.
- Veuillez observer le degré de pollution et la catégorie de surtension. Pour plus d'informations, veuillez vous référer au centre de téléchargement "Informations techniques".
Téléchargements
Fiche technique
Fiche technique 09 0082 20 04
download
REACH
09 0082 20 04
download
RoHS
09 0082 20 04
download
China RoHS
09 0082 20 04
download
Données CAO
Sélectionner le format souhaité




