Menu
Retour
  1. Produits
  2. Connecteurs miniatures
  3. M16 IP67
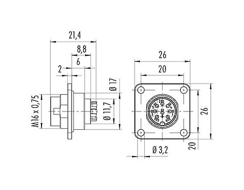
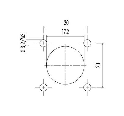
  4. M16 Embase mâle, carré, Contacts: 4 (04-a), non blindé, sertir (Les contacts à sertir doivent être commandés séparément), IP67, UL 2238, M3 (4x), Montage frontal
Référencee: 09 0111 370 04

M16 Embase mâle, carré, Contacts: 4 (04-a), non blindé, sertir (Les contacts à sertir doivent être commandés séparément), IP67, UL 2238, M3 (4x), Montage frontal

M16 IP67, série 723, Connecteurs miniatures
Comparatif
Téléchargements
Caractéristiques générales
Plusless
Référence 09 0111 370 04
Design du connecteur Embase mâle, carré
Norme de conception DIN EN 61076-2-106
Version Connecteur mâle droite
Verrouillage du connecteur visser
Connexion sertir (Les contacts à sertir doivent être commandés séparément)
Indice de protection IP67
Section de raccordement cliquez ici pour plus d'informations
Plage de températures de/à -40 °C / 100 °C
Durée de vie mécanique > 500 Cycles d'accouplement
Poids (g) 12.22
Numéro de tarif douanier 85369010
Pays d'origine DE
Tension nominale 250 V
Tension de choc nominale 1500 V
Courant nominal (40 °C) 6,0 A
Résistance d'isolation ≥ 1010 Ω
Degré d’encrassement 1
Groupe de matériau isolant III
Conformité CEM non blindé
Matériau du boîtier zinc coulé sous pression nickelé
Matériau du corps de contact PBT (UL94 V-0)
Matériau du contact en fonction du contact à sertir (accessoire)
Matériel de verrouillage Zinc coulé sous pression nickelé
REACH SVHC None (No pollutants)
Numéro SCIP SCIP-number not available
ETIM 9.0 EC003569
Copper (9903.78.01) 0.002785 kg
Security notices
  1. Le connecteur ne doit pas être branché ou débranché sous charge. Le non-respect et l'utilisation inappropriée peuvent entraîner des dommages corporels.
  2. Les connecteurs ont été développés pour des applications dans l'ingénierie des usines, le contrôle et la construction d'équipements électriques. Il incombe à l'utilisateur de vérifier si les connecteurs peuvent également être utilisés dans d'autres domaines d'application.
  3. Les connecteurs utilisés dans des circuits dont la tension est dangereuse pour le toucher ne peuvent être installés et utilisés que par des personnes ayant une formation en électrotechnique ou sous leur supervision, en tenant compte des réglementations et normes applicables.
  4. Les connecteurs avec une protection de boîtier IP67 et IP68 ne sont pas adaptés à une utilisation sous l'eau. En cas d'utilisation à l'extérieur, les connecteurs doivent être protégés séparément contre la corrosion. Pour plus d'informations sur les degrés de protection IP, veuillez vous référer au centre de téléchargement "Informations techniques.
  5. Veuillez observer le degré de pollution et la catégorie de surtension. Pour plus d'informations, veuillez vous référer au centre de téléchargement "Informations techniques".
  6. Pour verrouiller le connecteur du câble avec le connecteur de l'appareil, la bague filetée est serrée "à la main" (environ 60 cNm).
Téléchargements
Fiche technique
Fiche technique 09 0111 370 04
PDF
Fiche technique, Fiche technique 09 0111 370 04
Certificats
Certificat UL
PDF, 955.00 KB
REACH
09 0111 370 04
PDF
RoHS
09 0111 370 04
PDF
China RoHS
09 0111 370 04
PDF
Contacts à sertir et accessoires
Fiche technique des accessoires
PDF

Vérification pour le téléchargement

Veuillez terminer la vérification pour poursuivre le téléchargement CAD.

Données CAO
Sélectionner le format souhaité
M16 IP67
09 0111 370 04