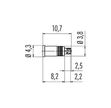
Référencee: 09 3111 71 04
M5 Encastrable mâle, Contacts: 4, non blindé, souder, IP67, pour tube M5
M5, série 707, Technologie d’automatisation - capteurs et actionneurs
Il existe une version plus récente de cet article
Comparaison directe ancienne/nouvelle version
86 7005 0002 00004
M5 Encastrable mâle, Contacts: 4, non blindé, souder, IP67, UL 2238, Montage frontal, pour tube M5
M5, série 707, Technologie d’automatisation - capteurs et actionneurs
Caractéristiques générales
Plusless| Référence | 09 3111 71 04 |
| Design du connecteur | Encastrable mâle |
| Norme de conception | DIN EN 61076-2-105 |
| Codage | A-codé |
| Version | Connecteur mâle droite |
| Verrouillage du connecteur | visser |
| Connexion | souder |
| Indice de protection | IP67 |
| Section de raccordement | 0,25 mm² / AWG 24 |
| Plage de températures de/à | -25 °C / 80 °C |
| Durée de vie mécanique | > 100 Cycles d'accouplement |
| Poids (g) | 0.16 |
| Numéro de tarif douanier | 85369010 |
| Pays d'origine | DE |
Caractéristiques électriques
Plusless| Tension nominale | 60 V |
| Tension de choc nominale | 800 V |
| Courant nominal (40 °C) | 1,0 A |
| Résistance d'isolation | > 108 Ω |
| Degré d’encrassement | 3 |
| Catégorie de surtension | II |
| Groupe de matériau isolant | I |
| Conformité CEM | non blindé |
Matériaux
Plusless| Matériau du corps de contact | PA |
| Matériau du contact | CuZn (laiton) |
| Revêtement du contact | Au (or) |
| REACH SVHC |
CAS 7439-92-1 (Lead) |
| Numéro SCIP | 18dd3355-0147-4f30-9d51-905147514a68 |
Classifications
Plusless| eCl@ss 11.1 | 27-44-01-09 |
| ETIM 9.0 | EC003569 |
Security notices
- Le connecteur ne doit pas être branché ou débranché sous charge. Le non-respect et l'utilisation inappropriée peuvent entraîner des dommages corporels.
- Les connecteurs ont été développés pour des applications dans l'ingénierie des usines, le contrôle et la construction d'équipements électriques. Il incombe à l'utilisateur de vérifier si les connecteurs peuvent également être utilisés dans d'autres domaines d'application.
- Les connecteurs utilisés dans des circuits dont la tension est dangereuse pour le toucher ne peuvent être installés et utilisés que par des personnes ayant une formation en électrotechnique ou sous leur supervision, en tenant compte des réglementations et normes applicables.
- Des précautions de sécurité appropriées doivent être prises par l'utilisateur pour s'assurer que le connecteur ne peut pas être débranché accidentellement.
- Les connecteurs avec une protection de boîtier IP67 et IP68 ne sont pas adaptés à une utilisation sous l'eau. En cas d'utilisation à l'extérieur, les connecteurs doivent être protégés séparément contre la corrosion. Pour plus d'informations sur les degrés de protection IP, veuillez vous référer au centre de téléchargement "Informations techniques.
- Veuillez observer le degré de pollution et la catégorie de surtension. Pour plus d'informations, veuillez vous référer au centre de téléchargement "Informations techniques".
- Pour verrouiller le connecteur du câble avec le connecteur de l'appareil, la bague filetée est serrée "à la main" (environ 50 cNm).
Téléchargements
Fiche technique
Fiche technique 09 3111 71 04
download
REACH
09 3111 71 04
download
RoHS
09 3111 71 04
download
China RoHS
09 3111 71 04
download
Données EPLAN
09 3111 71 04
download
Vérification pour le téléchargement
Veuillez terminer la vérification pour poursuivre le téléchargement CAD.
Données CAO
Sélectionner le format souhaité

