Ordinazione no: 09 2449 330 04
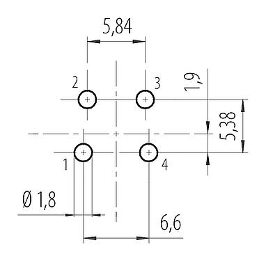
7/8" Connettore maschio a flangia, Numero poli: 4, non schermato, THT, IP68, UL 2238, VDE, Montaggio anteriore
7/8", serie 820, Tecnologia dell'automazione - alimentazione di tensione e alimentazione elettrica
Caratteristiche generali
piùless| Numero d'ordine | 09 2449 330 04 |
| Design del connettore | Connettore maschio a flangia |
| Versione | Connettore maschio diritto |
| Sistema di bloccaggio del connettore | a vite |
| Terminazione | THT |
| Grado di protezione | IP68 |
| Sezione del collegamento | 0,75 mm² / AWG 18 |
| Intervallo di temperatura da/a | -25 °C / 85 °C |
| Funzionamento meccanico | > 100 cicli di accoppiamento |
| Peso (gr) | 32.74 |
| Numero di tariffa doganale | 85369010 |
| Paese di origine | DE |
Parametri elettrici
piùless| Tensione nominale | 300 V (600 V UL) |
| Tensione nominale d'impulso | 4000 V |
| Corrente nominale | 8,0 A |
| Grado di inquinamento | 3 |
| Categoria di sovratensione | III |
| Gruppo di materiali | I |
| Conformità EMC | non schermato |
Materiale
piùless| Materiale dell'alloggiamento | Pressofusione di zinco placcato |
| Materiale del corpo del contatto | PUR |
| Materiale di contatto | CuZn (ottone) |
| Placcatura del contatto | Au (oro) |
| REACH SVHC |
CAS 7439-92-1 (Lead) |
| PFAS presenti | 32c4523e-6c14-4b2b-be38-32c721397abd |
Autorizzazioni/approvazioni
piùless| Approvals | UL 2238, VDE |
Classificazioni
piùless| eCl@ss 11.1 | 27-44-01-09 |
| ETIM 9.0 | EC003569 |
Avvisi di sicurezza
- Il connettore non deve essere inserito o disinserito sotto carico. L'inosservanza e l'uso improprio possono provocare lesioni personali.
- I connettori sono stati sviluppati per applicazioni nell'impiantistica, nel controllo e nella costruzione di apparecchiature elettriche. L'utente è responsabile di verificare se i connettori possono essere utilizzati anche in altri campi di applicazione.
- I connettori utilizzati in circuiti con tensioni pericolose al tatto possono essere installati e utilizzati solo da o sotto la supervisione di persone con una formazione in ingegneria elettrica, tenendo conto dei regolamenti e delle norme applicabili.
- L'utente deve prendere le opportune precauzioni di sicurezza per garantire che il connettore non possa essere scollegato accidentalmente.
- I connettori a spina con protezione dell'involucro IP67 e IP68 non sono adatti all'uso sotto l'acqua. Se utilizzati all'esterno, i connettori devono essere protetti separatamente dalla corrosione. Per ulteriori informazioni sulle classi di protezione IP, consultare le informazioni tecniche nell'area download
- Si prega di osservare il grado di inquinamento e la categoria di sovratensione. Per ulteriori informazioni, consultare le informazioni tecniche nell'area download
- Per bloccare il connettore del cavo al connettore del dispositivo, si consiglia di serrare l'anello filettato a 1,5 Nm. Come accessorio è disponibile una chiave dinamometrica adatta (codice d'ordine 07 0082 000).
Downloads
Scheda tecnica
Scheda tecnica 09 2449 330 04
Scaricare
Certificato
Certificato UL
Scaricare
Certificato
Certificato VDE
Scaricare
REACH
09 2449 330 04
Scaricare
RoHS
09 2449 330 04
Scaricare
China RoHS
09 2449 330 04
Scaricare
Dati EPLAN
09 2449 330 04
Scaricare
Verifica per scaricare
Completare la verifica per procedere con il download CAD.
Dati CAD
Scegliete il formato che preferite


