- Male or female cable connector, moulded
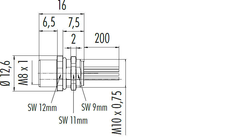
- Panel mount connectors with single wires
- Straight version
- Standard cable length 2 m and 5 m
- Standard length of single wires is 200 mm
- Configurable according to customer requirements
- Available from 03/18 on
15.01.2019
New product: M8 Cable and Panel Mount Connectors with 12 contacts
Загрузки
M8 Cable and Panel Mount Connectors with 12 contacts














