Нет заказа: 72 9139 000 04
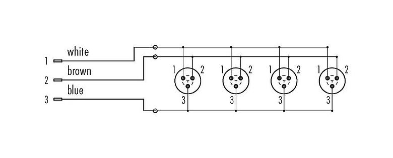
Защелка 4-сторонний распределитель, Количество полюсов: 3, не экранированный, вставной, IP67
Защелка IP67, серия 720, Миниатюрные разъемы
Общие характеристики
большеменьше| Номер для заказа | 72 9139 000 04 |
| Конструкция соединителя | 4-сторонний распределитель |
| Версия | Распределители |
| Система фиксации разъема | snap-in |
| Концевая заделка | вставной |
| Степень защиты | IP67 |
| Температурный диапазон от/до | -40 °C / 85 °C |
| Механическая операция | > 500 циклов соединения |
| Вес (г) | 146.94 |
| Номер таможенного тарифа | 85369010 |
Электрические параметры
большеменьше| Номинальное напряжение | 250 V |
| Номинальное импульсное напряжение | 2500 V |
| Номинальный ток | 7,0 A |
| Сопротивление изоляции | > 108 Ω |
| Степень загрязнения | 2 |
| Группа материала | II |
| Соответствие EMV | не экранированный |
Материал
большеменьше| Материал корпуса | ПА66 (UL94 HB) |
| Материал тела контакта | ПА черный |
| Материал контакта | CuSn (бронза) |
| Покрытие контактов | Au (золото) |
| REACH SVHC |
CAS 7439-92-1 (Lead) |
| Наличие PFAS | 521b4b52-f4d6-47af-8b7f-805044f55e06 |
Классификация
большеменьше| eCl@ss 11.1 | 27-06-03-11 |
| ETIM 9.0 | EC002638 |
Заявления о соответствии
большеменьше| Директива ЕС по низковольтному оборудованию | 2014/35/EU (EN 60529:1991 | 2014/35/EU;EN 60204-1:2018) |
Уведомления о безопасности
- Запрещается соединять и рассоединять разъемы под нагрузкой. Несоблюдение этого требования и неправильное использование могут привести к травмам.
- Эти разъемы были разработаны для применения в производственном, контрольном и электрическом оборудовании. Пользователь сам должен убедиться, что эти разъемы можно использовать и в других областях применения.
- Разъемы, которые используются в цепях с опасным напряжением, могут устанавливаться и эксплуатироваться только лицами, прошедшими обучение по электротехнике, или под их надзором, а также с учетом действующих норм и стандартов.
- Пользователь должен принять необходимые меры безопасности, чтобы исключить случайное рассоединение разъема.
- Штекерные разъемы, оболочка которых обеспечивает степень защиты IP67 и IP68, не подходят для использования под водой. При использовании вне помещений штекерные разъемы необходимо отдельно защищать от коррозии. Подробнее о классах защиты IP см. в центре материалов для скачивания «Техническая информация».
- Следует учитывать степень загрязнения и категорию перенапряжения. Подробнее см. в центре материалов для скачивания «Техническая информация».
Загрузки
Проспект изделия
Проспект изделия 72 9139 000 04
скачать
REACH
72 9139 000 04
скачать
RoHS
72 9139 000 04
скачать
China RoHS
72 9139 000 04
скачать
Заявления о соответствии
Директива ЕС по низковольтному оборудованию
скачать
Заявление о соответствии UKCA
Электрооборудование
скачать
Проверка для загрузки
Пожалуйста, завершите проверку для продолжения загрузки CAD.
CAD-файлы
Выберите нужный формат


