Нет заказа: 08 2629 000 001
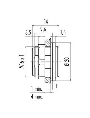
Защелка Адаптерная, не экранированный, Монтаж задней стенки, привинчивается спереди
Защелка IP67, серия 620, Сверхминиатюрные разъемы
Общие характеристики
большеменьше| Номер для заказа | 08 2629 000 001 |
| Конструкция соединителя | Адаптерная |
| Версия | Адаптерная |
| Вес (г) | 4.02 |
| Номер таможенного тарифа | 85366990 |
Электрические параметры
большеменьше| Степень загрязнения | 2 |
| Соответствие EMV | не экранированный |
Материал
большеменьше| Материал корпуса | ПА |
| Материал тела контакта | ПА (UL94 V-0) |
| REACH SVHC |
CAS 7439-92-1 (Lead) |
| Наличие PFAS | afa3e37b-2646-4be0-8d97-706c022b4b3b |
Классификация
большеменьше| eCl@ss 11.1 | 27-44-02-08 |
| ETIM 9.0 | EC002638 |
Уведомления о безопасности
- Запрещается соединять и рассоединять разъемы под нагрузкой. Несоблюдение этого требования и неправильное использование могут привести к травмам.
- Эти разъемы были разработаны для применения в производственном, контрольном и электрическом оборудовании. Пользователь сам должен убедиться, что эти разъемы можно использовать и в других областях применения.
- Разъемы, которые используются в цепях с опасным напряжением, могут устанавливаться и эксплуатироваться только лицами, прошедшими обучение по электротехнике, или под их надзором, а также с учетом действующих норм и стандартов.
- Пользователь должен принять необходимые меры безопасности, чтобы исключить случайное рассоединение разъема.
- Штекерные разъемы, оболочка которых обеспечивает степень защиты IP67 и IP68, не подходят для использования под водой. При использовании вне помещений штекерные разъемы необходимо отдельно защищать от коррозии. Подробнее о классах защиты IP см. в центре материалов для скачивания «Техническая информация».
- Следует учитывать степень загрязнения и категорию перенапряжения. Подробнее см. в центре материалов для скачивания «Техническая информация».
Загрузки
Проспект изделия
Проспект изделия 08 2629 000 001
скачать
REACH
08 2629 000 001
скачать
RoHS
08 2629 000 001
скачать
China RoHS
08 2629 000 001
скачать
Проверка для загрузки
Пожалуйста, завершите проверку для продолжения загрузки CAD.
CAD-файлы
Выберите нужный формат



