Нет заказа: 99 9208 090 03
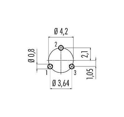
Защелка Фланцевая розетка, Количество полюсов: 3, не экранированный, THT, IP67, UL 2238, M8x0,75, Фронтальное крепление
Защелка IP67, серия 620, Сверхминиатюрные разъемы
Общие характеристики
большеменьше| Номер для заказа | 99 9208 090 03 |
| Конструкция соединителя | Фланцевая розетка |
| Версия | Pазъем розетка прямой |
| Система фиксации разъема | snap-in |
| Концевая заделка | THT |
| Степень защиты | IP67 |
| Температурный диапазон от/до | -25 °C / 85 °C |
| Механическая операция | > 500 циклов соединения |
| Вес (г) | 2.35 |
| Номер таможенного тарифа | 85369010 |
| Страна происхождения | DE |
Электрические параметры
большеменьше| Номинальное напряжение | 125 V |
| Номинальное импульсное напряжение | 1500 V |
| Номинальный ток | 3,0 A |
| Сопротивление изоляции | ≥ 1010 Ω |
| Степень загрязнения | 2 |
| Категория перенапряжения | II |
| Группа материала | II |
| Соответствие EMV | не экранированный |
Материал
большеменьше| Материал корпуса | ПА |
| Материал тела контакта | ПА (UL94 HB) черный |
| Материал контакта | CuSn (бронза) |
| Покрытие контактов | Au (золото) |
| REACH SVHC |
CAS 7439-92-1 (Lead) |
| Наличие PFAS | 1b2d2edc-1681-40b5-9611-a698724cd29d |
Авторизация/утверждение
большеменьше| Approvals | UL 2238 |
Классификация
большеменьше| eCl@ss 11.1 | 27-44-01-02 |
| ETIM 9.0 | EC002635 |
Уведомления о безопасности
- Запрещается соединять и рассоединять разъемы под нагрузкой. Несоблюдение этого требования и неправильное использование могут привести к травмам.
- Эти разъемы были разработаны для применения в производственном, контрольном и электрическом оборудовании. Пользователь сам должен убедиться, что эти разъемы можно использовать и в других областях применения.
- Разъемы, которые используются в цепях с опасным напряжением, могут устанавливаться и эксплуатироваться только лицами, прошедшими обучение по электротехнике, или под их надзором, а также с учетом действующих норм и стандартов.
- Пользователь должен принять необходимые меры безопасности, чтобы исключить случайное рассоединение разъема.
- Штекерные разъемы, оболочка которых обеспечивает степень защиты IP67 и IP68, не подходят для использования под водой. При использовании вне помещений штекерные разъемы необходимо отдельно защищать от коррозии. Подробнее о классах защиты IP см. в центре материалов для скачивания «Техническая информация».
- Следует учитывать степень загрязнения и категорию перенапряжения. Подробнее см. в центре материалов для скачивания «Техническая информация».
Загрузки
Проспект изделия
Проспект изделия 99 9208 090 03
скачать
Сертификат
сертификат UL
скачать
REACH
99 9208 090 03
скачать
RoHS
99 9208 090 03
скачать
China RoHS
99 9208 090 03
скачать
Данные EPLAN
99 9208 090 03
скачать
Проверка для загрузки
Пожалуйста, завершите проверку для продолжения загрузки CAD.
CAD-файлы
Выберите нужный формат




