Tilauksen numero: 86 6319 1120 00004
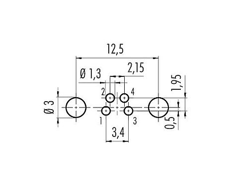
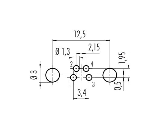
M8 Laippapistoke, Napojen määrä: 4, suojattavissa, THT, IP67, UL 2238, M8x1,0, Kiinnitys takaseinään
M8, Sarja 718, Automaatiotekniikka – sensoriikka ja toimilaitetekniikka
Yleiset ominaisuudet
mehrweniger| Ordernummer | 
    
    
        86 6319 1120 00004
      
  
   Alternativt ordernummer: 09 3421 81 04
      | 
| Observera | 
      
    
        Huomaa, että vanhojen tilausnumeroiden vaihtuminen uusiin voi aiheuttaa poikkeavuuksia teknisissä erittelyissä. Kysy tarkempia tietoja tuotteesta kohdassa "Yhteys asiakaspalveluun" tämän verkkosivun oikeassa reunassa.
      
  
     mehr | 
| Anslutningsdesign | Laippapistoke | 
| Tyyppistandardi | DIN EN 61076-2-104 | 
| Koodaus | A-koodattu | 
| Versio | Liitin uros suora | 
| Kontaktlåsning | ruuvaus/salpa | 
| Anslutningstyp | THT | 
| Typ av skydd | IP67 | 
| Begränsa temperaturen från / till | -40 °C / 85 °C | 
| Mekanisk livslängd | > 100 liitäntäsykliä | 
| Vikt (gr) | 4.54 | 
| Tulltaxenummer | 85369010 | 
| Alkuperämaa | DE | 
Sähköiset ominaisuudet
mehrweniger| Märkspänning | 50 V (AC) / 60 V (DC) | 
| Märkd impulsspänning | 1500 V | 
| Märkström | 4,0 A | 
| Grad | 3 | 
| Överspänningskategori | II | 
| Gruppen isolerande material | II | 
| EMC lämplighet | suojattavissa | 
| Suojaliitäntä | Suojalevy | 
Materiaalit
mehrweniger| Materialbostäder | sinkkipainevalu nikkelöity | 
| Material Kontakt kropp | PA musta | 
| Materialkontakt | CuZn (messinki) | 
| Kontaktyta | Au (kulta) | 
| REACH SVHC | 
        
          
            
    
        CAS 7439-92-1 (Lead) | 
| PFAS-yhdisteiden esiintyminen | 693d88b0-79a1-4b10-a78c-45a5ffb9c6ac | 
Auktoriserings / godkännanden
mehrweniger| Hyväksynnät | UL 2238 | 
| Normit ja asetukset | 
        
          
            
    
        DIN EN 61373 DIN EN 45545-2 (nicht klassifizierte brennbare Masse <10g)  | 
Luokitukset
mehrweniger| eCl@ss 11.1 | 27-44-01-09 | 
| ETIM 9.0 | EC003569 | 
Turvallisuushuomautukset
- Liittimiä ei saa asentaa tai irrottaa kuormituksen alaisena. Laitteiden noudattamatta jättäminen ja virheellinen käyttö voi johtaa henkilövahinkoihin.
 - Liittimet on kehitetty käyttökohteisiin tehdas-, ohjaus- ja sähkölaitteiden rakentamisessa. Käyttäjän vastuulla on tarkistaa, voidaanko liittimiä käyttää myös muilla sovellusalueilla.
 - Pistokeliittimet, joita käytetään piireissä, joissa on vaarallinen kosketusjännite, saa asentaa ja käyttää vain sähkötekniikan koulutuksen saaneet henkilöt tai heidän valvonnassaan ottaen huomioon sovellettavat määräykset ja standardit.
 - Käyttäjän on toteutettava asianmukaiset turvatoimenpiteet, jotta liitintä ei voida vahingossa irrottaa.
 - Liittimet, joiden suojausluokka on IP67 ja IP68, eivät sovellu käytettäväksi veden alla. Ulkona käytettäessä liittimet on suojattava erikseen korroosiolta. Lisätietoja IP-suojausluokista on teknisten tietojen latauskeskuksessa.
 - Huomaa saasteaste ja ylijännitekategoria. Lisätietoja on teknisten tietojen latauskeskuksessa.
 - Kaapeliliittimen lukitsemiseksi laiteliittimellä kierteitetty rengas kiristetään "käsin tiukasti" (noin 50 cNm).
 




