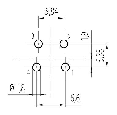
Tilauksen numero: 09 2448 180 04
7/8" Laippapistorasia, Napojen määrä: 4, suojaamaton, THT, IP68, UL 2238, VDE, Kiinnitys takaseinään, valettu
7/8", Sarja 820, Automaatiotekniikka - jännitteensyöttö ja tehonsyöttö
Yleiset ominaisuudet
mehrweniger| Ordernummer | 09 2448 180 04 |
| Anslutningsdesign | Laippapistorasia |
| Versio | Liitin naaras suora |
| Kontaktlåsning | ruuvaus |
| Anslutningstyp | THT |
| Typ av skydd | IP68 |
| Liitännän poikkileikkaus | 0,75 mm² / AWG 18 |
| Begränsa temperaturen från / till | -25 °C / 85 °C |
| Mekanisk livslängd | > 100 liitäntäsykliä |
| Vikt (gr) | 61.75 |
| Tulltaxenummer | 85369010 |
| Alkuperämaa | DE |
Sähköiset ominaisuudet
mehrweniger| Märkspänning | 300 V (600 V UL) |
| Märkd impulsspänning | 4000 V |
| Märkström | 8,0 A |
| Grad | 3 |
| Överspänningskategori | III |
| Gruppen isolerande material | I |
| EMC lämplighet | suojaamaton |
Materiaalit
mehrweniger| Materialbostäder | sinkkipainevalu nikkelöity |
| Material Kontakt kropp | PUR |
| Materialkontakt | CuZn (messinki) |
| Kontaktyta | Au (kulta) |
| REACH SVHC |
CAS 7439-92-1 (Lead) |
| PFAS-yhdisteiden esiintyminen | a475a42d-b2a5-4510-a9f5-bcaae8b539b3 |
Auktoriserings / godkännanden
mehrweniger| Hyväksynnät | UL 2238, VDE |
Luokitukset
mehrweniger| eCl@ss 11.1 | 27-44-01-09 |
| ETIM 9.0 | EC003569 |
Turvallisuushuomautukset
- Liittimiä ei saa asentaa tai irrottaa kuormituksen alaisena. Laitteiden noudattamatta jättäminen ja virheellinen käyttö voi johtaa henkilövahinkoihin.
- Liittimet on kehitetty käyttökohteisiin tehdas-, ohjaus- ja sähkölaitteiden rakentamisessa. Käyttäjän vastuulla on tarkistaa, voidaanko liittimiä käyttää myös muilla sovellusalueilla.
- Pistokeliittimet, joita käytetään piireissä, joissa on vaarallinen kosketusjännite, saa asentaa ja käyttää vain sähkötekniikan koulutuksen saaneet henkilöt tai heidän valvonnassaan ottaen huomioon sovellettavat määräykset ja standardit.
- Käyttäjän on toteutettava asianmukaiset turvatoimenpiteet, jotta liitintä ei voida vahingossa irrottaa.
- Liittimet, joiden suojausluokka on IP67 ja IP68, eivät sovellu käytettäväksi veden alla. Ulkona käytettäessä liittimet on suojattava erikseen korroosiolta. Lisätietoja IP-suojausluokista on teknisten tietojen latauskeskuksessa.
- Huomaa saasteaste ja ylijännitekategoria. Lisätietoja on teknisten tietojen latauskeskuksessa.
- Kaapeliliittimen lukitsemiseksi laiteliittimeen suosittelemme kiristämään kierrerenkaan 1,5 Nm:n momenttiin. Sopiva momenttiavain on saatavana lisävarusteena (tilausnumero 07 0082 000).
Lataukset
Tietolomake
Tietolomake 09 2448 180 04
download
Sertifikaatit
UL-hyväksyntä
download
Sertifikaatit
VDE-hyväksyntä
download
REACH
09 2448 180 04
download
RoHS
09 2448 180 04
download
China RoHS
09 2448 180 04
download
EPLAN-tiedot
09 2448 180 04
download
Vahvista ladattavaksi
Suorita vahvistus jatkaaksesi CAD-latausta.
CAD-tiedot
Valitse haluamasi muoto



