Tilauksen numero: 86 1240 1100 00044
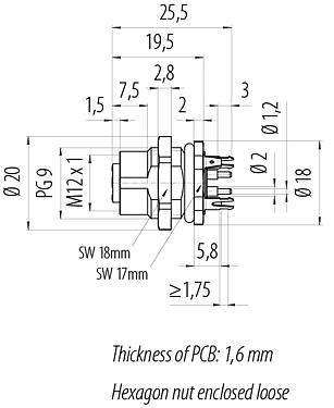
M12 Laippapistorasia, Napojen määrä: 4, suojattu, THT, IP68, UL 2238, PG 9, Kiinnitys takaseinään
M12-T, Sarja 813, Automaatiotekniikka - jännitteensyöttö ja tehonsyöttö
Yleiset ominaisuudet
mehrweniger| Ordernummer | 86 1240 1100 00044 |
| Anslutningsdesign | Laippapistorasia |
| Koodaus | T-koodattu |
| Versio | Paneeliasennettavat liittimet |
| Kontaktlåsning | ruuvaus |
| Anslutningstyp | THT |
| Typ av skydd | IP68 |
| Liitännän poikkileikkaus | max. 1,50 mm² holkilla / maxs. 2,50 mm² ilman holkkia |
| Begränsa temperaturen från / till | -40 °C / 85 °C |
| Mekanisk livslängd | > 100 liitäntäsykliä |
| Vikt (gr) | 17.11 |
| Tulltaxenummer | 85369010 |
Sähköiset ominaisuudet
mehrweniger| Märkspänning | 63 V |
| Märkd impulsspänning | 1500 V |
| Märkström | 12,0 A |
| Isoleringsmotstånd | > 108 Ω |
| Grad | 3 |
| Överspänningskategori | III |
| Gruppen isolerande material | II |
| EMC lämplighet | suojattu |
Materiaalit
mehrweniger| Material Kontakt kropp | sinkkipainevalu nikkelöity |
| Materialkontakt | CuZn (messinki) |
| Kontaktyta | Au (kulta) |
| Lukitusmateriaali | Sinkkipainevalu nikkelöity |
| REACH SVHC |
CAS 7439-92-1 (Lead) |
| PFAS-yhdisteiden esiintyminen | a3d21f95-b381-4a5f-94ea-2b7ca8ce50ec |
Auktoriserings / godkännanden
mehrweniger| Hyväksynnät | UL 2238 |
CE-vaatimustenmukaisuusvakuutus
mehrweniger| Pienjännitedirektiivit | 2014/35/EU (EN 60204-1:2018 | 2011/65/EU;EN 50581:2012 | 2014/35/EU;EN 60529:1991) |
| RoHS-direktiivi | 2011/65/EU (EN 50581:2012) |
Turvallisuushuomautukset
- Liittimiä ei saa asentaa tai irrottaa kuormituksen alaisena. Laitteiden noudattamatta jättäminen ja virheellinen käyttö voi johtaa henkilövahinkoihin.
- Liittimet on kehitetty käyttökohteisiin tehdas-, ohjaus- ja sähkölaitteiden rakentamisessa. Käyttäjän vastuulla on tarkistaa, voidaanko liittimiä käyttää myös muilla sovellusalueilla.
- Pistokeliittimet, joita käytetään piireissä, joissa on vaarallinen kosketusjännite, saa asentaa ja käyttää vain sähkötekniikan koulutuksen saaneet henkilöt tai heidän valvonnassaan ottaen huomioon sovellettavat määräykset ja standardit.
- Käyttäjän on toteutettava asianmukaiset turvatoimenpiteet, jotta liitintä ei voida vahingossa irrottaa.
- Liittimet, joiden suojausluokka on IP67 ja IP68, eivät sovellu käytettäväksi veden alla. Ulkona käytettäessä liittimet on suojattava erikseen korroosiolta. Lisätietoja IP-suojausluokista on teknisten tietojen latauskeskuksessa.
- Huomaa saasteaste ja ylijännitekategoria. Lisätietoja on teknisten tietojen latauskeskuksessa.
- Kaapeliliittimen lukitsemiseksi laiteliittimellä kierteitetty rengas kiristetään "käsin tiukasti" (noin 60 cNm).
Lataukset
Tietolomake
Tietolomake 86 1240 1100 00044
download
Sertifikaatit
UL-hyväksyntä
download
REACH
86 1240 1100 00044
download
RoHS
86 1240 1100 00044
download
China RoHS
86 1240 1100 00044
download
CE-vaatimustenmukaisuusvakuutus
Pienjännitedirektiivit
download
UKCA-Konformitätserklärung
Sähkölaitteet
download
CE-vaatimustenmukaisuusvakuutus
RoHS-direktiivi
download
UKCA-Konformitätserklärung
UK-RoHS
download
CAD-tiedot
STP-Tiedot 86 1240 1100 00044
download
CAD-tiedot
Other formats
TraceParts



