Tilauksen numero: 09 0416 55 05
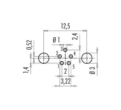
M9 Laippapistorasia, kulma, Napojen määrä: 5, suojattavissa, THT, IP67, Kiinnitys takaseinään, valettu
M9 IP67, Sarja 712, Subminiature-liittimet
Yleiset ominaisuudet
mehrweniger| Ordernummer | 09 0416 55 05 |
| Anslutningsdesign | Laippapistorasia, kulma |
| Versio | Liitin naaras kulmassa |
| Kontaktlåsning | ruuvaus |
| Anslutningstyp | THT |
| Typ av skydd | IP67 |
| Begränsa temperaturen från / till | -40 °C / 85 °C |
| Mekanisk livslängd | > 500 liitäntäsykliä |
| Vikt (gr) | 6.18 |
| Tulltaxenummer | 85369010 |
| Alkuperämaa | DE |
Sähköiset ominaisuudet
mehrweniger| Märkspänning | 125 V |
| Märkd impulsspänning | 1500 V |
| Märkström | 3,0 A |
| Isoleringsmotstånd | ≥ 108 Ω |
| Grad | 1 |
| Överspänningskategori | II |
| Gruppen isolerande material | III |
| EMC lämplighet | suojattavissa |
| Suojaliitäntä | Suojalevy |
Materiaalit
mehrweniger| Material Kontakt kropp | PA (UL94 V-0) |
| Materialkontakt | CuSn (pronssi) |
| Kontaktyta | Au (kulta) |
| REACH SVHC |
CAS 7439-92-1 (Lead) |
| PFAS-yhdisteiden esiintyminen | ead301fc-1fb3-49e9-afcb-2578b9dc3172 |
Luokitukset
mehrweniger| eCl@ss 11.1 | 27-44-01-09 |
| ETIM 9.0 | EC003569 |
Turvallisuushuomautukset
- Liittimiä ei saa asentaa tai irrottaa kuormituksen alaisena. Laitteiden noudattamatta jättäminen ja virheellinen käyttö voi johtaa henkilövahinkoihin.
- Liittimet on kehitetty käyttökohteisiin tehdas-, ohjaus- ja sähkölaitteiden rakentamisessa. Käyttäjän vastuulla on tarkistaa, voidaanko liittimiä käyttää myös muilla sovellusalueilla.
- Liittimet, joiden suojausluokka on IP67 ja IP68, eivät sovellu käytettäväksi veden alla. Ulkona käytettäessä liittimet on suojattava erikseen korroosiolta. Lisätietoja IP-suojausluokista on teknisten tietojen latauskeskuksessa.
Lataukset
Tietolomake
Tietolomake 09 0416 55 05
download
REACH
09 0416 55 05
download
RoHS
09 0416 55 05
download
China RoHS
09 0416 55 05
download
EPLAN-tiedot
09 0416 55 05
download
Vahvista ladattavaksi
Suorita vahvistus jatkaaksesi CAD-latausta.
CAD-tiedot
Valitse haluamasi muoto



