Đặt hàng không: 86 6218 0002 00003
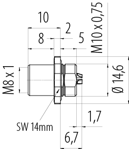
M8 Ổ cắm gắn bảng, Số lượng cực : 3, hàn, IP67/IP69K, M10x0,75, Gắn phía trước, với cốc hàn
M8, series 718, Công nghệ tự động hóa - cảm biến và thiết bị truyền động
Các tính năng chung
thêmít hơn| Số đặt hàng | 86 6218 0002 00003 |
| Thiết kếđầu nối | Ổ cắm gắn bảng |
| Phiên bản | Đầu nối gắn bảng điều khiển |
| Đầu nối hệ thống khóa | vít |
| Chấm dứt | hàn |
| Mức độ bảo vệ | IP67/IP69K |
| Mặt cắt kết nối | 0.14-0.34 mm² / AWG 22 |
| Phạm vi nhiệt độ từ/đến | -40 °C / 85 °C |
| Trọng lượng (gr) | 5.16 |
| Số thuế hải quan | 85369010 |
| Nước xuất xứ | DE |
Thông số điện
thêmít hơn| Điện áp định mức | 50V (AC)/60V (DC) |
| Điện áp xung định mức | 1500V |
| Dòng định mức (40 ° C) | 2A (0,14mm²)/4A |
| Điện trở cách điện | > 108 Ω |
| Mức độ ô nhiễm | 3 |
| Danh mục quá áp | III |
| Nhóm vật liệu | II |
Chất liệu
thêmít hơn| Chất liệu của vỏ bọc | CuZn (Đồng thau mạ niken) |
| Chất liệu tiếp xúc | CuSn (đồng) |
| Mạ tiếp xúc | Au (vàng) |
| REACH SVHC |
None (No pollutants) |
| PFAS hiện tại | SCIP-number not available |
Tuyên bố tuân thủ
thêmít hơn| Chỉ thị về điện áp thấp | 2014/35/EU (EN 60529:1991 | 2014/35/EU;EN 60204-1:2018) |
Thông báo bảo mật
- Đầu nối không được lắp vào hoặc ngắt kết nối khi chịu tải. Không tuân thủ hướng dẫn và sử dụng không đúng cách có thế dẫn đến hư hỏng
- Các đầu nối đã được phát triển cho các lĩnh vực ứng dụng trong xây dựng nhà máy, điều khiển và thiết bị điện. Người dùng có trách nhiệm kiểm tra xem các đầu nối có thể được sử dụng trong các lĩnh vực ứng dụng khác hay không.
- Các đầu nối phích cắm được sử dụng trong mạch điện có điện áp tiếp xúc nguy hiểm chỉ được lắp đặt và sử dụng dưới sự giám sát của những người đã được đào tạo về kỹ thuật điện, có hiểu biết về các quy định và tiêu chuẩn hiện hành.
- Người dùng phải thực hiện các biện pháp phòng ngừa an toàn phù hợp để tránh trường hợp vô tình ngắt kết nối.
- Các đầu nối có cấp bảo vệ IP67 và IP68 không thích hợp để sử dụng dưới nước. Khi sử dụng ngoài trời, các đầu nối phải được bảo vệ riêng để chống ăn mòn. Để biết thêm thông tin về các lớp bảo vệ IP, hãy xem trung tâm tải xuống "Thông tin kỹ thuật".
- Vui Lòng Lưu Ý Mức Độ Ô Nhiễm Và Loại Quá Áp. Để Biết Thêm Thông Tin, Hãy Xem Trung Tâm Tải Xuống "Thông Tin kỹ thuật".
- Để khóa đầu nối cáp với đầu nối thiết bị, vòng ren được siết "chặt bằng tay" (khoảng 40cNm). Cờ lê lực dành cho SW9 có sẵn dưới dạng phụ kiện (mã đặt hàng 07 0085 000).
Tải về
Bảng dữliệu
Bảng dữliệu 86 6218 0002 00003
tải xuống
REACH
86 6218 0002 00003
tải xuống
RoHS
86 6218 0002 00003
tải xuống
China RoHS
86 6218 0002 00003
tải xuống
Tuyên bố tuân thủ CE
Chỉ thị về điện áp thấp
tải xuống
Tuyên bố tuân thủ UKCA
Thiết bị điện
tải xuống
Dữ liệu CAD
STP-Dữ liệu 86 6218 0002 00003
tải xuống
Dữ liệu CAD
Chọn định dạng mong muốn
TraceParts




