Đặt hàng không: 76 0242 0136 00033-0200
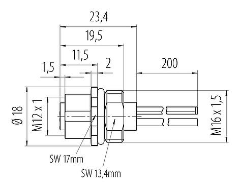
M12 Ổ cắm gắn bảng, Số lượng cực : 3, không có chống nhiễu, dây đơn, IP68, UL 2238, M16x1,5, Gắn phía trước, túp lều
M12-S, series 814, Công nghệ tự động hóa - cung cấp điện áp và cung cấp điện
Các tính năng chung
thêmít hơn| Số đặt hàng |
76 0242 0136 00033-0200
Số hiệu sản phẩm cũ: 09 0688 700 03
|
| Chú ý |
Xin lưu ý rằng do sự thay đổi từ số thứ tự cũ sang số mới, sự sai lệch trong thông số kỹ thuật có thể xảy ra. Đối với các câu hỏi chi tiết về sản phẩm, vui lòng sử dụng mô-đun "Liên hệ với Dịch vụ khách hàng" ở bên phải của trang web này.
thêm |
| Thiết kếđầu nối | Ổ cắm gắn bảng |
| Tiêu chuẩn thiết kế | DIN EN IEC 61076-2-111:2018-10;VDE 0687-76-2-111:2018-10 |
| Mã hoá | Mã hóa S |
| Chiều dài dây | 0,2m (Tiêu chuẩn 0,2 m. Có thể có độ dài khác theo yêu cầu.) |
| Phiên bản | Đầu nối đầu cắm cái thẳng |
| Đầu nối hệ thống khóa | vít |
| Chấm dứt | dây đơn |
| Mức độ bảo vệ | IP68 |
| Mặt cắt kết nối | 1,50mm² / AWG 16 |
| Phạm vi nhiệt độ từ/đến | -40 °C / 85 °C |
| Vận hành cơ học | > 100 chu kỳ kết nối |
| Trọng lượng (gr) | 20.47 |
| Số thuế hải quan | 85369010 |
| Nước xuất xứ | DE |
Thông số điện
thêmít hơn| Điện áp định mức | 630V |
| Điện áp xung định mức | 6000V |
| Dòng định mức (40 ° C) | 16,0A |
| Mức độ ô nhiễm | 3 |
| Danh mục quá áp | III |
| Nhóm vật liệu | II |
| Tuân thủ EMV | không có chống nhiễu |
Chất liệu
thêmít hơn| Chất liệu của vỏ bọc | kẽm đúc mạ niken |
| Vật liệu của phần tiếp xúc | PA |
| Chất liệu tiếp xúc | CuSn (đồng) |
| Mạ tiếp xúc | Au (vàng) |
| REACH SVHC |
CAS 7439-92-1 (Lead) |
| PFAS hiện tại | d4ac98e7-ebeb-48be-8ed2-2fc16b8a6cea |
Dữ liệu về dây dẫn
thêmít hơn| Cấu trúc dây | |
| Tiết diện (mm²) | 3x1,50mm² |
| Tiết diện (AWG) | 3xAWG 16 |
| Đường kính dây | 2,3 mm |
| Màu dây |
màu vàng/xanh lá màu đen |
| Vật liệu vỏ bọc | mPPE |
| Chất liệu dây | Đồng (mạ thiếc) |
| Cấu trúc dây | 40x0,210mm |
| Tính chất điện | |
| Điện áp định mức | 1000V |
| Điện áp xung định mức | 3000V |
| Điện trở dây | 14,6 Ω/Km (20°C) |
| Điện trở cách điện | 20,0 MΩ/Km (20 °C) |
| Tính chất nhiệt | |
| Dải nhiệt độ dây trong quá trình di chuyển từ / đến (°C) | -10 °C / 105°C |
| Phạm vi nhiệt độ dây cố định từ / đến (°C) | -40 °C / 105°C |
Ủy quyền/phê duyệt
thêmít hơn| Approvals | UL 2238 |
Phân loại
thêmít hơn| eCl@ss 11.1 | 27-44-01-09 |
| ETIM 9.0 | EC003569 |
Thông báo bảo mật
- Đầu nối không được lắp vào hoặc ngắt kết nối khi chịu tải. Không tuân thủ hướng dẫn và sử dụng không đúng cách có thế dẫn đến hư hỏng
- Các đầu nối đã được phát triển cho các lĩnh vực ứng dụng trong xây dựng nhà máy, điều khiển và thiết bị điện. Người dùng có trách nhiệm kiểm tra xem các đầu nối có thể được sử dụng trong các lĩnh vực ứng dụng khác hay không.
- Các đầu nối phích cắm được sử dụng trong mạch điện có điện áp tiếp xúc nguy hiểm chỉ được lắp đặt và sử dụng dưới sự giám sát của những người đã được đào tạo về kỹ thuật điện, có hiểu biết về các quy định và tiêu chuẩn hiện hành.
- Người dùng phải thực hiện các biện pháp phòng ngừa an toàn phù hợp để tránh trường hợp vô tình ngắt kết nối.
- Các đầu nối có cấp bảo vệ IP67 và IP68 không thích hợp để sử dụng dưới nước. Khi sử dụng ngoài trời, các đầu nối phải được bảo vệ riêng để chống ăn mòn. Để biết thêm thông tin về các lớp bảo vệ IP, hãy xem trung tâm tải xuống "Thông tin kỹ thuật".
- Vui Lòng Lưu Ý Mức Độ Ô Nhiễm Và Loại Quá Áp. Để Biết Thêm Thông Tin, Hãy Xem Trung Tâm Tải Xuống "Thông Tin kỹ thuật".
- Để khóa đầu nối cáp với đầu nối thiết bị, vòng ren được siết chặt "chặt tay" (khoảng 60cNm).
- Trong trường hợp đầu nối cáp có vòng ren kim loại, điều cần thiết là đảm bảo rằng chúng được kết nối với tiếp điểm bảo vệ PE của đầu nối thiết bị. Không cho phép các đường kết nối giữa phích cắm thiết bị không được kết nối với tiếp điểm PE. Người sử dụng phải đảm bảo kết nối liên tục của dây dẫn bảo vệ.
Tải về
Bảng dữliệu
Bảng dữliệu 76 0242 0136 00033-0200
tải xuống
Chứng chỉ
Chứng chỉ UL
tải xuống
REACH
76 0242 0136 00033-0200
tải xuống
RoHS
76 0242 0136 00033-0200
tải xuống
China RoHS
76 0242 0136 00033-0200
tải xuống
Xác minh để tải xuống
Vui lòng hoàn thành xác minh để tiếp tục tải xuống CAD.
Dữ liệu CAD
Chọn định dạng bạn muốn



