Đặt hàng không: 77 0627 0000 50704-0200
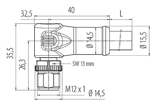
M12 Phích cắm bẻ góc, Số lượng cực : 4, không có chống nhiễu, ép phun vào dây cáp, IP68, UL, PUR, màu đen, 4x1,50mm², 2m
M12-T, series 813, Công nghệ tự động hóa - cung cấp điện áp và cung cấp điện
Các tính năng chung
thêmít hơn| Số đặt hàng | 77 0627 0000 50704-0200 |
| Thiết kếđầu nối | Phích cắm bẻ góc |
| Tiêu chuẩn thiết kế | DIN EN IEC 61076-2-111:2018-10;VDE 0687-76-2-111:2018-10 |
| Mã hoá | Mã hóa T |
| Chiều dài cáp | 2m (Tiêu chuẩn 2 m và 5 m. Có thể có độ dài khác theo yêu cầu.) |
| Phiên bản | Đầu nối chân bẻ góc |
| Đầu nối hệ thống khóa | vít |
| Chấm dứt | ép phun vào dây cáp |
| Mức độ bảo vệ | IP68 |
| Mặt cắt kết nối | 1,50mm² / AWG 16 |
| Phạm vi nhiệt độ từ/đến | -40 °C / 85 °C |
| Vận hành cơ học | > 100 chu kỳ kết nối |
| Trọng lượng (gr) | 449.98 |
| Số thuế hải quan | 85444290 |
| Nước xuất xứ | DE |
Thông số điện
thêmít hơn| Điện áp định mức | 63V |
| Điện áp xung định mức | 1500V |
| Dòng định mức (40 ° C) | 12,0A |
| Mức độ ô nhiễm | 3 |
| Danh mục quá áp | III |
| Nhóm vật liệu | II |
| Tuân thủ EMV | không có chống nhiễu |
Chất liệu
thêmít hơn| Chất liệu của vỏ bọc | PUR |
| Vật liệu của phần tiếp xúc | PUR màu đen |
| Chất liệu tiếp xúc | CuZn (đồng thau)/CuSn (đồng) |
| Mạ tiếp xúc | Au (vàng) |
| REACH SVHC |
CAS 7439-92-1 (Lead) |
| PFAS hiện tại | e8182282-75ed-45b1-b7f9-fe38b48d50a6 |
Dữ liệu cáp
thêmít hơn| Cấu trúc của cáp | |
| Đường kính cáp | 8,0 mm |
| Mặt cắt ngang | 4x1,50mm² |
| chất liệu vỏ bọc | PUR |
| Cách điện đơn dẫn | PP |
| Cấu trúc dẫn đơn | 84x0,15mm |
| Màu cáp | màu đen |
| Đặc tính điện | |
| Điện trở dẫn | 13.3 Ω/Km (20°C) |
| Đặc tính cơ học | |
| Bán kính uốn cáp cố định | ≥ 7,5xØ |
| Bán kính uốn cáp có thể di chuyển được | ≥ 10xØ |
| Chu kỳ uốn | 5 triệu |
| Gia tốc cho phép | 5m/s² |
| Khoảng cách di chuyển, theo phương ngang | 20m |
| Tốc độ truyền tải | ≤ 300m/phút |
| Đặc tính nhiệt | |
| Cáp dải nhiệt độ di chuyển từ/đến | -30 °C / 80°C |
| Cáp dải nhiệt độ cố định từ/đến | -50 °C / 80°C |
| Các tính năng khác | |
| Không có Halogen | có |
Ủy quyền/phê duyệt
thêmít hơn| Approvals | UL |
Phân loại
thêmít hơn| eCl@ss 11.1 | 27-06-03-11 |
| ETIM 9.0 | EC002638 |
Tuyên bố tuân thủ
thêmít hơn| Chỉ thị về điện áp thấp | EN 60529:1991 | EN 60204-1:2018 |
| Chỉ thị RoHS | EN IEC 63000:2018 |
Thông báo bảo mật
- Đầu nối không được lắp vào hoặc ngắt kết nối khi chịu tải. Không tuân thủ hướng dẫn và sử dụng không đúng cách có thế dẫn đến hư hỏng
- Các đầu nối đã được phát triển cho các lĩnh vực ứng dụng trong xây dựng nhà máy, điều khiển và thiết bị điện. Người dùng có trách nhiệm kiểm tra xem các đầu nối có thể được sử dụng trong các lĩnh vực ứng dụng khác hay không.
- Để bảo vệ khỏi việc mở đầu nối không chủ ý, phần ren giữa vỏ và đầu nối phải được giữ chặt bằng chất kết dính cyanoacrylate thích hợp khi được sử dụng trong các mạch điện có điện áp nguy hiểm khi chạm vào. Điều này không áp dụng cho các đầu nối được sử dụng trong mạch SELV và PELV theo IEC 61140 (EN 61140, VDE 0140-1).
- Các đầu nối phích cắm được sử dụng trong mạch điện có điện áp tiếp xúc nguy hiểm chỉ được lắp đặt và sử dụng dưới sự giám sát của những người đã được đào tạo về kỹ thuật điện, có hiểu biết về các quy định và tiêu chuẩn hiện hành.
- Người dùng phải thực hiện các biện pháp phòng ngừa an toàn phù hợp để tránh trường hợp vô tình ngắt kết nối.
- Các đầu nối có cấp bảo vệ IP67 và IP68 không thích hợp để sử dụng dưới nước. Khi sử dụng ngoài trời, các đầu nối phải được bảo vệ riêng để chống ăn mòn. Để biết thêm thông tin về các lớp bảo vệ IP, hãy xem trung tâm tải xuống "Thông tin kỹ thuật".
- Vui Lòng Lưu Ý Mức Độ Ô Nhiễm Và Loại Quá Áp. Để Biết Thêm Thông Tin, Hãy Xem Trung Tâm Tải Xuống "Thông Tin kỹ thuật".
- Để khóa đầu nối cáp với đầu nối thiết bị, vòng ren được siết chặt "chặt tay" (khoảng 60cNm).
Tải về
Bảng dữliệu
Bảng dữliệu 77 0627 0000 50704-0200
tải xuống
Chứng chỉ
Chứng chỉ UL
tải xuống
REACH
77 0627 0000 50704-0200
tải xuống
RoHS
77 0627 0000 50704-0200
tải xuống
China RoHS
77 0627 0000 50704-0200
tải xuống
Tuyên bố tuân thủ CE
Chỉ thị về điện áp thấp
tải xuống
Tuyên bố tuân thủ UKCA
Thiết bị điện
tải xuống
Tuyên bố tuân thủ CE
Chỉ thị RoHS
tải xuống
Tuyên bố tuân thủ UKCA
UK-RoHS
tải xuống
Xác minh để tải xuống
Vui lòng hoàn thành xác minh để tiếp tục tải xuống CAD.
Dữ liệu CAD
Chọn định dạng bạn muốn



