Číslo položky: 86 6618 1120 00006
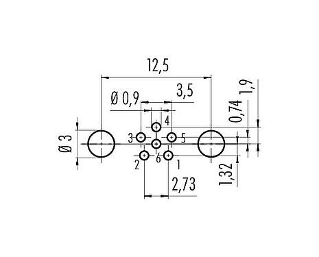
M8 Přírubová zásuvka, : 6, stínitelné, THT, IP67, UL 2238, M10x0,75, Montáž na zadní stěnu
M8, Série 718, Automatizační technika - senzory a aktuátory
Obecné vlastnosti
víceméně| Díl č. |
86 6618 1120 00006
Staré číslo výrobku: 09 3422 81 06
|
| Oznámení |
Upozorňujeme, že v důsledku přechodu ze starého na nové objednací číslo může dojít k odchylkám v technických specifikacích. Pro podrobné dotazy k výrobku použijte modul "Kontaktovat zákaznický servis", který se nachází na pravé straně této webové stránky.
více |
| Konstrukce konektoru | Přírubová zásuvka |
| Standard typu | DIN EN 61076-2-104 |
| Kódování | kódem A |
| Provedení | Konektory zásuvka přímý |
| Uzamykací systém konektorů | šrouby |
| Ukončení | THT |
| Stupeň ochrany 1 | IP67 |
| Rozsah teplot od/do | -40 °C / 85 °C |
| Mechanický provoz | > 100 cyklů páření |
| Hmotnost (gr) | 5.01 |
| Číslo celního sazebníku | 85369010 |
| Země původu | DE |
Elektrické parametry
víceméně| Jmenovité napětí | 30 V |
| Jmenovité impulzní napětí | 800 V |
| Jmenovitý proud | 1,5 A |
| Stupeň znečištění | 3 |
| Kategorie přepětí | II |
| Skupina materiálů | II |
| Soulad s EMV | stínitelné |
| Připojení štítu | stínicí deskou |
Materiál
víceméně| Materiál pouzdra | Zinkový tlakový odlitek poniklovaný |
| Materiál kontaktního tělesa | PA černá |
| Materiál kontaktu | CuSn (bronz) |
| Pokovení kontaktů | Au (zlato) |
| REACH SVHC |
CAS 7439-92-1 (Lead) |
| SCIP číslo | fe848596-909c-4066-94eb-f705cee8d1d6 |
Autorizace/schválení
víceméně| Schválení | UL 2238 |
Klasifikace
víceméně| eCl@ss 11.1 | 27-44-01-09 |
| ETIM 9.0 | EC003569 |
Bezpečnostní upozornění
- The connector must not be plugged or unplugged under load. Non-observance and improper use can result in personal injury.
- The connectors have been developed for applications in plant engineering, control and electrical equipment construction. The user is responsible for checking whether the connectors can also be used in other areas of application.
- Connectors which are used in circuits with voltages dangerous to the touch may only be installed and used by, or under the supervision of, persons with electrical engineering training, taking into account the applicable regulations and standards.
- The user must take suitable safety precautions to ensure that the connector cannot be accidentally disconnected.
- Plug connectors with enclosure protection IP67 and IP68 are not suitable for use under water. When used outdoors, the plug connectors must be protected separately against corrosion. For further information on the IP protection classes, please refer to the "Technical Information" download centre.
- Please observe the pollution degree and the overvoltage category. For further information, please refer to the download center "Technical Information".
- To lock the cable connector with the device connector, the threaded ring is tightened "hand-tight" (approx. 50 cNm).
Stahování
Datový list
Datový list 86 6618 1120 00006
stáhnout
Certifikát
Certifikát UL
stáhnout
REACH
86 6618 1120 00006
stáhnout
RoHS
86 6618 1120 00006
stáhnout
China RoHS
86 6618 1120 00006
stáhnout
EPLAN数据
86 6618 1120 00006
stáhnout
Ověření pro stažení
Pro pokračování stažení CAD dokončete prosím ověření.
Soubory CAD
Vyberte požadovaný formát



