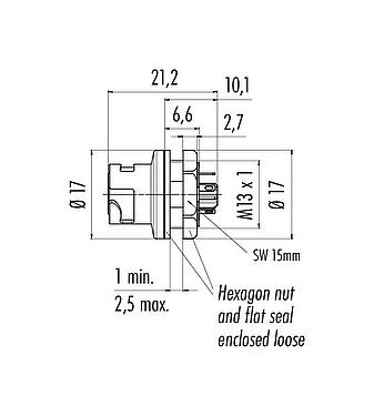
Číslo položky: 09 0762 000 05
Bajonet Přírubová zásuvka, : 5, nestíněný, pájka, IP54 odpojené, M13x1,0, Přední montáž
Bajonet NCC, Série 670, Subminiaturní konektory
Obecné vlastnosti
víceméně| Díl č. | 09 0762 000 05 |
| Konstrukce konektoru | Přírubová zásuvka |
| Provedení | Konektory pin přímý |
| Uzamykací systém konektorů | Bajonet |
| Ukončení | pájka |
| Stupeň ochrany 1 |
IP54 odpojené IP67 |
| Průřez přípojky | 0,25 mm² / AWG 24 |
| Rozsah teplot od/do | -25 °C / 85 °C |
| Mechanický provoz | > 1000 cyklů páření |
| Hmotnost (gr) | 3.85 |
| Číslo celního sazebníku | 85369010 |
| Země původu | DE |
Elektrické parametry
víceméně| Jmenovité napětí | 50 V |
| Jmenovité impulzní napětí | 500 V |
| Jmenovitý proud | 2,0 A |
| Stupeň znečištění | 2 |
| Kategorie přepětí | II |
| Skupina materiálů | II |
| Soulad s EMV | nestíněný |
Materiál
víceméně| Materiál pouzdra | PA |
| Materiál kontaktního tělesa | PA |
| Materiál kontaktu | CuSn (bronz) |
| Pokovení kontaktů | Au (zlato) |
| REACH SVHC |
CAS 7439-92-1 (Lead) |
| SCIP číslo | 05251b99-7715-40aa-a9a5-24ebea3a0516 |
Klasifikace
víceméně| eCl@ss 11.1 | 27-44-01-09 |
| ETIM 9.0 | EC003569 |
Bezpečnostní upozornění
- The connector must not be plugged or unplugged under load. Non-observance and improper use can result in personal injury.
- The connectors have been developed for applications in plant engineering, control and electrical equipment construction. The user is responsible for checking whether the connectors can also be used in other areas of application.
- Connectors which are used in circuits with voltages dangerous to the touch may only be installed and used by, or under the supervision of, persons with electrical engineering training, taking into account the applicable regulations and standards.
- The user must take suitable safety precautions to ensure that the connector cannot be accidentally disconnected.
- Plug connectors with enclosure protection IP67 and IP68 are not suitable for use under water. When used outdoors, the plug connectors must be protected separately against corrosion. For further information on the IP protection classes, please refer to the "Technical Information" download centre.
- Please observe the pollution degree and the overvoltage category. For further information, please refer to the download center "Technical Information".
Stahování
Datový list
Datový list 09 0762 000 05
stáhnout
REACH
09 0762 000 05
stáhnout
RoHS
09 0762 000 05
stáhnout
China RoHS
09 0762 000 05
stáhnout
EPLAN数据
09 0762 000 05
stáhnout
Ověření pro stažení
Pro pokračování stažení CAD dokončete prosím ověření.
Soubory CAD
Vyberte požadovaný formát


