Cikkszám: 09 0482 22 08
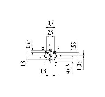
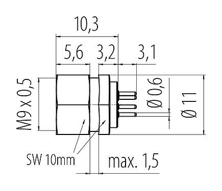
M9 panelre szerelhető foglalat, : 8, árnyékolatlan, THT, M9x0,5, elülső rögzítés
M9 IP40, 711-es sorozat, Szubminiatűr csatlakozók
Általános jellemzők
továbbkevesebb| Alkatrész sz. | 09 0482 22 08 |
| Csatlakozó kialakítása | panelre szerelhető foglalat |
| Verzió | Csatlakozó aljzat egyenes |
| Csatlakoztatás típusa | THT |
| Tömeg (gr) | 2.98 |
| Vámtarifaszám | 85369010 |
| Származási ország | DE |
Elektromos paraméterek
továbbkevesebb| Névleges feszültség | 125 V |
| Névleges impulzusfeszültség | 1500 V |
| Névleges áramerősség | 1,0 A |
| Szigetelési ellenállás | ≥ 108 Ω |
| Anyagcsoport | III |
| EMV megfelelőség | árnyékolatlan |
Anyag
továbbkevesebb| REACH SVHC |
CAS 7439-92-1 (Lead) |
| Jelen lévő PFAS | 01217c3a-6d57-404f-9465-460007fba9b0 |
Osztályozások
továbbkevesebb| eCl@ss 11.1 | 27-44-01-09 |
| ETIM 9.0 | EC003569 |
Biztonsági figyelmeztetések
- The connector must not be plugged or unplugged under load. Non-observance and improper use can result in personal injury.
- The connectors have been developed for applications in plant engineering, control and electrical equipment construction. The user is responsible for checking whether the connectors can also be used in other areas of application.
- Connectors which are used in circuits with voltages dangerous to the touch may only be installed and used by, or under the supervision of, persons with electrical engineering training, taking into account the applicable regulations and standards.
- The user must take suitable safety precautions to ensure that the connector cannot be accidentally disconnected.
- Please observe the pollution degree and the overvoltage category. For further information, please refer to the download center "Technical Information".
Letöltések
Adatlap
Adatlap 09 0482 22 08
Letöltés
REACH
09 0482 22 08
Letöltés
RoHS
09 0482 22 08
Letöltés
China RoHS
09 0482 22 08
Letöltés
EPLAN adatok
09 0482 22 08
Letöltés
Ellenőrzés a letöltéshez
Kérjük, fejezze be az ellenőrzést a CAD letöltés folytatásához.
CAD fájlok
Válassza ki a kívánt formátumot




