Ordinazione no: 86 0131 0000 00008
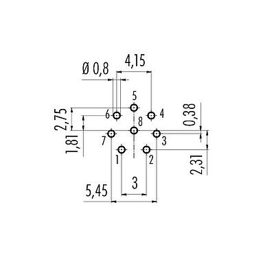
M12 Connettore maschio a flangia, Numero poli: 8, non schermato, THT, IP68, UL 2238, PG 9, Montaggio anteriore
M12-A, serie 763, Tecnologia dell'automazione - sensori e attuatori
Caratteristiche generali
piùless| Numero d'ordine |
86 0131 0000 00008
Vecchio numero di prodotto: 09 3481 88 08
|
| Avviso |
Si prega di notare che, a causa del cambiamento dal vecchio al nuovo numero d'ordine, ci possono essere deviazioni nelle specifiche tecniche. Per domande sui dettagli del prodotto, si prega di utilizzare il modulo 'Contatta il servizio clienti' sulla destra.
più |
| Design del connettore | Connettore maschio a flangia |
| Tipo Standard | DIN EN 61076-2-101 |
| Kódolás | codice A |
| Versione | Connettore maschio diritto |
| Sistema di bloccaggio del connettore | a vite |
| Terminazione | THT |
| Grado di protezione | IP68 |
| Intervallo di temperatura da/a | -40 °C / 85 °C |
| Funzionamento meccanico | > 100 cicli di accoppiamento |
| Peso (gr) | 8.43 |
| Numero di tariffa doganale | 85369010 |
| Paese di origine | DE |
Parametri elettrici
piùless| Tensione nominale | 30 V |
| Tensione nominale d'impulso | 800 V |
| Corrente nominale | 2 A (UL 1,5 A) |
| Resistenza d'isolamento | > 108 Ω |
| Grado di inquinamento | 3 |
| Categoria di sovratensione | II |
| Gruppo di materiali | III |
| Conformità EMC | non schermato |
Materiale
piùless| Materiale dell'alloggiamento | Pressofusione di zinco placcato |
| Materiale del corpo del contatto | PA nero |
| Materiale di contatto | CuZn (ottone) |
| Placcatura del contatto | Au (oro) |
| REACH SVHC |
CAS 7439-92-1 (Lead) |
| PFAS presenti | 2eb3b029-1f2e-4cf8-a13d-7d1af1083a3b |
Autorizzazioni/approvazioni
piùless| Approvals | UL 2238 |
Classificazioni
piùless| ETIM 9.0 | EC003569 |
Avvisi di sicurezza
- Il connettore non deve essere inserito o disinserito sotto carico. L'inosservanza e l'uso improprio possono provocare lesioni personali.
- I connettori sono stati sviluppati per applicazioni nell'impiantistica, nel controllo e nella costruzione di apparecchiature elettriche. L'utente è responsabile di verificare se i connettori possono essere utilizzati anche in altri campi di applicazione.
- Per proteggere dall'apertura involontaria del connettore, la filettatura tra l'alloggiamento e la testa del connettore deve essere fissata con un adesivo cianoacrilato adatto quando viene utilizzato in circuiti con tensioni pericolose al tatto. Questo non vale per i connettori utilizzati in circuiti SELV e PELV secondo IEC 61140 (EN 61140, VDE 0140-1).
- I connettori utilizzati in circuiti con tensioni pericolose al tatto possono essere installati e utilizzati solo da o sotto la supervisione di persone con una formazione in ingegneria elettrica, tenendo conto dei regolamenti e delle norme applicabili.
- L'utente deve prendere le opportune precauzioni di sicurezza per garantire che il connettore non possa essere scollegato accidentalmente.
- I connettori a spina con protezione dell'involucro IP67 e IP68 non sono adatti all'uso sotto l'acqua. Se utilizzati all'esterno, i connettori devono essere protetti separatamente dalla corrosione. Per ulteriori informazioni sulle classi di protezione IP, consultare le informazioni tecniche nell'area download
- Per bloccare il connettore del cavo con il connettore del dispositivo, l'anello filettato viene serrato come a mano (circa 60 cNm)
- L'utente deve prendere adeguate precauzioni di sicurezza per garantire che il connettore non possa essere accidentalmente scollegato. Inoltre, l'utente deve assicurarsi che il cavo sia adeguatamente fissato.
Downloads




