Menu
Back
  1. Products
  2. Zubehör
  3. Mounting wrench
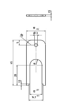
  4. M12-A/B/D/K/K/L/S/T/US/X - Assembly tool for ring nut M12x1
Part no.: 07 0083 000

M12-A/B/D/K/K/L/S/T/US/X - Assembly tool for ring nut M12x1

Mounting wrench, series 713/715/763/766/813/814/815/825/866/876, Accessories
Compare product
Downloads
General features
Moreless
Part no. 07 0083 000
Connector design Mounting wrench
Weight (g) 6.45
Customs tariff number 82041100
SCIP number SCIP-number not available
Material X10CrNr 18-8 (1.4310)
eCl@ss 11.1 27-44-01-92
Security notices
  1. The user must take suitable safety precautions to ensure that the connector cannot be accidentally disconnected.
Accessories--Mounting wrench_MontSchl_M12
07 0083 000
+44 1442 913316 Contact form