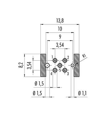
Part no.: 09 0444 601 05
M12 Female receptacle, Contacts: 5, shieldable, SMT, IP67
M12-B, series 715, Automation Technology - Data Transmission
General features
Moreless| Part no. | 09 0444 601 05 |
| Connector design | Female receptacle |
| Type standard | DIN EN 61076-2-101 |
| Coding | B-coded |
| Version | Connector socket straight |
| Connector locking system | screw |
| Termination | SMT |
| Degree of protection | IP67 |
| Temperature range from/to | -40 °C / 85 °C |
| Mechanical operation | > 100 Mating cycles |
| Weight (g) | 1.79 |
| Customs tariff number | 85369010 |
| Country of Origin | DE |
Electrical parameters
Moreless| Rated voltage | 60 V |
| Rated impulse voltage | 1500 V |
| Rated current | 4.0 A |
| Insulation resistance | > 108 Ω |
| Pollution degree | 3 |
| Overvoltage category | II |
| Insulating material group | II |
| EMC compliance | shieldable |
| Shield connection | Shielding plate |
Material
Moreless| Housing material | CuZn (Brass nickel plated) |
| Contact body material | LCP |
| Contact material | CuSn (bronze) |
| Contact plating | Au (gold) |
| REACH SVHC |
CAS 7439-92-1 (Lead) |
| SCIP number | d58680ae-9479-4707-82d2-9652ae781f35 |
Classifications
Moreless| eCl@ss 11.1 | 27-44-01-09 |
| ETIM 9.0 | EC003569 |
Security notices
- The connector must not be plugged or unplugged under load. Non-observance and improper use can result in personal injury.
- The connectors have been developed for applications in plant engineering, control and electrical equipment construction. The user is responsible for checking whether the connectors can also be used in other areas of application.
- Connectors which are used in circuits with voltages dangerous to the touch may only be installed and used by, or under the supervision of, persons with electrical engineering training, taking into account the applicable regulations and standards.
- The user must take suitable safety precautions to ensure that the connector cannot be accidentally disconnected.
- Plug connectors with enclosure protection IP67 and IP68 are not suitable for use under water. When used outdoors, the plug connectors must be protected separately against corrosion. For further information on the IP protection classes, please refer to the "Technical Information" download centre.
- Please observe the pollution degree and the overvoltage category. For further information, please refer to the download center "Technical Information".
- To lock the cable connector with the device connector, the threaded ring is tightened "hand-tight" (approx. 60 cNm).
Downloads
Data sheet
Data sheet 09 0444 601 05
download
REACH
09 0444 601 05
download
RoHS
09 0444 601 05
download
China RoHS
09 0444 601 05
download
EPLAN data
09 0444 601 05
download
Verify to download
Please complete the verification to proceed with the CAD download.
CAD files
Select required format


