Menu
Retour
  1. Produits
  2. Connecteurs d‘automatisme - capteurs et actionneurs
  3. M12-A
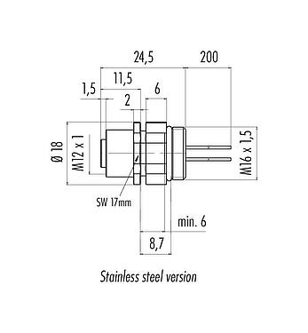
  4. M12 Embase femelle, Contacts: 4, non blindé, fils, IP68/IP69K, UL 2238, M16x1,5, Montage frontal, Acier inoxydable, positionnable, coulé
Référencee: 76 2832 0111 00004-0200

M12 Embase femelle, Contacts: 4, non blindé, fils, IP68/IP69K, UL 2238, M16x1,5, Montage frontal, Acier inoxydable, positionnable, coulé

M12-A, série 763, Technologie d’automatisation - capteurs et actionneurs
Nombre de contacts disponibles
Comparatif
Téléchargements
Caractéristiques générales
Plusless
Référence 76 2832 0111 00004-0200
Référence alternative: 09 3432 778 04
Avis
Veuillez noter qu’à la suite du passage de l’ancien au nouveau numéro de commande, des écarts sont possibles dans les spécifications techniques. Pour des informations détaillées sur le produit, veuillez utiliser l’option « Contacter le service client » en haut à droite.
Plus
Design du connecteur Embase femelle
Norme de conception DIN EN 61076-2-101
Codage A-codé
Longueur du fil 0,2 m (Standard 0,2 m. D'autres longueurs sont possibles sur demande).
Version Connecteur femelle droite
Verrouillage du connecteur visser
Connexion fils
Indice de protection IP68/IP69K
Section de raccordement 0,25 mm² / AWG 24
Plage de températures de/à -40 °C / 85 °C
Durée de vie mécanique > 100 Cycles d'accouplement
Poids (g) 19.01
Numéro de tarif douanier 85369010
Pays d'origine DE
Tension nominale 250 V
Tension de choc nominale 2500 V
Courant nominal (40 °C) 4 A (3 A UL)
Résistance d'isolation > 108 Ω
Degré d’encrassement 3
Groupe de matériau isolant III
Conformité CEM non blindé
Matériau du boîtier Acier inoxydable
Matériau du corps de contact PA noir
Matériau du contact CuSn (bronze)
Revêtement du contact Au (or)
REACH SVHC CAS 7439-92-1 (Lead)
Numéro SCIP 66965825-d66a-40d9-a09c-b6d78dbaa4d6
Structure du fil
Section (mm²) 4 x 0,25 mm²
Section (AWG) 4 x AWG 24
Diamètre du fil 1,5 mm
Couleurs des fils blanc
brun
bleu
noir
Matériau de la gaine PVC
Matériau du fil conducteur Cu (étamé)
Structure du fil conducteur 7 x 0,203 mm
Propriétés électriques
Tension nominale 300 V
Tension d'impulsion nominale 3000 V
Résistance du fil conducteur 90 Ω/Km (20°C)
Résistance d'isolement 20,0 MΩ/Km (20 °C)
Propriétés thermiques
Plage de température du fil en mouvement de / à (°C) -10 °C / 105 °C
Plage de température du fil fixe de / à (°C) -30 °C / 105 °C
ETIM 9.0 EC003570
Security notices
  1. Le connecteur ne doit pas être branché ou débranché sous charge. Le non-respect et l'utilisation inappropriée peuvent entraîner des dommages corporels.
  2. Les connecteurs ont été développés pour des applications dans l'ingénierie des usines, le contrôle et la construction d'équipements électriques. Il incombe à l'utilisateur de vérifier si les connecteurs peuvent également être utilisés dans d'autres domaines d'application.
  3. Pour éviter l'ouverture involontaire du connecteur, lorsqu'il est utilisé dans des circuits dont la tension est dangereuse au toucher, le fil entre le boîtier et la tête du connecteur doit être fixé avec un adhésif cyanoacrylate approprié. Ceci ne s'applique pas aux connecteurs utilisés dans les circuits SELV et PELV selon la norme IEC 61140 (EN 61140, VDE 0140-1).
  4. Les connecteurs utilisés dans des circuits dont la tension est dangereuse pour le toucher ne peuvent être installés et utilisés que par des personnes ayant une formation en électrotechnique ou sous leur supervision, en tenant compte des réglementations et normes applicables.
  5. Des précautions de sécurité appropriées doivent être prises par l'utilisateur pour s'assurer que le connecteur ne peut pas être débranché accidentellement.
  6. Les connecteurs avec une protection de boîtier IP67 et IP68 ne sont pas adaptés à une utilisation sous l'eau. En cas d'utilisation à l'extérieur, les connecteurs doivent être protégés séparément contre la corrosion. Pour plus d'informations sur les degrés de protection IP, veuillez vous référer au centre de téléchargement "Informations techniques.
  7. Pour verrouiller le connecteur du câble avec le connecteur de l'appareil, la bague filetée est serrée "à la main" (environ 60 cNm).
  8. L'utilisateur doit prendre les mesures de sécurité appropriées pour s'assurer que le connecteur ne peut pas être accidentellement débranché. En outre, l'utilisateur doit s'assurer que le câble est correctement fixé.
Téléchargements
Fiche technique
Fiche technique 76 2832 0111 00004-0200
PDF
Fiche technique, Fiche technique 76 2832 0111 00004-0200
Certificats
Certificat UL
PDF, 118.33 KB
REACH
76 2832 0111 00004-0200
PDF
RoHS
76 2832 0111 00004-0200
PDF
China RoHS
76 2832 0111 00004-0200
PDF
Données EPLAN
76 2832 0111 00004-0200

Vérification pour le téléchargement

Veuillez terminer la vérification pour poursuivre le téléchargement CAD.

Données CAO
Sélectionner le format souhaité
M12-A
76 2832 0111 00004-0200