Menu
Retour
  1. Produits
  2. Connecteurs miniatures
  3. M16 IP40
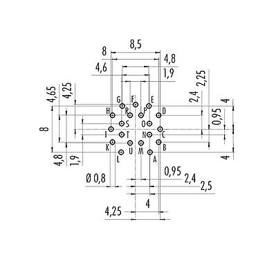
  4. M16 Embase femelle, Contacts: 19, non blindé, THT, IP40, M18x0,75, Montage mural arrière
Référencee: 09 0336 90 19

M16 Embase femelle, Contacts: 19, non blindé, THT, IP40, M18x0,75, Montage mural arrière

M16 IP40, série 680, Connecteurs miniatures
Nombre de contacts disponibles
Comparatif
Téléchargements
Caractéristiques générales
Plusless
Référence 09 0336 90 19
Design du connecteur Embase femelle
Norme de conception DIN EN 61076-2-106
Version Connecteur femelle droite
Verrouillage du connecteur visser
Connexion THT
Indice de protection IP40
Plage de températures de/à -40 °C / 85 °C
Durée de vie mécanique > 500 Cycles d'accouplement
Poids (g) 9.26
Numéro de tarif douanier 85369010
Pays d'origine DE
Tension nominale 60 V
Tension de choc nominale 500 V
Courant nominal (40 °C) 3,0 A
Résistance d'isolation ≥ 1010 Ω
Degré d’encrassement 1
Catégorie de surtension I
Groupe de matériau isolant III
Conformité CEM non blindé
Matériau du boîtier zinc coulé sous pression nickelé
Matériau du corps de contact PBT (UL94 V-0)
Matériau du contact CuSn (bronze)
Revêtement du contact Au (or)
REACH SVHC CAS 7439-92-1 (Lead)
Numéro SCIP 52394006-0cef-408d-8e15-1b8526526e0f
eCl@ss 11.1 27-44-01-09
ETIM 9.0 EC003569
Security notices
  1. Le connecteur ne doit pas être branché ou débranché sous charge. Le non-respect et l'utilisation inappropriée peuvent entraîner des dommages corporels.
  2. Les connecteurs ont été développés pour des applications dans l'ingénierie des usines, le contrôle et la construction d'équipements électriques. Il incombe à l'utilisateur de vérifier si les connecteurs peuvent également être utilisés dans d'autres domaines d'application.
  3. Les connecteurs utilisés dans des circuits dont la tension est dangereuse pour le toucher ne peuvent être installés et utilisés que par des personnes ayant une formation en électrotechnique ou sous leur supervision, en tenant compte des réglementations et normes applicables.
  4. Des précautions de sécurité appropriées doivent être prises par l'utilisateur pour s'assurer que le connecteur ne peut pas être débranché accidentellement.
  5. Veuillez observer le degré de pollution et la catégorie de surtension. Pour plus d'informations, veuillez vous référer au centre de téléchargement "Informations techniques".
  6. Pour verrouiller le connecteur du câble avec le connecteur de l'appareil, la bague filetée est serrée "à la main" (environ 60 cNm).
Téléchargements
Fiche technique
Fiche technique 09 0336 90 19
PDF
REACH
09 0336 90 19
PDF
RoHS
09 0336 90 19
PDF
China RoHS
09 0336 90 19
PDF
Données EPLAN
09 0336 90 19

Vérification pour le téléchargement

Veuillez terminer la vérification pour poursuivre le téléchargement CAD.

Données CAO
Sélectionner le format souhaité
M16 IP40
09 0336 90 19