Menu
Retour
  1. Produits
  2. Connecteurs d‘automatisme - capteurs et actionneurs
  3. M12-A
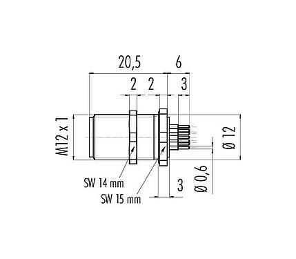
  4. M12 Embase mâle, Contacts: 12, non blindé, THT, IP68, M12x1,0, Montage mural arrière
Référencee: 09 3491 969 12

M12 Embase mâle, Contacts: 12, non blindé, THT, IP68, M12x1,0, Montage mural arrière

M12-A, série 763, Technologie d’automatisation - capteurs et actionneurs
Nombre de contacts disponibles
Comparatif
Téléchargements
Caractéristiques générales
Plusless
Référence 09 3491 969 12
Design du connecteur Embase mâle
Norme de conception DIN EN 61076-2-101
Codage A-codé
Version Connecteur mâle droite
Verrouillage du connecteur visser
Connexion THT
Indice de protection IP68
Durée de vie mécanique > 100 Cycles d'accouplement
Poids (g) 9.44
Numéro de tarif douanier 85369010
Pays d'origine DE
Tension nominale 30 V
Tension de choc nominale 500 V
Courant nominal (40 °C) 1,5 A
Résistance d'isolation > 108 Ω
Degré d’encrassement 3
Catégorie de surtension II
Groupe de matériau isolant III
Conformité CEM non blindé
Matériau du boîtier zinc coulé sous pression nickelé
Matériau du corps de contact PA noir
Matériau du contact CuZn (laiton)
Revêtement du contact Au (or)
REACH SVHC CAS 7439-92-1 (Lead)
Numéro SCIP 582b71c0-f061-4d0f-9143-c8382bf48564
ETIM 9.0 EC003569
Security notices
  1. Le connecteur ne doit pas être branché ou débranché sous charge. Le non-respect et l'utilisation inappropriée peuvent entraîner des dommages corporels.
  2. Les connecteurs ont été développés pour des applications dans l'ingénierie des usines, le contrôle et la construction d'équipements électriques. Il incombe à l'utilisateur de vérifier si les connecteurs peuvent également être utilisés dans d'autres domaines d'application.
  3. Pour éviter l'ouverture involontaire du connecteur, lorsqu'il est utilisé dans des circuits dont la tension est dangereuse au toucher, le fil entre le boîtier et la tête du connecteur doit être fixé avec un adhésif cyanoacrylate approprié. Ceci ne s'applique pas aux connecteurs utilisés dans les circuits SELV et PELV selon la norme IEC 61140 (EN 61140, VDE 0140-1).
  4. Les connecteurs utilisés dans des circuits dont la tension est dangereuse pour le toucher ne peuvent être installés et utilisés que par des personnes ayant une formation en électrotechnique ou sous leur supervision, en tenant compte des réglementations et normes applicables.
  5. Des précautions de sécurité appropriées doivent être prises par l'utilisateur pour s'assurer que le connecteur ne peut pas être débranché accidentellement.
  6. Les connecteurs avec une protection de boîtier IP67 et IP68 ne sont pas adaptés à une utilisation sous l'eau. En cas d'utilisation à l'extérieur, les connecteurs doivent être protégés séparément contre la corrosion. Pour plus d'informations sur les degrés de protection IP, veuillez vous référer au centre de téléchargement "Informations techniques.
  7. Pour verrouiller le connecteur du câble avec le connecteur de l'appareil, la bague filetée est serrée "à la main" (environ 60 cNm).
  8. L'utilisateur doit prendre les mesures de sécurité appropriées pour s'assurer que le connecteur ne peut pas être accidentellement débranché. En outre, l'utilisateur doit s'assurer que le câble est correctement fixé.
Téléchargements
Fiche technique
Fiche technique 09 3491 969 12
PDF
REACH
09 3491 969 12
PDF
RoHS
09 3491 969 12
PDF
China RoHS
09 3491 969 12
PDF
Données EPLAN
09 3491 969 12

Vérification pour le téléchargement

Veuillez terminer la vérification pour poursuivre le téléchargement CAD.

Données CAO
Sélectionner le format souhaité
M12-A
09 3491 969 12