Cikkszám: 79 5474 100 04
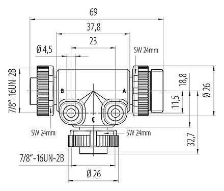
7/8" kettős elosztó, : 4, árnyékolatlan, IP68
7/8", 820/870-es sorozat, Automatizálási technológia - feszültség tápellátás
Általános jellemzők
továbbkevesebb| Alkatrész sz. | 79 5474 100 04 |
| Csatlakozó kialakítása | kettős elosztó |
| Programmazione | T-kódolt |
| Verzió | T-darab |
| Rögzítés módja | csavar |
| Védelmi szint | IP68 |
| Hőmérséklet tartomány tól/ig | -25 °C / 80 °C |
| Mechanikus élettartam | > 100 csatlakoztatási ciklusok |
| Tömeg (gr) | 80.00 |
| Vámtarifaszám | 85444290 |
| Származási ország | DE |
Elektromos paraméterek
továbbkevesebb| Névleges feszültség | 400 V |
| Névleges impulzusfeszültség | 4000 V |
| Névleges áramerősség | 7,0 A |
| Szigetelési ellenállás | > 1010 Ω |
| Szennyezettségi fok | 3 |
| Túlfeszültség kategória | II |
| Anyagcsoport | I |
| EMV megfelelőség | árnyékolatlan |
Anyag
továbbkevesebb| Az érintkező test anyaga | PUR |
| Érintkező anyaga | CuSn (bronz) / CuZn (sárgaréz) |
| Érintkező bevonat | Au (arany) |
| REACH SVHC |
CAS 7439-92-1 (Lead) |
| Jelen lévő PFAS | SCIP-number not available |
Megfelelőségi nyilatkozatok
továbbkevesebb| Kisfeszültségű irányelv | EN 60529:1991 | EN 60204-1:2018 |
Trade-Compliance
továbbkevesebb| Copper (9903.78.01) | 0.002448 kg |
Biztonsági figyelmeztetések
- The connector must not be plugged or unplugged under load. Non-observance and improper use can result in personal injury.
- The connectors have been developed for applications in plant engineering, control and electrical equipment construction. The user is responsible for checking whether the connectors can also be used in other areas of application.
- Connectors which are used in circuits with voltages dangerous to the touch may only be installed and used by, or under the supervision of, persons with electrical engineering training, taking into account the applicable regulations and standards.
- The user must take suitable safety precautions to ensure that the connector cannot be accidentally disconnected.
- Plug connectors with enclosure protection IP67 and IP68 are not suitable for use under water. When used outdoors, the plug connectors must be protected separately against corrosion. For further information on the IP protection classes, please refer to the "Technical Information" download centre.
- Please observe the pollution degree and the overvoltage category. For further information, please refer to the download center "Technical Information".
- To lock the cable connector to the device connector, we recommend tightening the threaded ring to 1.5 Nm. A suitable torque wrench is available as an accessory (order no. 07 0082 000).
Letöltések
Adatlap
Adatlap 79 5474 100 04
Letöltés
REACH
79 5474 100 04
Letöltés
RoHS
79 5474 100 04
Letöltés
China RoHS
79 5474 100 04
Letöltés
EU megfelelőségi nyilatkozat
Kisfeszültségű irányelv
Letöltés
UKCA megfelelőségi nyilatkozat
Elektromos berendezések
Letöltés
CAD fájlok
STP-Adat 79 5474 100 04
Letöltés
CAD fájlok
Egyéb formátumok
TraceParts



