Cikkszám: 09 0078 00 03
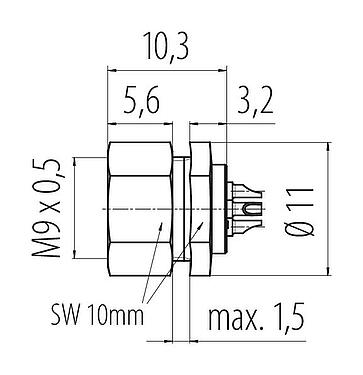
M9 panelre szerelhető foglalat, : 3, árnyékolatlan, kézi forrasztású, IP40, M9x0,5, elülső rögzítés
M9 IP40, 711-es sorozat, Szubminiatűr csatlakozók
Általános jellemzők
továbbkevesebb| Alkatrész sz. | 09 0078 00 03 |
| Csatlakozó kialakítása | panelre szerelhető foglalat |
| Verzió | Csatlakozó aljzat egyenes |
| Rögzítés módja | csavar |
| Csatlakoztatás típusa | kézi forrasztású |
| Védelmi szint | IP40 |
| Csatlakozási keresztmetszet | 0,25 mm² / AWG 24 |
| Hőmérséklet tartomány tól/ig | -40 °C / 85 °C |
| Mechanikus élettartam | > 500 csatlakoztatási ciklusok |
| Tömeg (gr) | 2.88 |
| Vámtarifaszám | 85369010 |
| Származási ország | DE |
Elektromos paraméterek
továbbkevesebb| Névleges feszültség | 125 V |
| Névleges impulzusfeszültség | 1500 V |
| Névleges áramerősség | 4,0 A |
| Szigetelési ellenállás | ≥ 108 Ω |
| Szennyezettségi fok | 1 |
| Túlfeszültség kategória | II |
| Anyagcsoport | III |
| EMV megfelelőség | árnyékolatlan |
Anyag
továbbkevesebb| Az érintkező test anyaga | PA (UL94 V-0) |
| Érintkező anyaga | CuSn (bronz) |
| Érintkező bevonat | Au (arany) |
| REACH SVHC |
CAS 7439-92-1 (Lead) |
| Jelen lévő PFAS | fea61e71-00f7-42f3-b59a-93816332a8f6 |
Osztályozások
továbbkevesebb| eCl@ss 11.1 | 27-44-01-09 |
| ETIM 9.0 | EC003569 |
Trade-Compliance
továbbkevesebb| Copper (9903.78.01) | 0.000184 kg |
Biztonsági figyelmeztetések
- The connector must not be plugged or unplugged under load. Non-observance and improper use can result in personal injury.
- The connectors have been developed for applications in plant engineering, control and electrical equipment construction. The user is responsible for checking whether the connectors can also be used in other areas of application.
- Connectors which are used in circuits with voltages dangerous to the touch may only be installed and used by, or under the supervision of, persons with electrical engineering training, taking into account the applicable regulations and standards.
- The user must take suitable safety precautions to ensure that the connector cannot be accidentally disconnected.
- Please observe the pollution degree and the overvoltage category. For further information, please refer to the download center "Technical Information".
Letöltések
Adatlap
Adatlap 09 0078 00 03
Letöltés
REACH
09 0078 00 03
Letöltés
RoHS
09 0078 00 03
Letöltés
China RoHS
09 0078 00 03
Letöltés
EPLAN adatok
09 0078 00 03
Letöltés
Ellenőrzés a letöltéshez
Kérjük, fejezze be az ellenőrzést a CAD letöltés folytatásához.
CAD fájlok
Válassza ki a kívánt formátumot



