Numer części: 09 0128 290 07
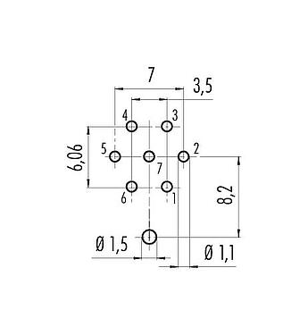
M16 Złącze panelowe żeńskie, Kontaktów: 7 (07-a), do ekranowania, THT, IP67, UL 2238, M18x0,75, Montaż na ścianie tylnej
M16 IP67, seria 723, Złącze miniaturowe
Cechy ogólne
więcejmniej| Numer części | 09 0128 290 07 |
| Konstrukcja złączy | Złącze panelowe żeńskie |
| Typ standardowy | DIN EN 61076-2-106 |
| Wersja | Złącze żeńskie proste |
| System blokady złączy | śruba |
| Obtrysk na kablu | THT |
| Stopień ochrony | IP67 |
| Zakres temperatur od/do | -40 °C / 95 °C |
| Ilość cykli łączenia | > 500 cykli łączenia |
| Waga (gr) | 9.54 |
| Numer taryfy celnej | 85369010 |
| Kraj pochodzenia | DE |
Parametry elektryczne
więcejmniej| Napięcie znamionowe | 125 V |
| Znamionowe napięcie udarowe | 800 V |
| Prąd znamionowy | 5,0 A |
| Rezystancja izolacji kabla | ≥ 1010 Ω |
| Stopień zanieczyszczenia | 1 |
| Kategoria przepięciowa | I |
| Grupa materiałowa | III |
| Zgodność z EMV | do ekranowania |
| Połączenie osłonowe | Pin ekranu |
Materiał
więcejmniej| Materiał styków | Odlew cynkowy, niklowany |
| Materiał korpusu styków | PBT (UL94V-0) |
| Materiał styku | CuSn (brąz) |
| Pokrycie styku | Ag (srebro) |
| REACH SVHC |
CAS 7439-92-1 (Lead) |
| Obecność PFAS | c0f107c0-57e6-4c88-bfde-6003a23f0667 |
Zezwolenia/zatwierdzenia
więcejmniej| Wstęp | UL 2238 |
Klasyfikacje
więcejmniej| eCl@ss 11.1 | 27-44-01-09 |
| ETIM 9.0 | EC003569 |
Uwagi dotyczące bezpieczeństwa
- Wtyczki nie wolno podłączać ani odłączać pod obciążeniem. Nieprzestrzeganie i niewłaściwe użytkowanie może spowodować obrażenia ciała.
- Złącza zostały stworzone do zastosowań w inżynierii instalacji, sterowaniu i budowie wyposażenia elektrycznego. Użytkownik jest odpowiedzialny za sprawdzenie, czy złącza mogą być używane również do innych zastosowań.
- Złącza stosowane w obwodach o napięciach niebezpiecznych w dotyku mogą być instalowane i używane wyłącznie przez osoby z wykształceniem elektrotechnicznym lub pod ich nadzorem, z uwzględnieniem obowiązujących przepisów i norm.
- Użytkownik musi podjąć odpowiednie środki ostrożności, aby zapobiec przypadkowemu odłączeniu złącza.
- Złącza wtykowe o stopniu ochrony IP67 i IP68 nie nadają się do stosowania pod wodą. W przypadku stosowania na zewnątrz złącza wtykowe należy oddzielnie zabezpieczyć przed korozją. Więcej informacji na temat klas ochrony IP można znaleźć w centrum pobierania w sekcji "Informacje Techniczne".
- Należy zwrócić uwagę na stopień zanieczyszczenia i kategorię przepięciową. Więcej informacji można znaleźć w centrum pobierania w sekcji "Informacje Techniczne".
- Specyfikacja stopnia ochrony ma zastosowanie pod warunkiem, że cztery otwory montażowe są wykonane jako otwory nieprzelotowe.
Pliki
Arkusz danych
Arkusz danych 09 0128 290 07
pobierz
Certyfikat
Certyfikat UL
pobierz
REACH
09 0128 290 07
pobierz
RoHS
09 0128 290 07
pobierz
China RoHS
09 0128 290 07
pobierz
Dane EPLAN
09 0128 290 07
pobierz
Weryfikacja do pobrania
Ukończ weryfikację, aby kontynuować pobieranie CAD.
Dane CAD
Wybierz żądany format




