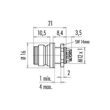
Numer części: 99 9128 70 08
Zatrzask Złącze panelowe żeńskie, Kontaktów: 8, nieekranowany, lutowanie, IP67, UL 2238, VDE, M12x1,0, Montaż z przodu
Snap-in IP67, seria 720, Złącze miniaturowe
Cechy ogólne
więcejmniej| Numer części | 99 9128 70 08 |
| Konstrukcja złączy | Złącze panelowe żeńskie |
| Wersja | Złącze żeńskie proste |
| System blokady złączy | snap-in |
| Obtrysk na kablu | lutowanie |
| Stopień ochrony | IP67 |
| Przekrój przyłącza | maks. 0,25 mm² / AWG 24 |
| Zakres temperatur od/do | -25 °C / 85 °C |
| Ilość cykli łączenia | > 500 cykli łączenia |
| Waga (gr) | 5.57 |
| Numer taryfy celnej | 85369010 |
| Kraj pochodzenia | DE |
Parametry elektryczne
więcejmniej| Napięcie znamionowe | 125 V |
| Znamionowe napięcie udarowe | 1500 V |
| Prąd znamionowy | 2,0 A |
| Rezystancja izolacji kabla | ≥ 1010 Ω |
| Stopień zanieczyszczenia | 2 |
| Kategoria przepięciowa | II |
| Grupa materiałowa | II |
| Zgodność z EMV | nieekranowany |
Materiał
więcejmniej| Materiał styków | PA |
| Materiał korpusu styków | PA (UL94HB) zielony |
| Materiał styku | CuSn (brąz) |
| Pokrycie styku | Au (złoto) |
| REACH SVHC |
CAS 7439-92-1 (Lead) |
| Obecność PFAS | 4e962495-22a5-417e-8162-e95953549272 |
Zezwolenia/zatwierdzenia
więcejmniej| Wstęp | UL 2238, VDE |
Klasyfikacje
więcejmniej| eCl@ss 11.1 | 27-44-01-02 |
| ETIM 9.0 | EC002635 |
Trade-Compliance
więcejmniej| Copper (9903.78.01) | 0.001008 kg |
Uwagi dotyczące bezpieczeństwa
- Wtyczki nie wolno podłączać ani odłączać pod obciążeniem. Nieprzestrzeganie i niewłaściwe użytkowanie może spowodować obrażenia ciała.
- Złącza zostały stworzone do zastosowań w inżynierii instalacji, sterowaniu i budowie wyposażenia elektrycznego. Użytkownik jest odpowiedzialny za sprawdzenie, czy złącza mogą być używane również do innych zastosowań.
- Złącza stosowane w obwodach o napięciach niebezpiecznych w dotyku mogą być instalowane i używane wyłącznie przez osoby z wykształceniem elektrotechnicznym lub pod ich nadzorem, z uwzględnieniem obowiązujących przepisów i norm.
- Użytkownik musi podjąć odpowiednie środki ostrożności, aby zapobiec przypadkowemu odłączeniu złącza.
- Złącza wtykowe o stopniu ochrony IP67 i IP68 nie nadają się do stosowania pod wodą. W przypadku stosowania na zewnątrz złącza wtykowe należy oddzielnie zabezpieczyć przed korozją. Więcej informacji na temat klas ochrony IP można znaleźć w centrum pobierania w sekcji "Informacje Techniczne".
- Należy zwrócić uwagę na stopień zanieczyszczenia i kategorię przepięciową. Więcej informacji można znaleźć w centrum pobierania w sekcji "Informacje Techniczne".
Pliki
Arkusz danych
Arkusz danych 99 9128 70 08
pobierz
Certyfikat
Certyfikat UL
pobierz
Certyfikat
Certyfikat VDE
pobierz
REACH
99 9128 70 08
pobierz
RoHS
99 9128 70 08
pobierz
China RoHS
99 9128 70 08
pobierz
Dane EPLAN
99 9128 70 08
pobierz
Weryfikacja do pobrania
Ukończ weryfikację, aby kontynuować pobieranie CAD.
Dane CAD
Wybierz żądany format



