Numer części: 86 6319 1121 00008
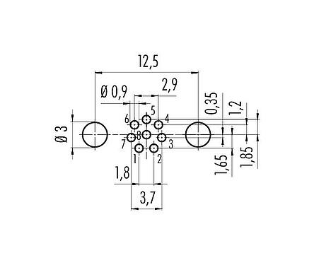
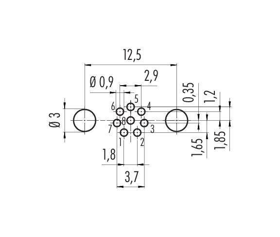
M8 Złącze panelowe męskie, Kontaktów: 8, do ekranowania, THT, IP67, UL 2238, M8x1,0, Montaż na ścianie tylnej
M8, seria 718, Technologia automatyzacji - czujniki i elementy wykonawcze (aktuatory)
Cechy ogólne
więcejmniej| Numer części |
86 6319 1121 00008
Stary numer katalogowy: 09 3427 82 08
|
| Zawiadomienie |
Pamiętaj, że w związku ze zmianą starego numeru zamówienia na nowy mogą wystąpić odstępstwa w specyfikacji technicznej. Jeśli masz pytania dotyczące szczegółów produktu, skorzystaj z formularza 'Skontaktuj się z obsługą klienta' po prawej stronie.
więcej |
| Konstrukcja złączy | Złącze panelowe męskie |
| Typ standardowy | DIN EN 61076-2-104 |
| Kodowanie | kodowane A |
| Wersja | Złącze męskie kątowe |
| System blokady złączy | śruba/snap-in |
| Obtrysk na kablu | THT |
| Stopień ochrony | IP67 |
| Zakres temperatur od/do | -40 °C / 85 °C |
| Ilość cykli łączenia | > 100 cykli łączenia |
| Waga (gr) | 4.82 |
| Numer taryfy celnej | 85369010 |
| Kraj pochodzenia | DE |
Parametry elektryczne
więcejmniej| Napięcie znamionowe | 30 V |
| Znamionowe napięcie udarowe | 800 V |
| Prąd znamionowy | 1,5 A |
| Stopień zanieczyszczenia | 3 |
| Kategoria przepięciowa | II |
| Grupa materiałowa | II |
| Zgodność z EMV | do ekranowania |
| Połączenie osłonowe | Blaszka ekranująca |
Materiał
więcejmniej| Materiał styków | Odlew cynkowy, niklowany |
| Materiał korpusu styków | PA czarny |
| Materiał styku | CuZn (mosiądz) |
| Pokrycie styku | Au (złoto) |
| REACH SVHC |
CAS 7439-92-1 (Lead) |
| Obecność PFAS | 4270cb6c-249d-4483-9052-51b153a21d8c |
Zezwolenia/zatwierdzenia
więcejmniej| Wstęp | UL 2238 |
Klasyfikacje
więcejmniej| eCl@ss 11.1 | 27-44-01-09 |
| ETIM 9.0 | EC003569 |
Uwagi dotyczące bezpieczeństwa
- Wtyczki nie wolno podłączać ani odłączać pod obciążeniem. Nieprzestrzeganie i niewłaściwe użytkowanie może spowodować obrażenia ciała.
- Złącza zostały stworzone do zastosowań w inżynierii instalacji, sterowaniu i budowie wyposażenia elektrycznego. Użytkownik jest odpowiedzialny za sprawdzenie, czy złącza mogą być używane również do innych zastosowań.
- Złącza stosowane w obwodach o napięciach niebezpiecznych w dotyku mogą być instalowane i używane wyłącznie przez osoby z wykształceniem elektrotechnicznym lub pod ich nadzorem, z uwzględnieniem obowiązujących przepisów i norm.
- Użytkownik musi podjąć odpowiednie środki ostrożności, aby zapobiec przypadkowemu odłączeniu złącza.
- Złącza wtykowe o stopniu ochrony IP67 i IP68 nie nadają się do stosowania pod wodą. W przypadku stosowania na zewnątrz złącza wtykowe należy oddzielnie zabezpieczyć przed korozją. Więcej informacji na temat klas ochrony IP można znaleźć w centrum pobierania w sekcji "Informacje Techniczne".
- Należy zwrócić uwagę na stopień zanieczyszczenia i kategorię przepięciową. Więcej informacji można znaleźć w centrum pobierania w sekcji "Informacje Techniczne".
- Aby zblokować złącze kablowe w złączu urządzenia, gwintowany pierścień jest 'ręcznie' dokręcany (ok. 50 cNm).




