Numer części: 86 6518 1123 00004
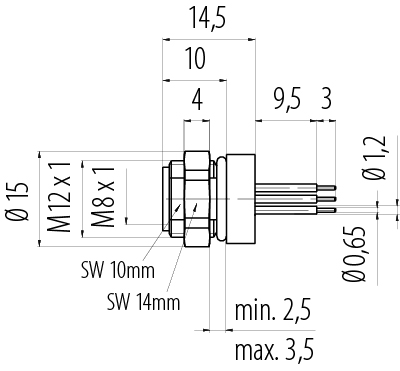
M8 Złącze panelowe żeńskie, Kontaktów: 4, nieekranowany, THT, IP67, M12x1,0, Montaż na ścianie tylnej
M8, seria 718, Technologia automatyzacji - czujniki i elementy wykonawcze (aktuatory)
Cechy ogólne
więcejmniej| Numer części |
86 6518 1123 00004
Stary numer katalogowy: 09 3390 80 04
|
| Zawiadomienie |
Pamiętaj, że w związku ze zmianą starego numeru zamówienia na nowy mogą wystąpić odstępstwa w specyfikacji technicznej. Jeśli masz pytania dotyczące szczegółów produktu, skorzystaj z formularza 'Skontaktuj się z obsługą klienta' po prawej stronie.
więcej |
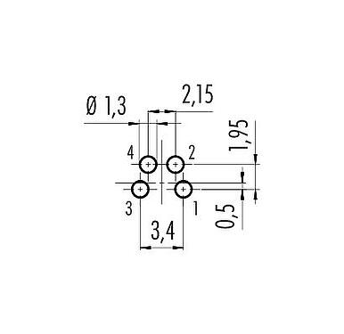
| Konstrukcja złączy | Złącze panelowe żeńskie |
| Typ standardowy | DIN EN 61076-2-104 |
| Kodowanie | kodowane A |
| Wersja | Złącze żeńskie proste |
| System blokady złączy | śruba |
| Obtrysk na kablu | THT |
| Stopień ochrony | IP67 |
| Zakres temperatur od/do | -40 °C / 85 °C |
| Ilość cykli łączenia | > 100 cykli łączenia |
| Waga (gr) | 11.88 |
| Numer taryfy celnej | 85369010 |
| Kraj pochodzenia | DE |
Parametry elektryczne
więcejmniej| Napięcie znamionowe | 50 V (AC) / 60 V (DC) |
| Znamionowe napięcie udarowe | 1500 V |
| Prąd znamionowy | 4,0 A |
| Stopień zanieczyszczenia | 3 |
| Kategoria przepięciowa | II |
| Grupa materiałowa | II |
| Zgodność z EMV | nieekranowany |
Materiał
więcejmniej| Materiał styków | CuZn (mosiądz niklowany) |
| Materiał korpusu styków | PA czarny |
| Materiał styku | CuSn (brąz) |
| Pokrycie styku | Au (złoto) |
| Długość kontaktu | 9,5 mm |
| REACH SVHC |
CAS 7439-92-1 (Lead) |
| Obecność PFAS | a006fd1d-4add-49b3-88ec-3da7d11bf479 |
Klasyfikacje
więcejmniej| eCl@ss 11.1 | 27-44-01-09 |
| ETIM 9.0 | EC003569 |
Uwagi dotyczące bezpieczeństwa
- Wtyczki nie wolno podłączać ani odłączać pod obciążeniem. Nieprzestrzeganie i niewłaściwe użytkowanie może spowodować obrażenia ciała.
- Złącza zostały stworzone do zastosowań w inżynierii instalacji, sterowaniu i budowie wyposażenia elektrycznego. Użytkownik jest odpowiedzialny za sprawdzenie, czy złącza mogą być używane również do innych zastosowań.
- Złącza stosowane w obwodach o napięciach niebezpiecznych w dotyku mogą być instalowane i używane wyłącznie przez osoby z wykształceniem elektrotechnicznym lub pod ich nadzorem, z uwzględnieniem obowiązujących przepisów i norm.
- Użytkownik musi podjąć odpowiednie środki ostrożności, aby zapobiec przypadkowemu odłączeniu złącza.
- Złącza wtykowe o stopniu ochrony IP67 i IP68 nie nadają się do stosowania pod wodą. W przypadku stosowania na zewnątrz złącza wtykowe należy oddzielnie zabezpieczyć przed korozją. Więcej informacji na temat klas ochrony IP można znaleźć w centrum pobierania w sekcji "Informacje Techniczne".
- Należy zwrócić uwagę na stopień zanieczyszczenia i kategorię przepięciową. Więcej informacji można znaleźć w centrum pobierania w sekcji "Informacje Techniczne".
- Aby zblokować złącze kablowe w złączu urządzenia, gwintowany pierścień jest 'ręcznie' dokręcany (ok. 50 cNm).
Pliki
Arkusz danych
Arkusz danych 86 6518 1123 00004
pobierz
REACH
86 6518 1123 00004
pobierz
RoHS
86 6518 1123 00004
pobierz
China RoHS
86 6518 1123 00004
pobierz
Dane EPLAN
86 6518 1123 00004
pobierz
Weryfikacja do pobrania
Ukończ weryfikację, aby kontynuować pobieranie CAD.
Dane CAD
Wybierz żądany format



