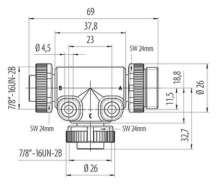
Numer części: 79 5473 100 03
7/8" Rozdzielacz dwukierunkowy, Kontaktów: 3, nieekranowany, IP68
7/8", seria 820/870, Technika automatyzacji - dostarczenie napięcia i mocy
Cechy ogólne
więcejmniej| Numer części | 79 5473 100 03 |
| Konstrukcja złączy | Rozdzielacz dwukierunkowy |
| Wersja | T-Distributors |
| System blokady złączy | śruba |
| Stopień ochrony | IP68 |
| Zakres temperatur od/do | -25 °C / 80 °C |
| Ilość cykli łączenia | > 100 cykli łączenia |
| Waga (gr) | 78.00 |
| Numer taryfy celnej | 85444290 |
| Kraj pochodzenia | DE |
Parametry elektryczne
więcejmniej| Napięcie znamionowe | 400 V |
| Znamionowe napięcie udarowe | 4000 V |
| Prąd znamionowy | 10,0 A |
| Rezystancja izolacji kabla | > 1010 Ω |
| Stopień zanieczyszczenia | 3 |
| Kategoria przepięciowa | II |
| Grupa materiałowa | I |
| Zgodność z EMV | nieekranowany |
Materiał
więcejmniej| Materiał korpusu styków | PUR |
| Materiał styku | CuSn (brąz )/ CuZn (mosiądz) |
| Pokrycie styku | Au (złoto) |
| REACH SVHC |
CAS 7439-92-1 (Lead) |
| Obecność PFAS | SCIP-number not available |
Deklaracje zgodności
więcejmniej| Dyrektywy niskonapięciowe | 2014/35/EU (EN 60529:1991 | 2014/35/EU;EN 60204-1:2018) |
Trade-Compliance
więcejmniej| Copper (9903.78.01) | 0.001862 kg |
Uwagi dotyczące bezpieczeństwa
- Wtyczki nie wolno podłączać ani odłączać pod obciążeniem. Nieprzestrzeganie i niewłaściwe użytkowanie może spowodować obrażenia ciała.
- Złącza zostały stworzone do zastosowań w inżynierii instalacji, sterowaniu i budowie wyposażenia elektrycznego. Użytkownik jest odpowiedzialny za sprawdzenie, czy złącza mogą być używane również do innych zastosowań.
- Złącza stosowane w obwodach o napięciach niebezpiecznych w dotyku mogą być instalowane i używane wyłącznie przez osoby z wykształceniem elektrotechnicznym lub pod ich nadzorem, z uwzględnieniem obowiązujących przepisów i norm.
- Użytkownik musi podjąć odpowiednie środki ostrożności, aby zapobiec przypadkowemu odłączeniu złącza.
- Złącza wtykowe o stopniu ochrony IP67 i IP68 nie nadają się do stosowania pod wodą. W przypadku stosowania na zewnątrz złącza wtykowe należy oddzielnie zabezpieczyć przed korozją. Więcej informacji na temat klas ochrony IP można znaleźć w centrum pobierania w sekcji "Informacje Techniczne".
- Należy zwrócić uwagę na stopień zanieczyszczenia i kategorię przepięciową. Więcej informacji można znaleźć w centrum pobierania w sekcji "Informacje Techniczne".
- Aby zablokować złącze kablowe w złączu urządzenia, zalecamy dokręcenie gwintowanego pierścienia momentem 1,5 Nm. Odpowiedni klucz dynamometryczny jest dostępny jako akcesorium (nr zamówienia 07 0082 000).
Pliki
Arkusz danych
Arkusz danych 79 5473 100 03
pobierz
REACH
79 5473 100 03
pobierz
RoHS
79 5473 100 03
pobierz
China RoHS
79 5473 100 03
pobierz
Deklaracja zgodności CE
Dyrektywy niskonapięciowe
pobierz
Deklaracja zgodności UKCA
Sprzęt elektryczny
pobierz
Dane CAD
STP-Dane 79 5473 100 03
pobierz
Dane CAD
Inne formaty
TraceParts



