Numer części: 99 3731 201 04
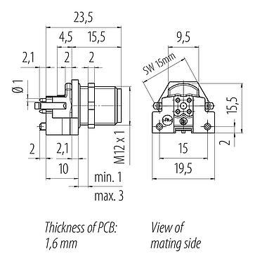
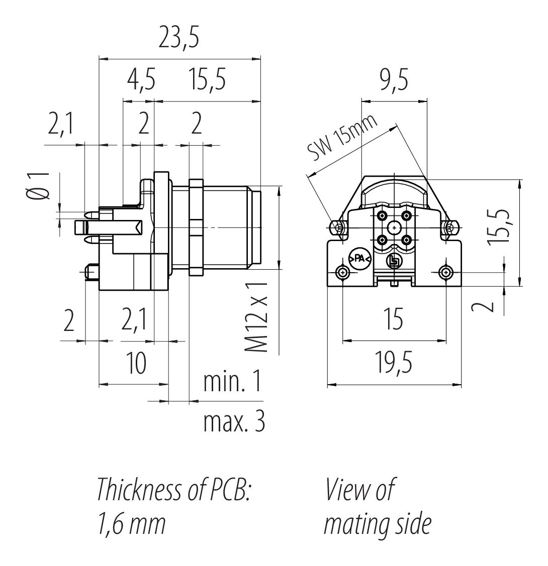
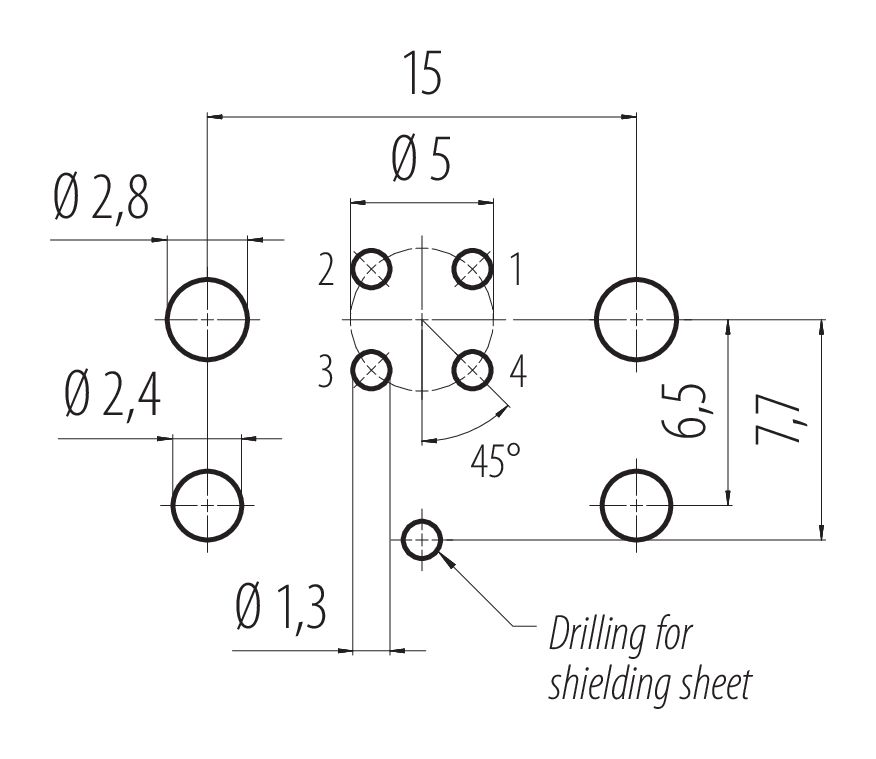
M12 Złącze panelowe męskie, Kontaktów: 4, do ekranowania, THR, IP67, UL 2238, M12x1,0, Montaż na ścianie tylnej
M12-D, seria 876, Technologia automatyzacji - transmisja danych
Cechy ogólne
więcejmniej| Numer części | 99 3731 201 04 |
| Konstrukcja złączy | Złącze panelowe męskie |
| Typ standardowy | DIN EN 61076-2-101 |
| Kodowanie | kodowane D |
| Wersja | Złącze męskie proste |
| System blokady złączy | śruba |
| Obtrysk na kablu | THR |
| Stopień ochrony | IP67 |
| Zakres temperatur od/do | -40 °C / 85 °C |
| Ilość cykli łączenia | > 100 cykli łączenia |
| Waga (gr) | 8.58 |
| Numer taryfy celnej | 85369010 |
| Kraj pochodzenia | HU |
Parametry elektryczne
więcejmniej| Napięcie znamionowe | 250 V |
| Znamionowe napięcie udarowe | 2500 V |
| Prąd znamionowy | 4,0 A |
| Stopień zanieczyszczenia | 3 |
| Szybkość transmisji | CAT 5 |
| Kategoria przepięciowa | II |
| Grupa materiałowa | II |
| Zgodność z EMV | do ekranowania |
| Połączenie osłonowe | Blaszka ekranująca |
Materiał
więcejmniej| Materiał styków | CuZn (mosiądz niklowany) |
| Materiał korpusu styków | PA |
| Materiał styku | CuZn (mosiądz) |
| Pokrycie styku | Au (złoto) |
| Materiał elementu blokującego | CuZn (mosiądz) |
| REACH SVHC |
CAS 7439-92-1 (Lead) |
| Obecność PFAS | ae72a416-7556-4361-8444-6110c29662aa |
Zezwolenia/zatwierdzenia
więcejmniej| Wstęp | UL 2238 |
Klasyfikacje
więcejmniej| eCl@ss 11.1 | 27-44-01-02 |
| ETIM 9.0 | EC002635 |
Uwagi dotyczące bezpieczeństwa
- Wtyczki nie wolno podłączać ani odłączać pod obciążeniem. Nieprzestrzeganie i niewłaściwe użytkowanie może spowodować obrażenia ciała.
- Złącza zostały stworzone do zastosowań w inżynierii instalacji, sterowaniu i budowie wyposażenia elektrycznego. Użytkownik jest odpowiedzialny za sprawdzenie, czy złącza mogą być używane również do innych zastosowań.
- Złącza stosowane w obwodach o napięciach niebezpiecznych w dotyku mogą być instalowane i używane wyłącznie przez osoby z wykształceniem elektrotechnicznym lub pod ich nadzorem, z uwzględnieniem obowiązujących przepisów i norm.
- Użytkownik musi podjąć odpowiednie środki ostrożności, aby zapobiec przypadkowemu odłączeniu złącza.
- Złącza wtykowe o stopniu ochrony IP67 i IP68 nie nadają się do stosowania pod wodą. W przypadku stosowania na zewnątrz złącza wtykowe należy oddzielnie zabezpieczyć przed korozją. Więcej informacji na temat klas ochrony IP można znaleźć w centrum pobierania w sekcji "Informacje Techniczne".
- Należy zwrócić uwagę na stopień zanieczyszczenia i kategorię przepięciową. Więcej informacji można znaleźć w centrum pobierania w sekcji "Informacje Techniczne".
- Aby zblokować złącze kablowe w złączu urządzenia, gwintowany pierścień jest 'ręcznie' dokręcany (ok. 60 cNm).
Pliki
Arkusz danych
Arkusz danych 99 3731 201 04
pobierz
Certyfikat
Certyfikat UL
pobierz
REACH
99 3731 201 04
pobierz
RoHS
99 3731 201 04
pobierz
China RoHS
99 3731 201 04
pobierz
Dane EPLAN
99 3731 201 04
pobierz
Weryfikacja do pobrania
Ukończ weryfikację, aby kontynuować pobieranie CAD.
Dane CAD
Wybierz żądany format




