Menu
23.04.2018

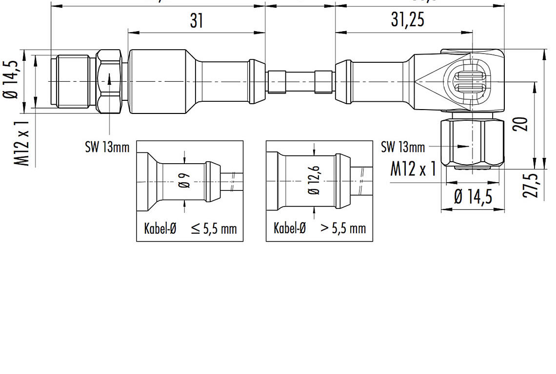
New product: M12-A Food & Beverage according to FDA

  • For applications in the field of food and pharmaceuticalas well as chemical industry
  • Certification according to Ecolab
  • According to FDA 21 CFR
  • Stainless steel locking rings (V4A)
  • Protection degree IP69K
  • Type M12 in all pole numbers
  • Attractive design in grey
  • Available from now on
Series763, 765
Series
Contacts
763, 765
3, 4, 5, 8, 12
Series
Coding
763, 765
A
Series
Thread
763, 765
M12 x 1
Series
Rated current
763, 765
4 A, 2 A, 1,5 A
Series
Rated voltage
763, 765
205 V, 125 V, 60 V
Series
Degree of protection
763, 765
IP69K
Series
Contact plating
763, 765
Au (gold)
Series
Termination
763, 765
overmolded
Series
Cable
763, 765
TPVHF

Male cable connector, moulded

ContactsCod.Cable lengthOrdering-No. (acc. to FDA)
Contacts
3
Cod.
A
Cable length
2 m
Ordering-No. (acc. to FDA)
77 3729 0000 40403–0200
Contacts
3
Cod.
A
Cable length
5 m
Ordering-No. (acc. to FDA)
77 3729 0000 40403–0500
Contacts
4
Cod.
A
Cable length
2 m
Ordering-No. (acc. to FDA)
77 3729 0000 40404–0200
Contacts
4
Cod.
A
Cable length
5 m
Ordering-No. (acc. to FDA)
77 3729 0000 40404–0500
Contacts
5
Cod.
A
Cable length
2 m
Ordering-No. (acc. to FDA)
77 3729 0000 40405–0200
Contacts
5
Cod.
A
Cable length
5 m
Ordering-No. (acc. to FDA)
77 3729 0000 40405–0500
Contacts
8
Cod.
A
Cable length
2 m
Ordering-No. (acc. to FDA)
77 3729 0000 40908–0200
Contacts
8
Cod.
A
Cable length
5 m
Ordering-No. (acc. to FDA)
77 3729 0000 40908–0500
Contacts
12
Cod.
A
Cable length
2 m
Ordering-No. (acc. to FDA)
77 3729 0000 40912–0200
Contacts
12
Cod.
A
Cable length
5 m
Ordering-No. (acc. to FDA)
77 3729 0000 40912–0500

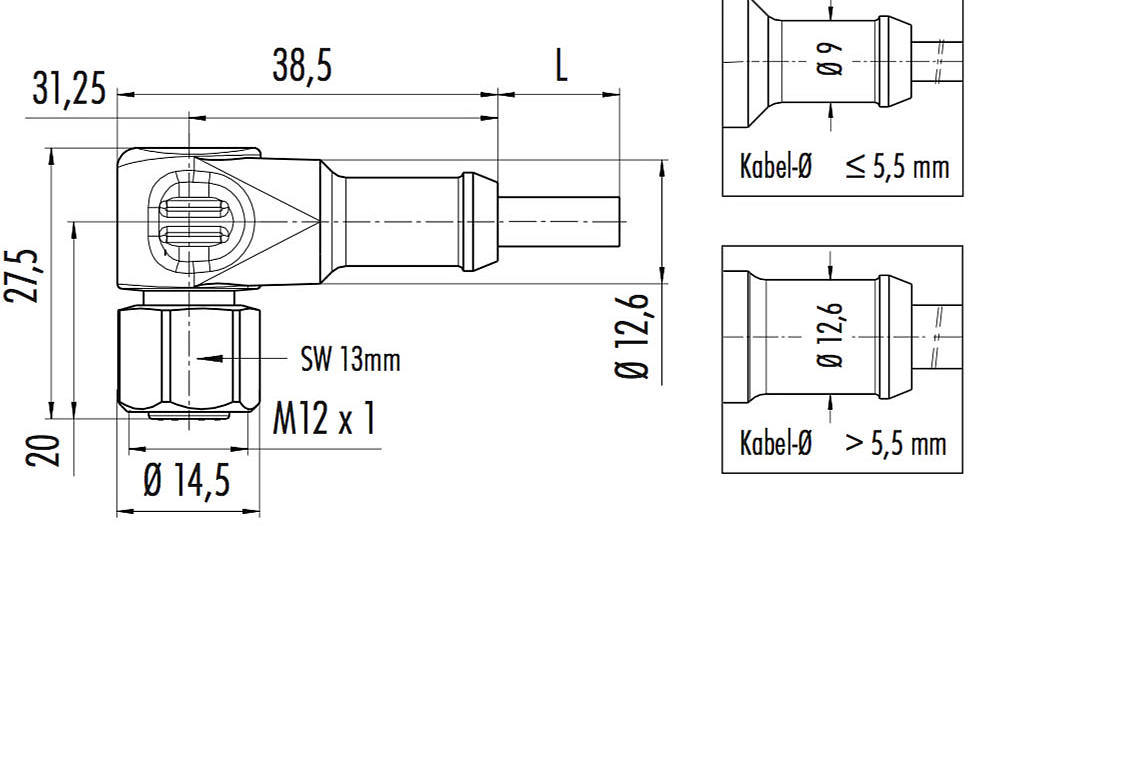
Male angled connector, moulded

ContactsCod.Cable lengthOrdering-No. (acc. to FDA)
Contacts
3
Cod.
A
Cable length
2 m
Ordering-No. (acc. to FDA)
77 3730 0000 40403–0200
Contacts
3
Cod.
A
Cable length
5 m
Ordering-No. (acc. to FDA)
77 3730 0000 40403–0500
Contacts
4
Cod.
A
Cable length
2 m
Ordering-No. (acc. to FDA)
77 3730 0000 40404–0200
Contacts
4
Cod.
A
Cable length
5 m
Ordering-No. (acc. to FDA)
77 3730 0000 40404–0500
Contacts
5
Cod.
A
Cable length
2 m
Ordering-No. (acc. to FDA)
77 3730 0000 40405–0200
Contacts
5
Cod.
A
Cable length
5 m
Ordering-No. (acc. to FDA)
77 3730 0000 40405–0500
Contacts
8
Cod.
A
Cable length
2 m
Ordering-No. (acc. to FDA)
77 3730 0000 40908–0200
Contacts
8
Cod.
A
Cable length
5 m
Ordering-No. (acc. to FDA)
77 3730 0000 40908–0500
Contacts
12
Cod.
A
Cable length
2 m
Ordering-No. (acc. to FDA)
77 3730 0000 40912–0200
Contacts
12
Cod.
A
Cable length
5 m
Ordering-No. (acc. to FDA)
77 3730 0000 40912–0500

Female cable connector, moulded

ContactsCod.Cable lengthOrdering-No. (acc. to FDA)
Contacts
3
Cod.
A
Cable length
2 m
Ordering-No. (acc. to FDA)
77 3730 0000 40403–0200
Contacts
3
Cod.
A
Cable length
5 m
Ordering-No. (acc. to FDA)
77 3730 0000 40403–0500
Contacts
4
Cod.
A
Cable length
2 m
Ordering-No. (acc. to FDA)
77 3730 0000 40404–0200
Contacts
4
Cod.
A
Cable length
5 m
Ordering-No. (acc. to FDA)
77 3730 0000 40404–0500
Contacts
5
Cod.
A
Cable length
2 m
Ordering-No. (acc. to FDA)
77 3730 0000 40405–0200
Contacts
5
Cod.
A
Cable length
5 m
Ordering-No. (acc. to FDA)
77 3730 0000 40405–0500
Contacts
8
Cod.
A
Cable length
2 m
Ordering-No. (acc. to FDA)
77 3730 0000 40908–0200
Contacts
8
Cod.
A
Cable length
5 m
Ordering-No. (acc. to FDA)
77 3730 0000 40908–0500
Contacts
12
Cod.
A
Cable length
2 m
Ordering-No. (acc. to FDA)
77 3730 0000 40912–0200
Contacts
12
Cod.
A
Cable length
5 m
Ordering-No. (acc. to FDA)
77 3730 0000 40912–0500

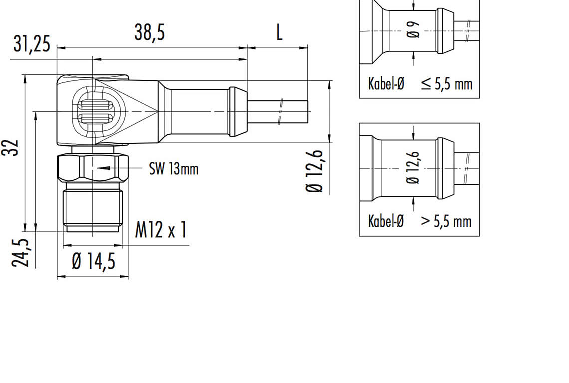
Female angled connector, moulded

ContactsCod.Cable lengthOrdering-No. (acc. to FDA)
Contacts
3
Cod.
A
Cable length
2 m
Ordering-No. (acc. to FDA)
77 3734 0000 40403–0200
Contacts
3
Cod.
A
Cable length
5 m
Ordering-No. (acc. to FDA)
77 3734 0000 40403–0500
Contacts
4
Cod.
A
Cable length
2 m
Ordering-No. (acc. to FDA)
77 3734 0000 40404–0200
Contacts
4
Cod.
A
Cable length
5 m
Ordering-No. (acc. to FDA)
77 3734 0000 40404–0500
Contacts
5
Cod.
A
Cable length
2 m
Ordering-No. (acc. to FDA)
77 3734 0000 40405–0200
Contacts
5
Cod.
A
Cable length
5 m
Ordering-No. (acc. to FDA)
77 3734 0000 40405–0500
Contacts
8
Cod.
A
Cable length
2 m
Ordering-No. (acc. to FDA)
77 3734 0000 40908–0200
Contacts
8
Cod.
A
Cable length
5 m
Ordering-No. (acc. to FDA)
77 3734 0000 40908–0500
Contacts
12
Cod.
A
Cable length
2 m
Ordering-No. (acc. to FDA)
77 3734 0000 40912–0200
Contacts
12
Cod.
A
Cable length
5 m
Ordering-No. (acc. to FDA)
77 3734 0000 40912–0500

Connecting cable, Male cable connector M12 x 1 – Female cable connector M12 x 1

ContactsCod.Cable lengthOrdering-No. (acc. to FDA)
Contacts
3
Cod.
A
Cable length
2 m
Ordering-No. (acc. to FDA)
77 3730 3729 40403–0200
Contacts
3
Cod.
A
Cable length
5 m
Ordering-No. (acc. to FDA)
77 3730 3729 40403–0500
Contacts
4
Cod.
A
Cable length
2 m
Ordering-No. (acc. to FDA)
77 3730 3729 40404–0200
Contacts
4
Cod.
A
Cable length
5 m
Ordering-No. (acc. to FDA)
77 3730 3729 40404–0500
Contacts
5
Cod.
A
Cable length
2 m
Ordering-No. (acc. to FDA)
77 3730 3729 40405–0200
Contacts
5
Cod.
A
Cable length
5 m
Ordering-No. (acc. to FDA)
77 3730 3729 40405–0500
Contacts
8
Cod.
A
Cable length
2 m
Ordering-No. (acc. to FDA)
77 3730 3729 40908–0200
Contacts
8
Cod.
A
Cable length
5 m
Ordering-No. (acc. to FDA)
77 3730 3729 40908–0500
Contacts
12
Cod.
A
Cable length
2 m
Ordering-No. (acc. to FDA)
77 3730 3729 40912–0200
Contacts
12
Cod.
A
Cable length
5 m
Ordering-No. (acc. to FDA)
77 3730 3729 40912–0500

Connecting cable, Male cable connector M12 x 1 – Female angled connector M12 x 1

ContactsCod.Cable lengthOrdering-No. (acc. to FDA)
Contacts
3
Cod.
A
Cable length
2 m
Ordering-No. (acc. to FDA)
77 3734 3729 40403–0200
Contacts
3
Cod.
A
Cable length
5 m
Ordering-No. (acc. to FDA)
77 3734 3729 40403–0500
Contacts
4
Cod.
A
Cable length
2 m
Ordering-No. (acc. to FDA)
77 3734 3729 40404–0200
Contacts
4
Cod.
A
Cable length
5 m
Ordering-No. (acc. to FDA)
77 3730 3729 40404–0500
Contacts
5
Cod.
A
Cable length
2 m
Ordering-No. (acc. to FDA)
77 3734 3729 40405–0200
Contacts
5
Cod.
A
Cable length
5 m
Ordering-No. (acc. to FDA)
77 3734 3729 40405–0500
Contacts
8
Cod.
A
Cable length
2 m
Ordering-No. (acc. to FDA)
77 3734 3729 40908–0200
Contacts
8
Cod.
A
Cable length
5 m
Ordering-No. (acc. to FDA)
77 3734 3729 40908–0500
Contacts
12
Cod.
A
Cable length
2 m
Ordering-No. (acc. to FDA)
77 3734 3729 40912–0200
Contacts
12
Cod.
A
Cable length
5 m
Ordering-No. (acc. to FDA)
77 3734 3729 40912–0500

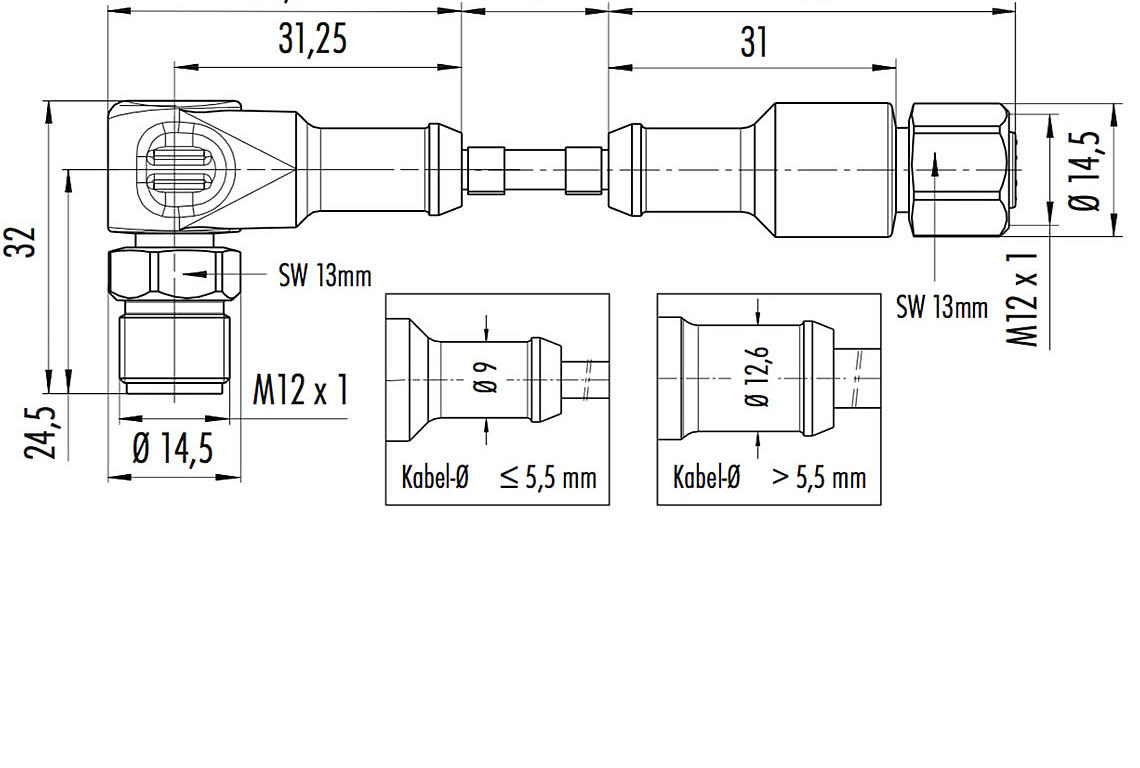
Connecting cable, Male angled connector M12 x 1 – Female cable connector M12 x 1

ContactsCod.Cable lengthOrdering-No. (acc. to FDA)
Contacts
3
Cod.
A
Cable length
2 m
Ordering-No. (acc. to FDA)
77 3730 3727 40403–0200
Contacts
3
Cod.
A
Cable length
5 m
Ordering-No. (acc. to FDA)
77 3730 3720 40403–0500
Contacts
4
Cod.
A
Cable length
2 m
Ordering-No. (acc. to FDA)
77 3730 3720 40404–0200
Contacts
4
Cod.
A
Cable length
5 m
Ordering-No. (acc. to FDA)
77 3730 3720 40404–0500
Contacts
5
Cod.
A
Cable length
2 m
Ordering-No. (acc. to FDA)
77 3730 3720 40405–0200
Contacts
5
Cod.
A
Cable length
5 m
Ordering-No. (acc. to FDA)
77 3730 3720 40405–0500
Contacts
8
Cod.
A
Cable length
2 m
Ordering-No. (acc. to FDA)
77 3730 3720 40908–0200
Contacts
8
Cod.
A
Cable length
5 m
Ordering-No. (acc. to FDA)
77 3730 3720 40908–0500
Contacts
12
Cod.
A
Cable length
2 m
Ordering-No. (acc. to FDA)
77 3730 3720 40912–0200
Contacts
12
Cod.
A
Cable length
5 m
Ordering-No. (acc. to FDA)
77 3730 3720 40912–0500

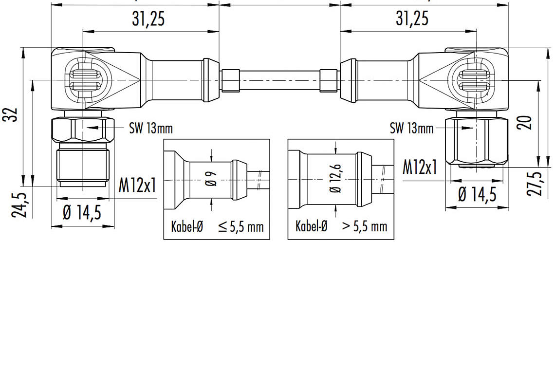
Connecting cable, Male angled connector M12 x 1 – Female angled connector M12 x 1

ContactsCod.Cable lengthOrdering-No. (acc. to FDA)
Contacts
3
Cod.
A
Cable length
2 m
Ordering-No. (acc. to FDA)
77 3734 3727 40403–0200
Contacts
3
Cod.
A
Cable length
5 m
Ordering-No. (acc. to FDA)
77 3734 3727 40403–0500
Contacts
4
Cod.
A
Cable length
2 m
Ordering-No. (acc. to FDA)
77 3734 3727 40404–0200
Contacts
4
Cod.
A
Cable length
5 m
Ordering-No. (acc. to FDA)
77 3730 3727 40404–0500
Contacts
5
Cod.
A
Cable length
2 m
Ordering-No. (acc. to FDA)
77 3734 3727 40405–0200
Contacts
5
Cod.
A
Cable length
5 m
Ordering-No. (acc. to FDA)
77 3734 3727 40405–0500
Contacts
8
Cod.
A
Cable length
2 m
Ordering-No. (acc. to FDA)
77 3734 3727 40908–0200
Contacts
8
Cod.
A
Cable length
5 m
Ordering-No. (acc. to FDA)
77 3734 3727 40908–0500
Contacts
12
Cod.
A
Cable length
2 m
Ordering-No. (acc. to FDA)
77 3734 3727 40912–0200
Contacts
12
Cod.
A
Cable length
5 m
Ordering-No. (acc. to FDA)
77 3734 3727 40912–0500
+49 (0) 7132 325–0 Contact form