Número de parte: 43 1705 005 03
Conector de alimentación macho, Número de contactos: 2+PE, sin blindaje, soldadura, IP40 sin junta, VDE, ESTI+
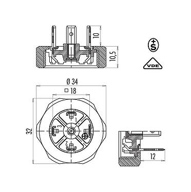
Modelo A, serie 210, Tecnología de automatización - conectores de válvulas solenoides
Características generales
másmenos| Número de parte | 43 1705 005 03 |
| Diseño de conector | Conector de alimentación macho |
| Tipo estándar | DIN EN 175301-803 |
| Versión | Conector macho recto |
| Sistema de bloqueo de conector | Tornillo central |
| Terminación | soldadura |
| Grado de protección |
IP40 sin junta IP65 con junta, ver accesorios |
| Sección de conexión | 1,00 mm² / AWG 17 |
| Rango de temperatura desde / hasta | -25 °C / 100 °C |
| Operacion mecanica | > 50 ciclos de conexión |
| Peso (gr) | 8.56 |
| Número de arancel aduanero | 85369010 |
| País de origen | HU |
Parámetros eléctricos
másmenos| Voltaje nominal | 250 V |
| Voltaje de impulso nominal | 4000 V |
| Corriente nominal (40 ° C) | 10,0 A |
| Grado de contaminación | 3 |
| Categoría de sobrevoltaje | III |
| Grupo de materiales | III |
| Cumplimiento de EMV | sin blindaje |
Material
másmenos| Material de la carcasa | PA (UL94 HB) |
| Material del cuerpo de contacto | PA (UL94 HB) |
| Material de contacto | CuZn (latón) |
| Chapado de contacto | Sn (estaño) |
| REACH SVHC |
CAS 7439-92-1 (Lead) |
| PFAS presentes | fdedfd44-fc91-4e49-818a-887dbb15720c |
Autorizaciones / aprobaciones
másmenos| Approvals | VDE, ESTI+ |
Clasificaciones
másmenos| eCl@ss 11.1 | 27-06-03-11 |
| ETIM 9.0 | EC002635 |
Declaración de conformidad CE
másmenos| Directiva de baja tensión | EN 60529:1991 | EN 60204-1:2018 |
Avisos de seguridad
- El conector no debe estar enchufado ni estar desenchufado bajo carga. El incumplimiento y el uso inadecuado pueden provocar lesiones personales.
- Los conectores se han desarrollado para aplicaciones en planta de ingeniería, control y construcción de equipos eléctricos. El usuario es responsable de comprobar si los conectores también se pueden utilizar en otras áreas de aplicación.
- Los conectores que se utilizan en circuitos con voltajes peligrosos al tacto sólo pueden ser instalados y utilizados por, o bajo la supervisión de, personas con formación en ingeniería eléctrica, teniendo en cuenta las normativas y normas aplicables.
- El usuario debe tomar las precauciones de seguridad adecuadas para asegurarse de que el conector no pueda desconectarse accidentalmente.
- Los conectores enchufables con protección del recinto IP67 e IP68 no son adecuados para su uso bajo el agua. Cuando se utilizan en exteriores, los conectores enchufables deben protegerse por separado contra la corrosión. Para obtener más información sobre las clases de protección IP, consulte "información técnica" Centro de descargas
- Por favor observe el grado de contaminación y la categoría de sobretensión. Para obtener más información, consulte el centro de descargas "información técnica"
Descargas
Ficha técnica
Ficha técnica 43 1705 005 03
descargar
Certificado
Certificado de plusvalía
descargar
Certificado
Certificado VDE
descargar
REACH
43 1705 005 03
descargar
RoHS
43 1705 005 03
descargar
China RoHS
43 1705 005 03
descargar
Declaración de conformidad CE
Directiva de baja tensión
descargar
Declaración de conformidad UNKA
Equipo eléctrico
descargar
Verificación para descargar
Complete la verificación para continuar con la descarga CAD.
Datos CAD
Elija su formato preferido
