Menu
Retour
  1. Produits
  2. Connecteurs d‘automatisme - capteurs et actionneurs
  3. M8
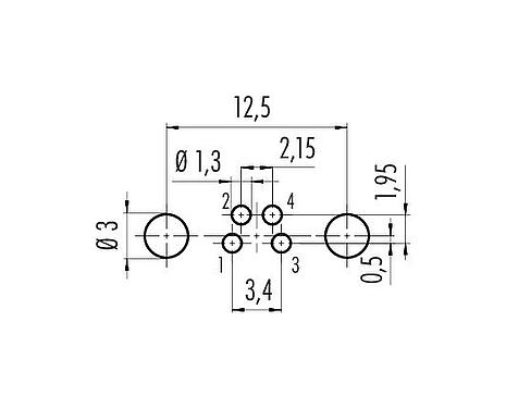
  4. M8 Embase mâle, Contacts: 4, blindable, THT, IP67, UL 2238, M8x1,0, Montage mural arrière, coulé
Référencee: 86 6319 1121 00004

M8 Embase mâle, Contacts: 4, blindable, THT, IP67, UL 2238, M8x1,0, Montage mural arrière, coulé

M8, série 718, Technologie d’automatisation - capteurs et actionneurs
Nombre de contacts disponibles
Comparatif
Téléchargements
Caractéristiques générales
Plusless
Référence 86 6319 1121 00004
Référence alternative: 09 3421 82 04
Avis
Veuillez noter qu’à la suite du passage de l’ancien au nouveau numéro de commande, des écarts sont possibles dans les spécifications techniques. Pour des informations détaillées sur le produit, veuillez utiliser l’option « Contacter le service client » en haut à droite.
Plus
Design du connecteur Embase mâle
Norme de conception DIN EN 61076-2-104
Codage A-codé
Version Connecteur d‘angle mâle
Verrouillage du connecteur visser/claquement
Connexion THT
Indice de protection IP67
Plage de températures de/à -40 °C / 85 °C
Durée de vie mécanique > 100 Cycles d'accouplement
Poids (g) 4.97
Numéro de tarif douanier 85369010
Pays d'origine DE
Tension nominale 50 V (AC) / 60 V (DC)
Tension de choc nominale 800 V
Courant nominal (40 °C) 4,0 A
Degré d’encrassement 3
Catégorie de surtension II
Groupe de matériau isolant II
Conformité CEM blindable
Raccordement du blindage Plaque de protection
Matériau du boîtier zinc coulé sous pression nickelé
Matériau du corps de contact PA noir
Matériau du contact CuZn (laiton)
Revêtement du contact Au (or)
REACH SVHC CAS 7439-92-1 (Lead)
Numéro SCIP 584d34d7-0071-4822-90bc-e543b5f198ee
eCl@ss 11.1 27-44-01-09
ETIM 9.0 EC003569
Security notices
  1. Le connecteur ne doit pas être branché ou débranché sous charge. Le non-respect et l'utilisation inappropriée peuvent entraîner des dommages corporels.
  2. Les connecteurs ont été développés pour des applications dans l'ingénierie des usines, le contrôle et la construction d'équipements électriques. Il incombe à l'utilisateur de vérifier si les connecteurs peuvent également être utilisés dans d'autres domaines d'application.
  3. Les connecteurs utilisés dans des circuits dont la tension est dangereuse pour le toucher ne peuvent être installés et utilisés que par des personnes ayant une formation en électrotechnique ou sous leur supervision, en tenant compte des réglementations et normes applicables.
  4. Des précautions de sécurité appropriées doivent être prises par l'utilisateur pour s'assurer que le connecteur ne peut pas être débranché accidentellement.
  5. Les connecteurs avec une protection de boîtier IP67 et IP68 ne sont pas adaptés à une utilisation sous l'eau. En cas d'utilisation à l'extérieur, les connecteurs doivent être protégés séparément contre la corrosion. Pour plus d'informations sur les degrés de protection IP, veuillez vous référer au centre de téléchargement "Informations techniques.
  6. Veuillez observer le degré de pollution et la catégorie de surtension. Pour plus d'informations, veuillez vous référer au centre de téléchargement "Informations techniques".
  7. Pour verrouiller le connecteur du câble avec le connecteur de l'appareil, la bague filetée est serrée "à la main" (environ 50 cNm).
Téléchargements
Fiche technique
Fiche technique 86 6319 1121 00004
PDF
Fiche technique, Fiche technique 86 6319 1121 00004
Certificats
Certificat UL
PDF, 281.79 KB
REACH
86 6319 1121 00004
PDF
RoHS
86 6319 1121 00004
PDF
China RoHS
86 6319 1121 00004
PDF
Données EPLAN
86 6319 1121 00004

Vérification pour le téléchargement

Veuillez terminer la vérification pour poursuivre le téléchargement CAD.

Données CAO
Sélectionner le format souhaité
M8
86 6319 1121 00004