Numer części: 09 0324 290 06
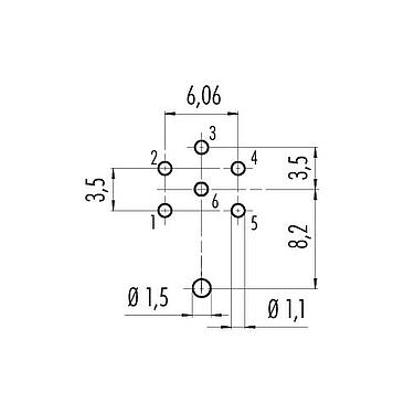
M16 Złącze panelowe żeńskie, Kontaktów: 6 (06-a), do ekranowania, THT, IP40, M18x0,75, Montaż na ścianie tylnej
M16 IP40, seria 680, Złącze miniaturowe
Cechy ogólne
więcejmniej| Numer części | 09 0324 290 06 |
| Konstrukcja złączy | Złącze panelowe żeńskie |
| Typ standardowy | DIN EN 61076-2-106 |
| Wersja | Złącze żeńskie proste |
| System blokady złączy | śruba |
| Obtrysk na kablu | THT |
| Stopień ochrony | IP40 |
| Zakres temperatur od/do | -40 °C / 85 °C |
| Ilość cykli łączenia | > 1000 cykli łączenia |
| Waga (gr) | 9.60 |
| Numer taryfy celnej | 85369010 |
| Kraj pochodzenia | DE |
Parametry elektryczne
więcejmniej| Napięcie znamionowe | 250 V |
| Znamionowe napięcie udarowe | 1500 V |
| Prąd znamionowy | 5,0 A |
| Rezystancja izolacji kabla | ≥ 1010 Ω |
| Stopień zanieczyszczenia | 1 |
| Kategoria przepięciowa | I |
| Grupa materiałowa | III |
| Zgodność z EMV | do ekranowania |
| Połączenie osłonowe | Pin ekranu |
Materiał
więcejmniej| Materiał styków | Odlew cynkowy, niklowany |
| Materiał korpusu styków | PBT (UL94V-0) |
| Materiał styku | CuSn (brąz) |
| Pokrycie styku | Ag (srebro) |
| REACH SVHC |
CAS 7439-92-1 (Lead) |
| Obecność PFAS | 755e6d36-6a72-4f6c-8e25-fb739584a181 |
Klasyfikacje
więcejmniej| eCl@ss 11.1 | 27-44-01-09 |
| ETIM 9.0 | EC003569 |
Trade-Compliance
więcejmniej| Copper (9903.78.01) | 0.004178 kg |
Uwagi dotyczące bezpieczeństwa
- Wtyczki nie wolno podłączać ani odłączać pod obciążeniem. Nieprzestrzeganie i niewłaściwe użytkowanie może spowodować obrażenia ciała.
- Złącza zostały stworzone do zastosowań w inżynierii instalacji, sterowaniu i budowie wyposażenia elektrycznego. Użytkownik jest odpowiedzialny za sprawdzenie, czy złącza mogą być używane również do innych zastosowań.
- Złącza stosowane w obwodach o napięciach niebezpiecznych w dotyku mogą być instalowane i używane wyłącznie przez osoby z wykształceniem elektrotechnicznym lub pod ich nadzorem, z uwzględnieniem obowiązujących przepisów i norm.
- Użytkownik musi podjąć odpowiednie środki ostrożności, aby zapobiec przypadkowemu odłączeniu złącza.
- Należy zwrócić uwagę na stopień zanieczyszczenia i kategorię przepięciową. Więcej informacji można znaleźć w centrum pobierania w sekcji "Informacje Techniczne".
- Aby zblokować złącze kablowe w złączu urządzenia, gwintowany pierścień jest 'ręcznie' dokręcany (ok. 60 cNm).
Pliki
Arkusz danych
Arkusz danych 09 0324 290 06
pobierz
REACH
09 0324 290 06
pobierz
RoHS
09 0324 290 06
pobierz
China RoHS
09 0324 290 06
pobierz
Dane EPLAN
09 0324 290 06
pobierz
Weryfikacja do pobrania
Ukończ weryfikację, aby kontynuować pobieranie CAD.
Dane CAD
Wybierz żądany format




