Tilauksen numero: 09 0477 22 07
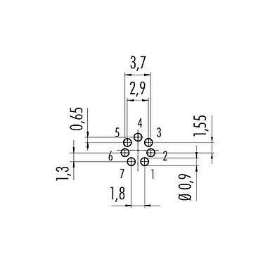
M9 Laippapistoke, Napojen määrä: 7, suojaamaton, THT, IP40, M9x0,5, Kiinnitys takaseinään
M9 IP40, Sarja 711, Subminiature-liittimet
Yleiset ominaisuudet
mehrweniger| Ordernummer | 09 0477 22 07 |
| Anslutningsdesign | Laippapistoke |
| Versio | Liitin uros suora |
| Kontaktlåsning | ruuvaus |
| Anslutningstyp | THT |
| Typ av skydd | IP40 |
| Begränsa temperaturen från / till | -40 °C / 85 °C |
| Mekanisk livslängd | > 500 liitäntäsykliä |
| Vikt (gr) | 3.17 |
| Tulltaxenummer | 85369010 |
| Alkuperämaa | DE |
Sähköiset ominaisuudet
mehrweniger| Märkspänning | 125 V |
| Märkd impulsspänning | 1500 V |
| Märkström | 1,0 A |
| Isoleringsmotstånd | ≥ 108 Ω |
| Grad | 1 |
| Överspänningskategori | II |
| Gruppen isolerande material | III |
| EMC lämplighet | suojaamaton |
Materiaalit
mehrweniger| Material Kontakt kropp | PA (UL94 V-0) |
| Materialkontakt | CuZn (messinki) |
| Kontaktyta | Au (kulta) |
| REACH SVHC |
CAS 7439-92-1 (Lead) |
| PFAS-yhdisteiden esiintyminen | 2c8e8b96-016c-40b0-b2eb-788a85a122b2 |
Luokitukset
mehrweniger| eCl@ss 11.1 | 27-44-01-09 |
| ETIM 9.0 | EC003569 |
Turvallisuushuomautukset
- Liittimiä ei saa asentaa tai irrottaa kuormituksen alaisena. Laitteiden noudattamatta jättäminen ja virheellinen käyttö voi johtaa henkilövahinkoihin.
- Liittimet on kehitetty käyttökohteisiin tehdas-, ohjaus- ja sähkölaitteiden rakentamisessa. Käyttäjän vastuulla on tarkistaa, voidaanko liittimiä käyttää myös muilla sovellusalueilla.
- Pistokeliittimet, joita käytetään piireissä, joissa on vaarallinen kosketusjännite, saa asentaa ja käyttää vain sähkötekniikan koulutuksen saaneet henkilöt tai heidän valvonnassaan ottaen huomioon sovellettavat määräykset ja standardit.
- Käyttäjän on toteutettava asianmukaiset turvatoimenpiteet, jotta liitintä ei voida vahingossa irrottaa.
- Huomaa saasteaste ja ylijännitekategoria. Lisätietoja on teknisten tietojen latauskeskuksessa.
Lataukset
Tietolomake
Tietolomake 09 0477 22 07
download
REACH
09 0477 22 07
download
RoHS
09 0477 22 07
download
China RoHS
09 0477 22 07
download
EPLAN-tiedot
09 0477 22 07
download
Vahvista ladattavaksi
Suorita vahvistus jatkaaksesi CAD-latausta.
CAD-tiedot
Valitse haluamasi muoto




