Menu
Back
  1. Products
  2. Automation technology - Sensors and actuators
  3. M8
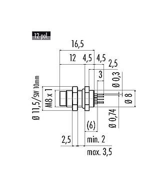
  4. M8 Male panel mount connector, Contacts: 12, unshielded, THT, IP67/IP69K, UL 2238, M8x1.0, Rear mounting, screwable from the front, potted
Part no.: 86 6119 1100 00012

M8 Male panel mount connector, Contacts: 12, unshielded, THT, IP67/IP69K, UL 2238, M8x1.0, Rear mounting, screwable from the front, potted

M8, series 718, Automation Technology - Sensors and Actuators
Available numbers of contacts
Compare product
Downloads
General features
Moreless
Part no. 86 6119 1100 00012
Connector design Male panel mount connector
Type standard DIN EN 61076-2-104
Coding C-coded
Connector locking system screw
Termination THT
Degree of protection IP67/IP69K
Mechanical operation > 100 Mating cycles
Weight (g) 3.92
Customs tariff number 85369010
Country of Origin DE
Rated voltage 32 V
Rated impulse voltage 500 V
Rated current 1.0 A
Insulation resistance > 108 Ω
Pollution degree 3
Overvoltage category II
Insulating material group I
EMC compliance unshielded
Voltage 500 V DC
Housing material CuZn (Brass nickel plated)
Contact body material PUR black
Contact material CuZn (brass) / CuSn (bronze)
Contact plating Au (gold)
REACH SVHC CAS 7439-92-1 (Lead)
SCIP number af90f72c-2843-4871-9ddf-a9ad1c1b5155
ETIM 9.0 EC003569
Security notices
  1. The connector must not be plugged or unplugged under load. Non-observance and improper use can result in personal injury.
  2. The connectors have been developed for applications in plant engineering, control and electrical equipment construction. The user is responsible for checking whether the connectors can also be used in other areas of application.
  3. Connectors which are used in circuits with voltages dangerous to the touch may only be installed and used by, or under the supervision of, persons with electrical engineering training, taking into account the applicable regulations and standards.
  4. The user must take suitable safety precautions to ensure that the connector cannot be accidentally disconnected.
  5. Plug connectors with enclosure protection IP67 and IP68 are not suitable for use under water. When used outdoors, the plug connectors must be protected separately against corrosion. For further information on the IP protection classes, please refer to the "Technical Information" download centre.
  6. Please observe the pollution degree and the overvoltage category. For further information, please refer to the download center "Technical Information".
  7. To lock the cable connector with the device connector, the threaded ring is tightened "hand-tight" (approx. 50 cNm).
Downloads
Data sheet
Data sheet 86 6119 1100 00012
PDF
Data sheet, Data sheet 86 6119 1100 00012
Certificates
UL certificate
PDF, 281.79 KB
REACH
86 6119 1100 00012
PDF
RoHS
86 6119 1100 00012
PDF
China RoHS
86 6119 1100 00012
PDF
EPLAN data
86 6119 1100 00012

Verify to download

Please complete the verification to proceed with the CAD download.

CAD files
Select required format
M8
86 6119 1100 00012