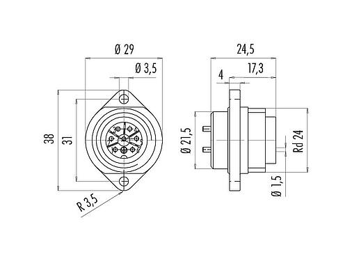
Artikelnummer: 09 4227 00 07
RD24 Flanschstecker, Polzahl: 6+PE, ungeschirmt, löten, IP67, UL, ESTI+, VDE, Frontmontage
RD24, Serie 693, Power Steckverbinder
Allgemeine Kennwerte
mehrweniger| Artikelnummer |
09 4227 00 07
Alternative Artikelnummer: 09 0215 00 07
|
| Steckverbinder-Bauform | Flanschstecker |
| Ausführung | Steckverbinder, Stift, gerade |
| Steckverbinder Verriegelung | schrauben |
| Anschlussart | löten |
| Schutzart | IP67 |
| Anschlussquerschnitt | max. 0,75 mm² / AWG 18 |
| Temperaturbereich von / bis | -40 °C / 100 °C |
| Mechanische Lebensdauer | > 500 Steckzyklen |
| Gewicht (gr) | 15.19 |
| Zolltarifnummer | 85369010 |
| Ursprungsland | DE |
Elektrische Kennwerte
mehrweniger| Bemessungsspannung | 250 V |
| Bemessungs-Stoßspannung | 4000 V |
| Bemessungsstrom | 10 A (8 A UL) |
| Isolationswiderstand | ≥ 1010 Ω |
| Verschmutzungsgrad | 3 |
| Überspannungskategorie | III |
| Isolierstoffgruppe | III |
| EMV-Tauglichkeit | ungeschirmt |
Werkstoffe
mehrweniger| Material Kontaktkörper | PBT |
| Material Kontakt | CuZn (Messing) |
| Kontaktoberfläche | Ag (Silber) |
| REACH SVHC |
CAS 7439-92-1 (Lead) |
| SCIP Nummer | 8bd5a807-8ad7-4d5e-8584-b343c992c781 |
Zulassungen / Approbationen
mehrweniger| Zulassungen | UL, ESTI+, VDE |
Klassifikationen
mehrweniger| eCl@ss 11.1 | 27-44-01-09 |
| ETIM 9.0 | EC003569 |
Sicherheitshinweise / Montagehinweise
- Der Steckverbinder darf nicht unter Last gesteckt oder getrennt werden. Eine Nichtbeachtung sowie unsachgemäße Verwendung kann Personenschäden zur Folge haben.
- Die Steckverbinder sind für Einsatzbereiche im Anlagen-, Steuerungs- und Elektrogerätebau entwickelt worden. Die Überprüfung, ob die Steckverbinder auch in anderen Einsatzgebieten verwendet werden können, obliegt dem Anwender.
- Steckverbinder, die in Stromkreisen mit berührungsgefährlichen Spannungen eingesetzt werden, dürfen nur von, oder unter Aufsicht von Personen, die eine elektrotechnische Ausbildung besitzen, unter Berücksichtigung der geltenden Bestimmungen und Normen montiert und benutzt werden.
- Durch den Anwender sind geeignete Sicherheitsvorkehrungen zu treffen, damit der Steckverbinder nicht versehentlich gelöst werden kann.
- Bitte beachten Sie die Verschmutzungsgrade und die Überspannungskategorie. Weitere Infos hierzu siehe Bereich Downloadcenter „Technische Informationen“.
Downloads
Datenblatt
Datenblatt 09 4227 00 07
herunterladen
Zertifikat
UL Zulassung
herunterladen
Zertifikat
VDE Zulassung
herunterladen
Zertifikat
Splus Zulassung
herunterladen
REACH
09 4227 00 07
herunterladen
RoHS
09 4227 00 07
herunterladen
China RoHS
09 4227 00 07
herunterladen
EPLAN Daten
09 4227 00 07
herunterladen
Verifizierung für Download
Bitte schließen Sie die Verifizierung ab, um den CAD-Download fortzusetzen.
CAD-Daten
Gewünsches Format auswählen




